高级搜索

留言板

尊敬的读者、作者、审稿人, 关于本刊的投稿、审稿、编辑和出版的任何问题, 您可以本页添加留言。我们将尽快给您答复。谢谢您的支持!

姓名
邮箱
手机号码
标题
留言内容
验证码

优先发表

优先发表栏目展示本刊经同行评议确定正式录用的文章,这些文章目前处在编校过程,尚未确定卷期及页码,但可以根据DOI进行引用。本栏目内容尚未正式出版,未经编辑部许可,不得转载。
显示方式:
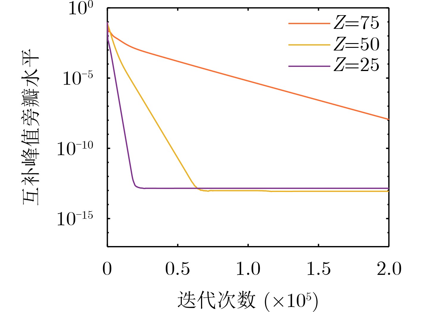
Stokes参数结合多任务注意力U-Net的浅海地声参数反演方法
黄千卓, 李晓曼, 毕雪洁, 张子时, 童晗, 李菲
, doi: 10.11999/JEIT251085
摘要:
浅海地声参数对水声传播特性的分析具有重要作用,然而,传统的反演方法在实际应用中面临计算复杂度和成本较高以及对模型准确性依赖性较强等问题。为此,该文提出一种基于矢量声场Stokes极化参数与注意力增强多任务U-Net的地声参数反演方法。针对单矢量水听器各通道所接收的信号实施warping变换处理,把将提取到的各阶简正波信号经计算和归一化后所得的Stokes参数作为网络输入特征;构建多任务U-Net神经网络模型,采用共享编码器与多分支独立预测纵波声速等地声参数,同时引入通道和空间注意力机制,增强关键特征提取能力并抑制无关特征;此外,采用多任务不确定性加权损失函数实现各地声参数反演任务的自适应平衡,使得反演结果更准确。200组测试集数据的仿真结果表明,引入注意力机制后模型预测波动范围降低,整体反演精度与稳定性均有所提升,该反演方法受模型参数失配影响较小,展现出较强的鲁棒性。进一步的海事实验数据验证表明,所提方法在实际浅海环境下的地声参数反演中具有高效性和可靠性。
面向FDA-MIMO近程探测器的SG-DDPG低截获点状波束设计
贾金伟, 高敏, 韩壮志, 刘利民, 尹园威
, doi: 10.11999/JEIT260010
摘要:
点状波束可有效提高近程探测器空域低截获能力,本文聚焦于频控阵(FDA-MIMO)阵元频偏设置对波束合成的影响这一关键因素,提出了基于阶段化引导深度确定性策略梯度(SG-DDPG)强化学习算法的低截获点状波束设计技术。首先构建了波束空域低截获性能评估模型,然后设计了多维阶段化引导奖励函数,通过Actor-Critic模型运用梯度上升的方法最大化奖励值,得到当前环境下波束汇聚性能较好的阵元频偏,突破了公式法计算阵元频偏需要近程探测器落角接近垂直的技术瓶颈。仿真表明,SG-DDPG算法优化后的阵元频偏使得FDA-MIMO波束在波束汇聚性能和低截获性能明显好于其他经典频偏设置方法,并适用于近程探测器各种落角下的低截获波束设计,有效提高了近程探测器的低截获性能。
大规模STAR-RIS辅助的通感一体化全空间隐蔽传输
谢文武, 张沁可, 杨亮, 王骥, 余超, 刘新忠, 崔亚茹
, doi: 10.11999/JEIT260145
摘要:
为提高通感一体化(Integrated Sensing and Communication, ISAC)系统中信息传输的隐蔽性,该文研究基于超大规模同时透射和反射表面(Extremely Large-Scale Simultaneous Transmitting and Reflecting Reconfigurable Intelligent Surface, XL-STAR-RIS)的近场通感一体化系统,旨在实现隐蔽通信的资源优化。首先,建立近场球面波信道模型与信号传输模型,分析窃听者Willie的最优检测性能,并推导其最小检测错误概率的闭合下界表达式。在此基础上,根据通信要求,以最大化隐蔽通信速率为目标,综合考虑发射功率约束、感知信噪比约束及隐蔽性要求,构建了联合波束成形优化问题。为解决该非凸问题,该文提出一种融合半定松弛(Semidefinite Relaxation, SDR)、Dinkelbach型迭代与惩罚函数的分层交替优化算法,实现了主动发射波束与被动STAR-RIS系数的协同设计。仿真结果表明,所提方案在隐蔽通信速率、感知精度与收敛性能方面均优于传统被动RIS及无RIS基准方案。
RIS-MIMO系统中稀疏空间星座与多RIS块动态选择的索引调制设计
黄福春, 朱含, 唐晓庆, 杨凡, 黄杰
, doi: 10.11999/JEIT251289
摘要:
针对可重构智能表面(RIS)辅助多输入多输出(MIMO)索引调制系统中单块大规模RIS部署困难和发射端空间信号设计复杂度高的挑战,本文研究一种联合稀疏空间星座-双激活天线(SCTA)与多RIS块(MBRIS)选择的索引调制设计。本研究首先提出了一种基于稀疏空间星座-双激活天线的RIS空间调制(SCTA-RIS-SM)系统,其核心是在发射端构造一种基于双激活天线的稀疏空间矢量,通过混合主、次级脉冲幅度调制(PAM)与次级PAM(SPAM)星座设计,优化发射矢量之间的最小欧氏距离,从而显著提升了系统的抗干扰能力。为克服单块RIS的部署瓶颈,本研究进一步提出一种增强型方案:基于稀疏空间星座-双激活天线的多RIS块空间调制(SCTA-MBRIS-SM)系统。该系统采用分布式多RIS块阵列替代传统单块面板,通过动态选择激活一组特定的RIS块进行协同反射,将不同的“RIS块选择组合”状态作为一个新的索引调制维度。此增强型方案在不增加射频链路的条件下,额外提升了频谱效率,同时增强了部署的灵活性。理论分析与蒙特卡洛仿真结果表明,所提的两种系统在误比特率性能与频谱效率方面均优于现有典型方案,为未来高能效、高灵活性的RIS-MIMO通信系统提供了有效的解决方案。
语义引导的多尺度深度展开一体化遥感图像融合方法
陈俊杰, 汪婷婷, 方发明, 张桂戌
, doi: 10.11999/JEIT251252
摘要:
现有的基于深度学习的遥感图像融合方法通常依赖于特定数据集进行训练,导致其泛化能力不足,难以适应多卫星场景的实际应用。为此,本文提出一种语义引导的一体化多尺度深度展开网络(SUM-DUN)。该网络基于传统融合问题的优化求解进行设计,采用3D架构以兼容不同波段数量的多光谱(MS)图像输入。通过引入多尺度特征分层处理机制,SUM-DUN能够有效提取并融合不同层级的特征。更重要的是,为实现一体化融合,本文创新性地引入多模态大语言模型,从输入的低分辨率多光谱(LRMS)图像与全色(PAN)图像中生成通用语义文本提示,以动态引导网络自适应地选择最优特征传递策略。多卫星实验结果表明,所提方法在多个数据集上的主观视觉效果和客观评价指标均得到显著提升。
结合多模态多尺度融合与Mamba的遥感地物分类
谢雯, 朱潮涛, 王瑾, 马晓萌
, doi: 10.11999/JEIT251303
摘要:
遥感成像技术的迅速发展为遥感地物分类带来了海量且多元的数据,如何利用多模态数据的互补性提升分类性能成为研究热点。近年来Mamba模型凭借其独特的架构与强大的全局建模能力在图像处理领域得到成功应用,其中多尺度视觉Mamba模型善于应对复杂的空间分布,契合遥感地物尺度差异大、朝向复杂等特点。为充分发挥Mamba模型提取与融合遥感数据特征的优势,该文提出基于Mamba的多模态多尺度融合模型用于遥感地物分类(M3RS)。首先,该模型采用多尺度空间编码器提取光探测与测距(LiDAR)图像和合成孔径雷达(SAR)图像的特征,并基于高光谱图像(HSI)独特的数据结构,提出多尺度空谱编码器提取其复杂的空间光谱特征。然后提出由交叉Mamba和通道拼接Mamba相结合得到的多模态特征融合模块,其中交叉Mamba通过交互状态空间参数高效融合多模态空间特征,通道拼接Mamba通过构造四种通道扫描方式充分融合多模态特征。最后该模型采用改进的多尺度特征融合模块逐层融合多尺度特征并提取具有高判别性的分类依据,可有效提升遥感地物分类的准确率。该文通过在Muufl、Houston2013和Augsburg三个数据集上展开的分类实验验证了该分类模型M3RS的有效性。
中波红外超晶格探测技术研究现状及展望
刘铭, 赵雅琪, 关晓宁, 张凡, 芦鹏飞
, doi: 10.11999/JEIT260083
摘要:
中波红外探测器具备高灵敏度和优异的温度分辨能力,在国土安全、工业测温、医疗诊断以及遥感监测等民用与军用领域均扮演着至关重要的角色。二类超晶格(T2SL)材料因其能带可调和低俄歇复合率等优势,成为最具潜力的第三代红外探测器材料体系。该文首先阐述量子效率、暗电流密度与比探测率等关键光电参数对探测器性能的影响;随后,聚焦于InAs/GaSb和InAs/InAsSb两大材料体系,系统综述了在暗电流抑制与光响应提升两方面的最新进展,包括势垒结构设计、外延生长优化及器件工艺改进等关键技术,通过这些关键技术研发,探测器性能和工作温度不断提升;最后,对比分析了两类探测器的主要性能指标,并展望了中波超晶格探测技术未来的发展将集中于结构创新设计、大尺寸高质量材料生长、大规模焦平面集成等方面,并有望通过多机制耦合进一步拓展探测性能与应用边界。
干扰对消条件下幅相误差对相控阵雷达测角误差的研究
詹思恒, 周亮, 沈若彬, 张嘉毫, 王彬, 孟进
, doi: 10.11999/JEIT251195
摘要:
主瓣压制干扰严重削弱雷达探测性能。干扰对消可抑制其影响,但易使主瓣畸变并引入测角误差。以未设差差通道的单脉冲体制相控阵雷达为对象,采用正态分布描述接收通道幅相误差波动特性,建立“干扰对消-和差测角”联合模型,通过蒙特卡洛仿真分析幅相误差在干扰对消前后对雷达测角误差的影响规律。结果表明:通道幅相差异不改变对消前后目标角度变化趋势;无干扰时,通道幅相误差引入的目标测角误差在波束法向附近最小;存在干扰并实施对消时,对消后通道幅相误差引入的目标测角误差在波束法向附近达到峰值,在远离法向后误差快速下降。研究为主瓣压制干扰条件下、采用对消且未设差差通道的单脉冲相控阵雷达测角误差评估与工程应用提供参考。
融合动态图递归与状态空间的时空耦合交通流预测模型
张红, 齐方正, 雒生俊, 张玺君, 侯亮, 黄海蓉
, doi: 10.11999/JEIT251198
摘要:
准确的交通流预测是智能交通系统中的关键任务,其核心挑战在于如何有效捕捉城市路网中动态演化的空间结构以及复杂的时空相关关系。针对现有方法在建模交通路网的动态关联时难以自适应捕捉路网空间依赖特征,对空间特征表征能力有限,且计算效率低等问题,本文提出一种融合动态图递归与状态空间的时空交通流预测模型(DGGRU-Mamba)。该模型构建了时空嵌入生成器,将节点的空间位置信息与周期性时间特征联合编码,以增强图结构对交通流时间特征的感知能力;设计了动态图递归建模(DGRM),通过多层动态图门控递归单元(DGGRU)动态构建邻接关系,捕捉路网交通状态演变引发的空间依赖性;建立了基于结构化状态转移机制的时空Mamba(ST-Mamba),实现交通流的全局时序建模,在提升建模能力的同时降低计算开销。相较主流自注意力模型STAEformer和DGGRU-Mamba,模型在PEMS04数据集上的MAE、RMSE和MAPE分别降低约4.2%、3.8%和2.9%,同时推理时间缩短约4.82s,在提升预测精度的同时提高了计算效率。
融合多层次特征增强与层级式分类的家电塑料识别
崇鹏豪, 郑云龙, 杨傲松, 郭梦慈, 李世峰
, doi: 10.11999/JEIT260084
摘要:
针对废旧家电塑料回收中低光谱分辨率条件下识别精度不足的问题,尤其是黑色塑料在可见–近红外波段因高吸光性与光谱重叠导致的特征可分性下降,该文提出一种面向受限光谱特征空间的自动识别方法。该方法基于可见–近红外多光谱传感系统,通过多层次特征工程增强低维光谱信息,并结合分阶段层级分类策略,将多类别识别分解为粗分类与细分类的联合推理过程,以抑制复杂样本的特征混叠对分类性能的干扰。在五折交叉验证条件下,模型取得97.4%的分类准确率,在独立测试集上取得93.1%的分类准确率,相较于单阶段分类及无特征增强方法表现出更优的分类性能。结果表明,该方法在低分辨率多光谱条件下对黑色塑料及其他常见家电塑料具有稳定的识别能力,有效提升了复杂样本的分类精度,为废旧家电塑料自动化分选系统的开发提供了理论与应用支持。
从触觉到语义:面向零样本脉冲触觉物体识别的方法
迟威, 许进
, doi: 10.11999/JEIT260158
摘要:
触觉感知是机器人理解物体物理属性并实现精细交互的重要基础,在视觉受限或复杂场景中具有不可替代的作用。相比连续触觉信号,事件驱动的脉冲触觉以异步稀疏的方式编码接触动态变化,具备更高时间分辨率与能效优势。然而,受限于高采集成本与小样本规模,现有监督触觉识别方法在开放世界场景中面临显著泛化瓶颈。尽管零样本学习可缓解数据稀缺,但现有方法多依赖视觉辅助或人工粗粒度语义,难以适配脉冲触觉的复杂时空动态结构,且缺乏稳定的跨模态语义对齐机制。针对上述问题,该文提出一种面向脉冲触觉信号的零样本物体识别方法。首先,构建仿生脉冲图神经网络,对脉冲触觉时空演化进行建模,提取判别性且具生物可解释性的触觉表征;其次,引入大语言模型生成细粒度结构化触觉语义空间,并为各类别构建一致维度的语义原型;在此基础上,设计触觉到语义的正向映射与语义到触觉的反向重构,形成循环一致的跨模态对齐框架,从而提升对齐稳定性与未见类别泛化能力。在标准的零样本设定下,该文在脉冲触觉数据集上进行了系统实验评估,实验结果表明,该方法在平均类别准确率、Top-k准确率及语义对齐一致性等指标上均优于现有方法,验证了其在脉冲触觉零样本识别任务中的有效性与鲁棒性。该研究为脉冲触觉语义理解及开放环境下的机器人感知提供了新的技术路径。
基于PCL-CSL协同设计的1200 V沟槽型SiC MOSFET性能优化与栅氧电场分析
方绍明, 李宏达, 高源
, doi: 10.11999/JEIT260164
摘要:
碳化硅(SiC)功率金属-氧化物-半导体场效应晶体管(MOSFET)凭借耐压高、导通电阻低和功耗小的优势,已广泛应用于中高压电力电子系统中,在提升系统效率与功率密度方面具有重要意义。本文基于TCAD仿真平台,开展1200 V等级沟槽型SiC MOSFET的结构设计与电学特性仿真研究。通过双侧P型柱(PCL)与电流扩展层(CSL)协同设计,有效优化了器件在阻断状态下的电场分布与导通状态下的电流输运性能。系统仿真分析了外延层掺杂浓度(NEpi)、沟槽宽度与深度、P型体区(PW)注入剂量、PCL间距及CSL注入剂量等关键结构参数对器件比导通电阻(Ron,sp)、阈值电压(VTH)、击穿电压(BV)及栅氧峰值电场(Eox-max)的影响机制。研究结果表明,优化后的器件可实现VTH=4.7 V、Ron,sp=1.57 mΩ·cm2、BV=1708 V、Eox-max=2.5 MV/cm的良好性能折衷。本研究为开发高性能沟槽型SiC MOSFET提供了系统的仿真方法与设计依据。
融合反事实推理与轻量化设计的半监督脑肿瘤分割网络
樊亚文, 王潮远, 王鑫, 张鑫晨, 周全
, doi: 10.11999/JEIT251130
摘要:
针对脑肿瘤分割任务中标注样本稀缺、高计算开销以及病灶边界模糊问题,从模型结构与半监督机制两个角度出发,提出一种融合轻量化骨干网络与反事实推理的半监督脑肿瘤分割方法,旨在同时提升分割精度与模型部署效率。在网络结构设计方面,基于解剖结构一致性先验,构建了参数共享的多模态融合编码器-解码器架构,在保证分割性能的同时显著降低模型参数量与计算开销,使其适用于资源受限的临床应用场景。在半监督训练策略方面,利用教师-学生模型预测结果构建反事实样本,设计了一种结合像素级分割一致性与特征级语义稳定性的反事实推理损失函数,从而充分挖掘未标注数据的结构信息。在BraTS2021数据集上的实验结果表明,即使仅使用 10% 的标注数据,半监督模型在主要分割指标上平均达到约 94% 的全监督性能,同时在边界细节和小病灶识别性能方面均优于现有主流方法。
轻量级分组密码INLEC的全轮积分分析
余彬, 刘文芬, 陈文, 郭影, 陆永灿, 黄月华
, doi: 10.11999/JEIT251131
摘要:
随着电信技术的快速发展,物联网设备得到日益普及,针对物联网设备的功耗、数据隐私和安全性等问题,许多轻量级密码算法给出了解决方案。为了应对数据传输过程中电池寿命和能源受限的问题,Feng等人提出了一种低能耗的轻量级分组密码INLEC,以减少物联网设备中的数据泄露。作者声称其能有效抵抗差分、线性、不可能差分以及侧信道等多种密码分析技术,但尚未对其抵抗积分分析能力进行评估。为此,该文对其在积分分析下的安全性进行全面研究。利用单项式预测技术对INLEC算法进行混合整数线性规划(MILP)建模,首次得到了INLEC的9轮积分区分器。进一步结合扩散层的结构特性,扩展得到10轮积分区分器。在此基础上,利用部分和技术和多密钥猜测方法对算法进行14轮密钥恢复攻击,其数据复杂度为\begin{document}$ {2}^{63} $\end{document}选择明文,时间复杂度为\begin{document}$ {2}^{89.843} $\end{document}次14轮加密。分析结果表明,INLEC算法不足以抵抗积分分析。
基于动态聚焦与语义提示的细粒度害虫分类网络
柳长源, 赵海健, 吴海滨
, doi: 10.11999/JEIT260044
摘要:
农业害虫图像普遍存在复杂背景干扰、不同虫态时期外观差异显著、拍摄角度多样和尺度变化大等问题,导致现有细粒度图像分类模型在特征提取和虫态变化适应性方面仍存在不足。针对上述问题,本文构建了一个涵盖多虫态时期、多角度和多尺度的农业害虫多维数据集(APMD),并提出一种基于动态聚焦与语义提示的细粒度害虫分类网络(DFS-PestNet)。本文构建主特征流与提示增强流相结合的解耦并行架构,通过空间形变建模模块(SDP)动态聚焦害虫斑点、翅脉等关键判别区域,以增强复杂背景下的局部细微特征提取能力;引入提示引导机制模块(AHVP),在浅中层特征中融合类别语义与空间位置信息,提升对不同虫态形态变化的适应性;同时采用显著性双分支采样(DSS),通过可学习原型部件和双分支显著性融合自适应聚合害虫关键部位特征,增强对微小害虫和早期幼虫等小目标的识别能力。实验结果表明,在IP102和APMD两个数据集上本文模型均取得了优于基线模型和现有主流方法的分类性能,验证了其在复杂场景下细粒度害虫分类任务中的有效性与应用潜力,为智慧农业中的虫害监测与精准防治提供技术参考。
面向不确定环境的低空通信与计算资源鲁棒优化
龚宇城, 李斌, 王新奕, 费泽松
, doi: 10.11999/JEIT260090
摘要:
针对低空边缘网络中因任务数据量的突发性与无人机飞行位置抖动所引起的服务质量下降问题,该文提出一种基于分布鲁棒优化的系统能耗最小化方法。首先,综合考虑任务大小和飞行位置不确定性因素,建立以最小化系统加权总能耗为目标的网络模型,并对无人机飞行轨迹、任务划分以及计算与通信资源进行协同设计。其次,将该非凸且复杂的优化问题建模为马尔可夫决策过程,并提出基于分布鲁棒优化的软演员-评论家算法。该算法通过构建任务需求分布的模糊集以处理分布不确定性,并借助最大熵强化学习框架,在连续动作空间中求解最坏概率分布下的最优策略。仿真结果表明,所提算法在动态环境中具有更快的收敛速度,且在不同任务负载及位置扰动下均能显著降低系统加权能耗,其中用户和无人机能耗分别降低了21.1%和15.9%。
面向智能网联汽车的安全多任务全景感知算法
黄晓舸, 陈名, 唐毅, 梁承超, 陈前斌
, doi: 10.11999/JEIT250749
摘要:
随着车联网和深度学习技术的发展,智能网联汽车(Connected Autonomous Vehicles, CAV)能够收集驾驶场景中的图像数据,并借助卷积神经网进行特征提取和处理,以实现对驾驶环境的高效感知。然而,由于驾驶场景的复杂性,单任务模型难以处理多样化的感知需求。此外,深度学习模型的优异表现依赖于海量数据,而单车收集的数据不足以训练出具有泛化性的模型。联邦学习技术打破了车辆间的信息孤岛,使车辆在不上传本地数据的情况下共享模型,通过上传本地模型至中心服务器进行模型聚合,从而获得性能更优的全局模型。因此,本文提出一种安全多任务全景感知算法。首先,构建了一个全景感知模型,使车辆能够并行执行驾驶场景中的多个感知任务,实现全景感知。其次,设计了一种基于混合评分的CAV选择算法,以筛选高质量的本地模型,最后,提出一种基于Shamir秘密共享的全局模型聚合算法,在聚合过程中采用秘密共享方法,避免因服务器遭受攻击或宕机导致的数据泄露。仿真结果验证了所提算法的有效性。
面向无人机视频流传输的多路径调度算法
曹昌龙, 李领治, 施连敏, 赵庆越
, doi: 10.11999/JEIT260002
摘要:
在无人机实时视频流传输场景中,可利用多路径传输协议的带宽聚合优势提升视频体验质量(QoE)。针对该协议在无人机网络环境下面临的动态异构挑战,该文提出一种基于NeuralUCB算法的多路径调度框架—NeuroFly。首先,将多路径流量调度建模为上下文多臂老虎机(CMAB)问题。然后,基于NeuralUCB设计在线学习策略:融合多维度异构特征构建上下文空间,引入帧优先级驱动的冗余传输机制构建动作空间,并结合多目标奖励函数设计,实现动态异构网络下的自适应流量调度。此外,还设计一种上下文监控机制,能够实时检测上下文分布变化并适时重启学习过程,以提升NeuroFly对环境突变的应对能力。最后,仿真和野外环境下的实验结果表明,与现有先进调度算法和传输方案相比,NeuroFly第99百分位延迟降低19.9~51.0%,并在多项视频QoE指标上取得显著领先:平均视频帧率提升最高达24.6%,图像结构相似性提升最高达49.2%,缓冲时间占比减少13.4~77.6%,证明其在无人机动态异构网络下具有更为出色的持续传输优化能力,能够有效降低传输延迟并提升视频QoE。
3D移动群智感知场景下个性化位置隐私智能保护方法
闵明慧, 叶俊, 魏熙朋, 闵波, 李世银
, doi: 10.11999/JEIT251237
摘要:
针对移动群智感知(MCS)系统中用户执行任务时上传真实位置易被不可信服务器或外部攻击者不当利用,且不同用户在不同地点对位置隐私保护的敏感度存在差异的问题,该文研究基于三维空间地理不可区分性(3DGI)和扭曲隐私的个性化位置隐私感知任务分配方法。同时,为解决动态3D MCS环境下的隐私策略选择问题,综合考虑用户能量状态、任务执行能耗、个性化隐私偏好及攻击者行为,设计了基于近端策略优化(PPO)的3D位置隐私感知任务分配机制(PPOM)。该机制采用Actor-Critic结构进行位置扰动策略学习,通过高斯策略采样与优势函数引导,动态平衡位置隐私保护与服务器利润。为了在位置扰动的前提下尽可能提升服务器利润,该文进一步构建了基于推断位置的任务分配机制,并在模拟数据集和真实GeoLife数据集上,分别设置单用户单任务(S-S)与单用户多任务(S-M)两种分配模式开展仿真实验。结果表明所提PPOM机制在隐私保护强度、服务器系统效益方面均优于对比机制,验证了其在复杂3D MCS场景中的有效性与实用性。
短波超短波协同的最优加权子空间拟合直接定位方法
杨高源, 尹洁昕, 王鼎, 杨宾
, doi: 10.11999/JEIT260001
摘要:
针对超视距多目标的定位问题,该文提出一种基于最优加权子空间拟合(OWSF)的短波超短波协同直接定位(DPD)方法。首先建立了超视距定位场景下短波超短波信号传播模型,短波模型是通过电离层反射的二维到达方向(DoA)模型,涵盖了方位角和俯仰角信息;超短波模型是基于运动阵列观测的空时信号扩展模型,包含一维到达角度和多普勒频率信息。与现有依赖单频段信号的定位方法不同,新方法将两种观测信号的信号子空间与噪声子空间加权融合,实现了两种定位频段信号的优势互补,从而显著提高了定位精度。此外,该文还推导了地球椭球约束条件下定位估计误差克拉美罗界(CRB)。仿真结果显示,该方法在高信噪比条件下能够逼近克拉美罗界,且相较于已有算法具有更强的空间分辨能力,在低信噪比条件下具有显著的定位精度优势。
一种结合多尺度小波与超球面表示的射频指纹开集识别方法
田欣玉, 李子睿, 郑庆河, 周福辉, 余礼苏, 黄崇文, 姜蔚蔚, 束锋, 赵毅哲
, doi: 10.11999/JEIT260214
摘要:
针对低信噪比环境下射频指纹特征易被噪声掩盖、多径效应引发非线性失真,以及现有方法在特征提取与未知设备检测能力上的不足,该文提出一种结合多尺度小波与超球面表示的射频指纹开集识别方法。首先,设计基于一维平稳小波变换的多尺度特征提取前端,实现对I/Q信号的全分辨率、多尺度分解,为后续网络提供高判别性输入。其次,构建多尺度残差注意力网络,融合深度残差学习、全局自注意力机制与双向长短时记忆网络,增强模型对微弱指纹特征的感知能力与长程时序依赖建模能力。最后,引入超球面度量学习,将特征空间约束至单位超球面,通过优化角度间隔构建类内紧凑、类间可分离的特征分布,并基于余弦相似度实现未知设备的有效检测。在基于IEEE 802.11协议的高保真仿真数据集上的实验结果表明,所提方法在–5~20 dB信噪比范围内均能保持较高的开集识别准确率,平均分类准确率达65.34%,在–5 dB低信噪比下曲线下面积(AUC)达0.81,显著优于现有对比方法,验证了其在极端恶劣信道环境下的鲁棒性与有效性。
视觉-语言基础模型驱动的遥感图文检索研究进展
武辉, 赵妍, 张培溶, 侯英妍, 齐析屿, 王磊
, doi: 10.11999/JEIT260189
摘要:
遥感图文检索(Remote Sensing Image-Text Retrieval, RS-TIR)通过建立遥感影像与自然语言描述之间的跨模态语义关联,为海量地理空间数据的语义理解与智能检索提供了重要支撑。随着高分辨率对地观测数据持续积累,复杂场景、多尺度结构、专业语义表达及标注稀缺等因素,使传统手工特征方法和常规深度跨模态模型在语义建模、跨场景泛化和开放环境适应方面受到明显制约。围绕视觉-语言基础模型(Vision-Language Models, VLM)驱动的遥感图文检索研究,系统梳理了任务建模、领域挑战、评价基准与技术演进脉络,重点归纳了模型架构范式、遥感领域适配策略和跨模态语义对齐机制,并结合代表性数据集、典型方法及性能比较总结了当前研究进展。分析表明,视觉-语言基础模型在缓解语义鸿沟、提升零样本迁移能力和增强复杂语义理解方面展现出显著优势,但多源异构数据统一建模、地理知识增强、开放场景持续学习以及轻量化部署仍是该方向亟待突破的关键问题。相关综述可为遥感多模态信息理解、跨模态检索模型设计及工程应用提供系统参考。
基于改进YOLO12n的人脸表情识别模型
韩闯, 黄静垚, 兰朝凤
, doi: 10.11999/JEIT250936
摘要:
针对低分辨率、光照复杂、部分遮挡等场景下人脸表情识别精度下降的问题,本文提出一种基于YOLO12n改进的人脸表情识别模型YOLO-FER (Facial Expression Recognition)。该模型通过设计NewStarBlock模块优化原有C3k2瓶颈结构以缓解高维特征缺失,并引入多维协作注意力(Multidimensional Collaborative Attention, MCA)模块在通道、高度、宽度三个维度协同建模以增强细粒度特征提取能力,同时增加低分辨率特征增强模块(Low Resolution Feature Extractor, LRFE)提升弱光及模糊场景下的鲁棒性,并采用自适应阈值焦点损失函数(Adaptive Threshold Focal Loss, ATFL)动态调整难易样本权重以缓解类别不平衡问题。实验在RAF-DB和Low Light Dataset数据集上表明,YOLO-FER在mAP@0.5指标上较基线YOLO12n分别提升了3.8%和5.0%,在保持实时检测速度的同时提升了模型的泛化能力与鲁棒性,能够更准确地捕捉表情关键区域,适用于表情识别实际场景。
有限码长信源编码下联合提升无线物联系统信息时效性与保真度
段建新, 张天赐, 陈正川, 张迪, 朱旭, 田中, 王敏, 章吕天阳
, doi: 10.11999/JEIT251057
摘要:
实时无线物联信息更新系统是时间敏感物联网应用的核心。维持终端侧信源过程感知信息的高时效与高保真对业务质量至关重要。该文基于监视终端侧信息年龄(AoI)与信源过程实时估计均方误差(MSE),研究了有限码长信源编码下的信息时效与保真度。首先,考虑高斯—马尔可夫信源过程,建立有限码长信源编码与无线信息更新系统模型,精准推导时间平均AoI与时间平均MSE的解析表达式。其次,分析了二者关于信源编码失真容限、超限概率以及信息传输速率的单调性与凸性。最后,设计了优化算法联合优化失真容限、超限概率与传输速率,通过最小化时间平均AoI与时间平均MSE的加权和同步提升系统时效性与保真度。仿真与数值结果验证了所提理论分析的准确性与优化算法的有效性。仿真结果表明,所提优化方案在传输功率为20 dB时,最高与最低失真容限方案相比,加权和性能提升约33.7%,且理论解析式与蒙特卡洛仿真的最大相对误差低于0.3%。
空间信息引导扩散的遥感图像领域自适应语义分割
梁燕, 李俊范, 邵凯, 胡林
, doi: 10.11999/JEIT260031
摘要:
为提高遥感图像域自适应语义分割Domain Adaptation Semantic Segmentation(DASS)的跨域适应效果,本文提出基于协同训练与空间引导扩散模型的域自适应语义分割框架Co-Training Spatial-Guided DASS(CoSG-DASS)。CoSG-DASS使用空间引导扩散模型构成图像翻译减少域间差异,并利用协同训练提升模型对目标域的自适应能力:在图像翻译阶段,设计新型空间信息引导扩散模型,通过向潜在扩散模型注入水平语义分布伪标签与垂直语义分布深度估计重构空间引导信息,实现源域到目标域的语义无偏转换。其中针对伪标签质量问题,提出基于熵的引导强度自适应模块,通过熵值筛选高置信度区域特征以抑制噪声干扰,有效提升跨域成像差异下的语义对齐精度;在协同训练阶段,提出融合深度信息与对抗损失的训练策略,通过增强多维知识表征缩减类内差异并增大类间差异,提升模型的跨域自适应能力。通过在三类典型遥感跨域差异任务(跨地理环境、跨成像模式、标签语义异质)中仿真验证,本文所提CoSG-DASS表现优异,相较于已有方法在平均交并比(mIoU)分别有1.14%、3.78%和2.49%的提升。
一种基于提示信息的SVP降维攻击
尹日升, 曹金政, 马永柳, 王洪, 程庆丰
, doi: 10.11999/JEIT251277
摘要:
基于容错学习(LWE)问题及其变体设计的密码算法应用十分广泛,如密钥封装机制Kyber、数字签名Dilithium等。事实上,LWE问题的秘密向量通常为短向量,因此将LWE问题规约到最短向量问题(SVP)是一种常见的求解思路。传统SVP的求解算法包括枚举、筛法以及格基约化算法等。随着侧信道攻击的引入,SVP的求解产生了一些新的思路。该文针对提示信息进行分析,提出了整数提示信息和带模提示信息下的SVP降维攻击方法。实验结果表明,降维攻击方法在实际中具有较强的可行性,能够有效扩展枚举和筛法的应用上界。
半无源智能反射面辅助的通感一体分布式高精度联合定位方法
黄逸, 熊朝锐, 唐小伟, 石运梅
, doi: 10.11999/JEIT251039
摘要:
智能反射面(IRS)辅助的通信感知一体化(ISAC)系统通过主动调控电磁波传播环境,为提升无线网络的通信与定位性能提供了创新途径。该文提出一种半无源IRS辅助的ISAC架构,通过在基站(BS)端与IRS端协同配置感知阵列,联合接收目标反射的正交频分复用(OFDM)信号,实现无需定位导频的高精度三维协作定位。针对该架构,该文提出两种协作定位算法,即基于参数解耦的两步定位法和基于联合优化的直接定位法。两步定位法分别采用空间平滑(SS)多信号分类(MUSIC)算法和改进的快速傅里叶变换(FFT)算法,独立估计反射信号到达各感知阵列的时延与到达角余弦值等信道参数,继而利用感知阵列和目标的空间几何关系解析目标位置;直接定位法基于最大似然(ML)准则,联合所有阵列的接收信号构建关于目标位置的目标函数,采用类牛顿法在目标空间进行高效搜索完成定位。所提方案借助感知信号,不仅无需额外导频开销,还能通过联合多个OFDM符号之间的信息提高定位精度。为进一步评估算法性能极限,该文推导了信道参数及目标位置估计的克拉美罗下界(CRLB),并开展了蒙特卡罗数值仿真实验进行验证。结果表明,直接定位法在定位精度上优于两步定位法,且在高信噪比条件下能够逼近CRLB。相比传统基于到达角(AoA)/到达时间(ToA)的定位方法,该文所提算法具有更好的定位精度和鲁棒性。
面向Cell-free架构的联合通信感知一体化波束成形与接入点匹配优化
方志玉, 夏晓晨, 许魁, 魏琛, 谢威, 叶子绿
, doi: 10.11999/JEIT250574
摘要:
通信感知一体化(ISAC)是未来6G的关键技术场景。区别于现有小区体制,基于Cell-free架构的ISAC系统需要对接入点(AP)的波束成形与AP-用户/目标匹配进行联合优化。针对上述问题,该文提出一种基于二进制无线电地图(BRM)的联合通信感知一体化波束成形与AP匹配优化方法。首先,利用BRM提供的环境信息对AP与用户/目标之间的信道进行预测,提供AP-用户/目标匹配所需的全局信道信息。在此基础上,建立基于ISAC满意度的优化模型,进而借助遗传算法设计了AP波束成形与AP-用户/目标匹配的迭代优化算法。仿真表明,相比于现有方案,所提方法能够有效提升Cell-free架构下系统的通信感知一体化性能。
面向动态特性的自动测试向量生成系统优化方法
严大鹏, 何其润, 郭京, 王泊宁, 蔡志匡
, doi: 10.11999/JEIT260025
摘要:
基于布尔可满足性的自动测试向量生成系统作为芯片故障检测的关键环节,系统效率受故障压缩策略、布尔可满足性建模策略及求解器传播能力共同制约,随着集成电路复杂度持续提升,其性能面临严峻挑战。该文提出一种面向自动测试向量生成系统的统一优化框架。构建检测点驱动的动态故障集,在保持可测故障覆盖完备性的前提下压缩待测故障规模。提出基于新型故障敏化约束的布尔可满足建模方法,通过显式敏化条件替代故障电路复制并约束于故障扇出锥内,减少合取范式变量与子句规模。引入面向扇出-重汇聚结构的动态蕴含学习,将结构相关性转化为增量蕴含以加强传播并提升冲突剪枝效率。实验结果表明,该方法能平均压缩故障集规模57.99%,子句和变量数开销平均降低11.44%和3.50%,平均将求解时间缩短22.43%,性能优于已有的测试向量生成系统。
星地融合网络中平衡QoS的服务放置与任务卸载联合优化
戴翠琴, 王泓运, 廖荣鹏, 陈前斌
, doi: 10.11999/JEIT251294
摘要:
星地融合网络通过协同调度地面网络与卫星节点的计算资源,为用户提供全域随遇接入的计算服务与多样化业务支持。针对星地边缘节点服务放置、云边端协同任务卸载、任务服务质量(QoS)的时延、安全性与隐私等级需求问题,该文提出一种平衡QoS的服务放置与任务卸载联合优化方案(BQSPTO)。首先,采用终端侧、边缘侧、云服务器协同的方式搭建星地网络模型,考虑任务密钥被破解的概率定义任务避免攻击概率,通过任务模式和位置隐私定义任务隐私等级,结合任务完成时延、避免攻击概率、隐私等级构建QoS评估模型。其次,根据任务流行度预测和服务迁移的方式设计星地边缘节点服务放置策略,根据QoS值判定卸载位置和多节点协作方式设计云边端协同完全卸载策略,基于星地边缘节点服务放置和云边端协同任务卸载策略,考虑通信资源与计算资源约束,以最大化总任务QoS值为目标完成优化问题建模。然后,将联合优化问题解耦为服务放置与任务卸载子问题,通过基于多维QoS非支配排序遗传的服务放置算法与融合鲸鱼与灰狼优化云边端协作的任务卸载算法分别解决子问题并进行交替优化完成方案求解。仿真结果表明,所提BQSPTO方案不仅能够有效提升服务放置与任务卸载总QoS值,而且能够保障任务的时延、安全性与隐私等级需求。
先验引导的时序融合多无人机协同避障航路规划方法
王傲, 李大鹏, 徐逸凡, 范炳阳, 韩光, 赵海涛
, doi: 10.11999/JEIT251231
摘要:
针对多无人机自主协同避障航路规划任务中,传统多智能体强化学习算法存在的收敛速度慢,无人机协同性不足等问题,该文提出一种先验引导的时序融合价值分解算法(PGL-QMIX)。该方法在离线阶段利用A星(A*)算法生成全局参考路径,并在在线决策中仅提取智能体感知范围内的局部路径片段与几何评分作为弱先验,引导个体策略在部分可观测环境下实现稳定探索与协同避障。同时,设计了双重长短期记忆网络(LSTM)架构,用于建模先验知识与实时状态的时序依赖关系。并对各无人机的动作价值函数进行动态加权融合与自适应优化,提升系统的环境适应性与多无人机协同的稳定性。实验结果表明,所提方法在三维栅格场景中,相较于同场景下次优结果,所提方法的收敛步数分别减少3.0%, 7.2%和7.4%,稳态任务成功率分别提升1.26, 4.41和8.12个百分点,平均航路长度分别缩短6.2%, 8.5%和10.0%,验证了该方法在多无人机自主协同避障航路规划中的有效性与稳定性。
面向数据库审计日志的抗量子门限签名方案
陈大江, 张奕文, 焦丽华, 汪白筝, 陈瑞东
, doi: 10.11999/JEIT251320
摘要:
随着量子计算的迅猛发展,数据库审计日志中常用的RSA, ECDSA等经典数字签名机制因依赖大整数分解与离散对数等难题而在Shor算法下面临失效风险,同时Grover算法对哈希函数及对称密码的攻击复杂度降低也进一步削弱了现有审计机制的长期安全性。为提升审计日志在云计算与大数据环境中的完整性与可追溯能力,有必要构建能够抵御量子攻击的审计签名体系。为此,该文采用抗量子密码学原理,以FORS少次签名与XMSS-T树型结构为基础构建量子安全签名层,结合Shamir门限秘密共享机制实现私钥的安全分发与分布式管理,并利用链式哈希结构确保日志在存储与传输过程中的不可篡改性。安全性分析表明,该机制在量子随机预言机模型下满足不可伪造性与机密性要求,并具备抵御量子攻击的能力。实验结果进一步验证了体系在高并发日志场景下保持较低签名延迟与稳定吞吐率,且在不同日志规模与消息大小下表现出良好的扩展性,适用于大规模分布式数据库审计环境。
处理器芯片安全综述
陈聪聪, 顾致扬, 张吉良
, doi: 10.11999/JEIT260026
摘要:
处理器芯片安全是信息安全的基石。长期以来,各种密码算法、应用程序和操作系统都以处理器作为可信基础。然而,随着摩尔定律的减缓,现代处理器在微架构设计中不断追求高性能和低功耗的目标,而忽视了安全性,导致近期安全漏洞频发。其中,以Meltdown和Spectre为代表的微架构时间信道漏洞备受关注,它们利用微架构状态变化引起的时间差异来突破基础的软硬件隔离,影响数10亿台主流CPU厂商的设备。此外,由于架构与微架构之间的界限变得模糊,催生了一系列新的攻击方式,使得时间信道从“硬件漏洞”发展为系统级安全问题。然而,现有文献主要基于硬件组件进行分类,掩盖了时序泄露的潜在共性,并限制了对软件信道分析的能力。该文对时间信道进行跨层综述,将基于硬件的和基于软件的泄漏统一在一个共同的抽象模型下。具体而言,我们首先分析了时间信道产生的4个基本条件,并根据核心泄露条件中共享可变状态的性质以及时间观测能力产生的机制将现有的软硬件攻击统一在一个分类模型下。基于该分类,该文全面回顾了近10年的攻击方法,系统地分析了它们的攻击步骤,并揭示了它们之间的共性。其次,基于阻断的泄露条件,对现有的防御技术进行分类,并指出防御的作用范围与失效原因。最后,总结了当前的自动化检测方法并对新兴平台下的时间信道安全研究与未来发展趋势进行了前瞻性的讨论。
无人机辅助动态权重边缘计算卸载策略研究
王义君, 王雅出, SHAHDBatool, 缪瑞新
, doi: 10.11999/JEIT260054
摘要:
针对无人机辅助移动边缘计算环境下计算资源受限、系统处理任务总开销过高问题,该文提出基于协同缓存自适应的分层多元宇宙优化(CCAH-MVO)算法优化卸载策略。首先,构建微云-边缘-本地3层网络架构,在无人机边缘服务器上预制缓存程序,采用细粒度部分卸载策略,并针对多无人机覆盖的终端设备制定无人机选择策略。然后,提出CCAH-MVO算法协同优化缓存、卸载和资源分配,并引入动态权重机制自适应平衡时延与能耗,得到最优卸载策略。仿真结果表明,所提策略的时延更优、能耗在裕度区内可控,综合性能优于基准卸载策略。
基于Mamba上下文感知细粒度融合的多模态情感识别
孙林慧, 成乐洋, 杨欣悦, 陈帅潼, 李平安, 邵曦
, doi: 10.11999/JEIT251307
摘要:
当前多模态情感识别方法大多在多模态交互过程中未能充分利用上下文信息,导致对细粒度情感差异的识别不够精准,从而影响了模型在复杂情感分析任务中的表现。为此,该文提出基于Mamba上下文感知细粒度融合的多模态情感识别方法(CA-FGMER-Mamba),该方法通过上下文建模、模态内细粒度筛选和模态间细粒度融合获取高区分度情感分类特征,实现了高质量的情感分类。首先,采用RoBERTa预训练模型对文本模态进行深度编码,采用OpenSMILE工具包提取音频特征并进行特征降维;其次,利用Bi-GRU上下文感知模块有效整合语音和文本模态的时序上下文信息。接着,引入Mamba状态空间模块重新校准语音和文本特征,动态调整不同时间步的特征权重,以突出情感表达的关键信息。在特征融合阶段,设计了细粒度融合策略,通过自注意力机制、高阶外积融合和跨模态交互调制,精细建模模态内与模态间的协同关系。最终,将融合后的特征通过分类网络进行情感预测。在IEMOCAP数据集和MELD数据集上的实验结果表明,CA-FGMER-Mamba方法在情感识别性能方面取得了显著提升,具有优秀的泛化能力和有效性。
面向上行通信的近场层析成像与坐标重构算法
尹澜诺, 王勇
, doi: 10.11999/JEIT250715
摘要:
面对日益增长的高带宽、低时延需求,6G网络技术正迅速发展, ISAC系统逐渐成为热门研究方向。环境重构作为该系统的核心环节,在实际应用中仍面临诸多挑战。本文针对以下三个问题进行了研究:(1) 在6G系统中,基站的密集部署使得建筑目标处于成像系统的近场区域,从而导致距离、方位和高度三个维度严重耦合;(2)由于终端的定位误差远大于信号波长,SAR成像中的自聚焦算法失效;(3)传统层析合成孔径雷达中各通道补偿的平动相位补偿不一致,在高度域聚焦过程中产生虚假目标。本文首先将逆合成孔径雷达成像中的非参数平动补偿方法用于单视复数图像生成,并基于双基SAR的成像场景推导出层析成像结果与目标真实空间坐标之间的数学映射关系,将坐标重构问题建模为非线性方程组,采用粒子群优化算法进行求解,实现对目标真实几何形状的精确恢复;其次,为了解决传统分通道处理中平动补偿不一致的问题,提出了一种联合相位校正的层析成像框架,可有效消除通道间的差异,显著提升了高度维聚焦效果和整体成像质量。仿真实验结果证明了本文算法的有效性。
稀疏自适应系统识别算法逆QR分解优化研究
彭弋, 张鹏飞, 王晓永, 高俊奇, 李长隆, 张志远, 孙天翔
, doi: 10.11999/JEIT250562
摘要:
传统稀疏正则化递归最小二乘算法 L1/L0 Norm Recursive Least Squares (L1/L0-RLS)在稀疏参数空间估计中展现出理论的优越性,已成为系统辨识和信道均衡领域的重要方法。但在有限数值精度条件下其协方差矩阵迭代计算过程易导致舍入误差逐次累积,诱发最小二乘解发散失稳现象。为解决该问题,本文提出基于逆QR分解(Inverse QR Decomposition, IQRD)框架的改进算法。该框架不仅有效抑制了传统正则化RLS算法中舍入误差的积累,而且省去了传统QR分解中权重系数回代的计算环节,从而显著提升了算法在有限精度环境下的数值鲁棒性与系统辨识效率。具体而言,本文首先系统构建了L1/L0约束逆QR分解架构下的L1-IQRD-RLS与L0-IQRD-RLS算法,通过理论推导得到了具有普适性的权重系数递推表达式,创新地将自动参数选择机制引入算法框架,解决了稀疏正则化参数的动态优化难题。为验证所提算法在稀疏约束与鲁棒性方面的效果,采用蒙特卡洛仿真实验对算法性能进行定量评估,结果表明L1-IQRD-RLS与L0-IQRD-RLS在系统稀疏表征、参数估计方差以及协方差矩阵条件数等关键指标上均展现出显著的性能优势。实测数据验证进一步证实,改进算法在精度受限环境下仍能保持数值稳定性,较传统方法鲁棒性显著提升。
高海况海杂波数据迁移学习生成方法
孙殿星, 刘新亮, 刘宁波, 丁昊, 于恒力, 宋光磊
, doi: 10.11999/JEIT250697
摘要:
高海况海杂波数据在雷达目标检测性能验证中需求迫切,直接生成具有良好时频特征的高海况海杂波数据难度大。针对这一问题,该文提出融合复数变分自编码对抗网络(Complex Variational Autoencoder Wasserstein Generative Adversarial Network, CVAE-WGAN)与迁移学习的创新框架。通过构建复数域深度架构,通过复数卷积核保留信号正交特性,结合幅度-相位注意力模块(Amplitude-Phase Attention, APA)增强时频特征提取,并引入复数残差块优化梯度传播。设计物理约束导向的损失函数体系,利用时频脊损失捕捉非平稳能量演化轨迹,通过多普勒频带损失强化雷达相干处理特性;提出基于Kullback-Leibler散度(Kullback-Leibler Divergence, KLD)的自适应迁移机制——在源域预训练后,对目标域动态解冻高分布差异层实现跨场景知识迁移。实验验证生成数据在四级海况幅度统计特性、时间相关性和时频特征上均高度逼近实测数据;迁移至五级海况(20%目标域样本)后,仍保持优异的幅度分布与自相关特性,时频物理特征还原能力接近源域水平。消融研究证实APA对相位-幅度联合建模起决定性作用,样本量敏感性测试表明方法在15%目标数据量下性能稳定。该框架通过复数域物理约束与自适应迁移的协同创新,显著提升小样本海杂波生成质量,为雷达抗干扰算法提供可靠数据基础,极端稀缺样本场景的适应性优化将是后续重点。
抵御虚假数据注入攻击的网络化微电网多层级韧性控制框架
黄煜, 曹正阳, 胡松林, 岳东, 陈永华, 颜云松
, doi: 10.11999/JEIT250850
摘要:
针对网络化微电网在高渗透可再生能源和开放通信环境下易受虚假数据注入攻击(FDIA)影响、导致频率失稳与通信拥塞的问题,本文提出一种“事件触发通信—攻击观测—深度强化学习补偿”的多层级一体化韧性控制方法。该方法设计了基于频率—积分误差的自适应事件触发机制以削减冗余数据传输,并构建径向基函数未知输入观测器(RBF-UIO)实现对FDIA的高精度检测与状态估计。在此基础上,引入双重回放Q学习(DRQL)开展在线补偿优化,实现攻击抑制与性能恢复。进一步,在典型4节点分布式微电网平台上开展仿真验证,结果表明:所提方法在显著降低通信事件数的同时,有效提升了频率恢复速度与稳态精度,保证了虚假数据攻击下的安全稳定运行。
图表示学习驱动的点云视频流自适应传输方案
刘威, 陈锐阳, 王希, 张嘉伟, 徐晶
, doi: 10.11999/JEIT251084
摘要:
针对点云视频流在带宽受限网络下面临的用户体验质量 (QoE) 保障难题,本文提出了一种融合视区预测与动态质量分配的QoE优化框架。为提升预测精度,设计了一种基于图表示学习的视区预测方案,通过显式建模用户在三维场景中的空间上下文与移动模式,并将学习到的空间先验知识与用户历史轨迹相融合,以提升六自由度 (6DoF) 视区预测的长期准确性。为实现智能分配,本文提出一种基于上下文赌博机的动态质量分配方案。该方案根据实时上下文信息,在带宽约束下为各空间切块自适应地分配质量等级,旨在提升长期累积QoE,保障用户体验。在公开数据集上的仿真实验结果表明,本文方案在视区预测精度和综合QoE上均显著优于多种基线方案,展现了优异的适应性与稳定性。
动态干扰下射频识别耦合认证的风险调控学习框架
吴海锋, 余文波, 曾玉, 杨江峰
, doi: 10.11999/JEIT251108
摘要:
动态干扰环境下,射频识别(RFID)耦合认证的物理层特征易受金属反射、多径效应影响,导致传统静态建模方法识别稳定性不足。针对此问题,该文提出风险调控学习识别框架(RMLIF),构建“风险感知-物理调节-特征重构-分类判定”的闭环机制。该框架创新性在于:(1)建立随机微分方程(SDE)信道模型,通过漂移项、扩散项与冲击项协同刻画动态干扰,证明解存在唯一性定理;(2)设计目标导向自适应风险(TDAR)调节算法,理论上保证风险指数单调收敛与扰动稳定性,等效实现分类边界间隔放大;(3)提出识别风险指数(RRI)与信干噪比(SINR)的指数映射关系,构建低维压缩特征空间,并推导出泛化误差界与样本复杂度界。基于通用软件无线电外设(USRP)N2000平台的实验表明,在无/小/中/大铜片干扰场景下,RMLIF识别准确率均达90%以上,较传统方法平均提升10%~20%,验证了理论分析的正确性与工程应用价值。
面向非圆信号的皮尔逊相关融合感知方法
赖华东, 林聪, 罗朋, 徐今强, 刘洺辛, 徐维超
, doi: 10.11999/JEIT251247
摘要:
针对传统圆信号频谱感知方案无法精确识别非圆信号的问题,该文提出一种皮尔逊相关系数驱动的融合感知方法。该方法通过实值复合表示形式捕捉非圆信号的2阶统计信息,并据此构建实值相干矩阵以获取接收天线间的皮尔逊相关强度。随后采用线性数据融合方法对不同天线间的皮尔逊相关系数进行加权叠加,并以偏因径系数为性能测度建立理论最优权重及其样本估计值,最终设计出无需依赖信道先验参数的非参量感知技术。通过分析平方皮尔逊相关系数和检验统计量的2阶特性及统计分布,建立虚警概率、感知阈值等关键指标的理论计算解析式。实验结果表明,所提方案相较于其他对比算法,在接收机工作特性(ROC)曲线、感知概率、偏因径系数和曲线下面积(AUC)等性能测度下均表现更优,尤其是在低信噪比环境中,其性能优势更为显著。
面向高分辨遥感图像的熵驱动自适应融合网络构建与场景分类研究
宋婉莹, 刘毓琛, 王杰, 王安义
, doi: 10.11999/JEIT251147
摘要:
高分辨遥感图像场景分类因复杂背景、多样成像条件及类内差异大等因素面临显著挑战,而传统卷积神经网络(CNN)方法在全局上下文建模方面存在局限,Swin Transformer在跨窗口特征交互、细粒度局部特征提取以及多层次特征自适应融合方面仍存在不足。针对上述问题,该文提出一种面向高分辨遥感图像场景分类的熵驱动自适应融合网络,主要创新与贡献概括如下:(1)设计注意力引导的区域筛选与特征优化模块(ASO),通过跨窗口稀疏注意力增强全局建模能力并筛选关键区域,结合递归优化强化局部特征表示,增强了模型跨窗口交互能力与细粒度局部特征判别性;(2)构建熵驱动门控融合模块(EGF),利用熵指导的门控机制对Swin特征、全局上下文与优化后的局部特征进行自适应融合,克服多层次特征简单融合易引入冗余的问题;(3)在AID与NWPU-RESISC45公开数据集上的实验表明,所提方法在分类精度上优于多种现有先进方法,展现出良好的鲁棒性与泛化能力。
面向船载低轨卫星通信终端的闭环反馈式自适应对星算法
陈浩天, 马紫娴, 谢信洪, 李娜雨, 李保珠, 宋春毅, 徐志伟
, doi: 10.11999/JEIT251324
摘要:
海上风浪扰动导致船舶与低轨(LEO)卫星间产生非线性相对运动,其复杂动态特性加剧了船载相控阵终端与星载相控阵终端间实现波束对准的技术难度,成为制约海洋低轨卫星通信稳定性与可靠性的关键瓶颈。针对船舶与低轨卫星构成的“动动通”通信场景,该文提出一种闭环反馈式自适应对星算法:采用块稀疏贝叶斯学习(block-SBL)算法实现基于粗糙网格的快速目标捕获,再通过自适应牛顿迭代法提升离网估计精度;在此基础上,将离网估计结果输入无迹卡尔曼滤波器(UKF),预测并补偿船体在算法处理时延内新产生的姿态偏差,最终形成捕获与追踪协同的闭环反馈式自适应对星算法。基于真实海况下28 000-DWT级散货船实测运动姿态数据的仿真结果表明,在高海况条件下,相较于现有的离网波达方向(DOA)估计算法,所提算法不仅能有效校准估计结果,其计算复杂度亦显著降低。
联合最大相关峭度解卷积与连续性约束的浅地层层界实时提取
孟新宝, 周天, 朱建军, 李铁, 王裴宏, 赵国庆
, doi: 10.11999/JEIT250727
摘要:
针对现有浅地层层界提取方法在在线应用中难以兼顾提取质量、虚警抑制与处理延迟的问题,该文提出了联合最大相关峭度解卷积与连续性约束的浅地层层界实时提取方法,并构建预处理、粗提取与精细提取的逐ping处理流程。预处理阶段采用带通滤波级联匹配滤波对回波信号增强,并对匹配滤波输出进行固定时延校正;粗提取阶段在多个切片步长下构造合成周期信号并应用最大相关峭度解卷积方法获得潜在层界序列,随后基于跨步长一致性对潜在层界进行筛选融合以抑制虚警;精细提取阶段引入层界连续性约束,对粗提取结果进行有效层界点的筛选、层界划分与曲线拟合修正,进一步抑制残余虚警并提高层界连续性。仿真结果表明,当回波信噪比高于–10 dB时,层界检测概率超过99.000%,虚警概率低于0.100%,层界定位误差约为1个样本点;实测数据处理结果显示,对不同层界的平均检测概率为91.833%,平均虚警概率为0.004%,平均定位误差约为10个样本点。仿真和实测数据处理均实现了海底表面和沉积层界的有效提取,验证了方法的有效性和实用价值。
一种面向安防监控视频编解码的跨精度运动补偿技术
姜伟, 马伟, 卢京辉, 张悦, 张韵东
, doi: 10.11999/JEIT251301
摘要:
在现代安防监控领域,高空球型摄像机因部署位置易受外部干扰,导致视频画面出现抖动、模糊等问题,严重影响监控效果与后期分析精度。视频压缩算法中,高精度运动补偿对提升编码效率至关重要,而当前的终极运动矢量表达(UMVE)技术存在精度和自适应调整不足等问题,图像配准编码模式(RCM)等虽能实现高精度运动补偿,但计算量和成本过高。针对这些问题,该研究提出了支持跨精度运动补偿的终极运动矢量表达技术(UMVE_CPMC),该技术融合基础运动矢量(BaseMV)与精细化微调运动矢量(MMV),通过构造扩展的升精度运动矢量(UPMV)提升运动补偿精度,且仅在1/8精度级别提供增量候选,实现计算复杂度与压缩效率的平衡。在步长自适应调整方面,提出6种模式的改进方案,编码器可根据场景灵活切换,以适应不同应用需求。实验表明,UMVE_CPMC在A类高清晰度运动场景下,编码增益显著,同时开启其他高精度运动补偿工具时,部分序列增益达1%–2%,在无其它高精度运动补偿工具时,部分序列增益超10%;在B类低清晰度场景下,通过帧级别自适应调整接口维持原有增益。此外,该技术在计算效率与资源占用间实现良好平衡,为解决高空球型摄像机视频编码问题提供了新的有效途径。
宽带EME通信信道的建模与特性分析
李诚谦, 钱骁伟, 胡小玲
, doi: 10.11999/JEIT251028
摘要:
地月地(EME, Earth-Moon-Earth)通信长期以来是业余无线电爱好者开展远程通信实验的重要方式。传统EME通信系统多以低速率、窄带体制为主,主要用于摩尔斯电码、单边带语音或窄带数字通信模式(如JT65、FT8等)。这类系统在频谱利用率和数据传输速率方面存在明显限制,难以满足更高传输速率和宽带通信的需求。本文面向更高速率的宽带场景,从大尺度衰落与小尺度衰落两个层面提出了一种较为完整的宽带EME信道模型。大尺度衰落方面,基于双站雷达理论,建立了适用于不同波束宽度和高增益天线条件下的雷达散射截面分布(RCS),并提出路径损耗的统一积分模型;同时,结合月球表面不规则地形特征分析了阴影效应的形成机制,并由此提出EME信道的阴影衰落模型。小尺度衰落方面,针对宽带系统中显著的时延扩展问题,结合月面散射特性,提出了融合准镜面反射与漫散射效应的分段式多径模型;同时进一步考虑地月轨道运动,系统构建了多普勒频移与扩展模型。数值分析表明,相比于传统路径损耗建模,所提路径损耗统一积分模型能够更加准确刻画窄波束引起的对月照射面积缩减及月表地形分布对链路损失的影响。仿真结果显示,宽带场景下存在的严重多径扩展导致现有均衡方案几乎失效,严重制约通信性能。相比之下,多普勒效应变化缓慢、扩展较小,现有校正算法能够有效补偿其影响,对通信性能的制约相对较弱。
QoS保障的车辆切片定价与接入控制策略
崔亚平, 张峰, 吴大鹏, 何鹏, 王汝言, 汪盼
, doi: 10.11999/JEIT251219
摘要:
随着车辆业务需求的多样性和波动性,车辆网络切片应用面临异构资源分配复杂、QoS保障难度高等挑战。针对上述问题,本文提出了一种基于车辆QoS服务需求的双层切片定价机制,其核心创新在于突破现有研究单一资源优化或独立定价的局限。在第一阶段设计切片生成机制,通过联合调度通信、计算与缓存三维资源,解决传统仅优化频谱或计算资源的不足;第二阶段构建基于Stackelberg博弈的切片定价机制,实现“资源预分配-动态定价-切片接入”的双层耦合控制。仿真结果表明了所提出方案在提升系统利润方面的优势。
一种跨网络层深度特征融合的雷电电磁信号诊断识别方法
宋琳, 杨俊, 曹伟, 赵子琪, 宁远, 王文静, 张其林
, doi: 10.11999/JEIT251134
摘要:
由于人类活动产生的电磁干扰与真实的雷电电磁脉冲信号在时域和频域上高度混叠,如何高效、准确地区分雷电电磁信号与非雷电电磁信号,已成为雷电监测预警及灾害防御领域的关键问题。针对雷电电磁信号与人为干扰信号在波形形态上高度相似、对其诊断识别难度大的问题,本文提出了一种基于多尺度残差卷积与不同网络层特征融合相结合的深度神经网络模型CNN-LSTM (Convolution Neural Network and Long-short Term Memory),用于雷电与非雷电电磁信号的二分类任务。通过多尺度残差网络模型逐层提取探测设备接收到的电磁波中的多维度特征,将各卷积层输出的时域特征按照网络层深度的次序,构建为一个跨网络层的时域特征序列,并输入长短期记忆网络(LSTM)中进行自适应加权融合,该机制利用LSTM对序列信息的建模能力,学习不同层级特征的相对重要性,而非建模原始波形的时间动态。实验结果表明,所提诊断识别方法在真实雷电观测数据集上表现出优异的分类性能:其对雷电电磁信号的识别精确率达到100%,召回率为99.82%,F1得分为99.91%,整体准确率达99.89%。与多种经典基线模型相比,本文提出的CNN-LSTM模型不仅能高效地识别出雷电样本,还能显著降低对非雷电干扰信号的误报率。此外,消融实验进一步验证了CNN网络在局部特征提取以及 LSTM 在跨层特征融合中的关键作用,证明了所提出架构的合理性与有效性。
面向铁路双无人机协同巡检轨迹优化的多智能体强化学习方法
黄高勇, 宋俊, 方旭明, 闫莉, 何蓉
, doi: 10.11999/JEIT251321
摘要:
传统的铁路人工巡检和轨道车巡检方式存在效率低下、劳动强度大、存在安全隐患等问题,难以满足未来铁路智能化运维需求,而现有单无人机巡检方案在铁路保护区限制下存在覆盖盲区、数据同步性差等局限。为此,该文以任务质量最大化为目标,提出一种基于深度强化学习的双无人机协同巡检轨迹优化方法。为了解决能耗、避障、通信和编队保持等多重约束条件之间的耦合问题,该文构建了双无人机协同巡检优化模型,并设计了一种两阶段分层求解框架。第一阶段采用粒子群优化(PSO)算法为各巡检任务确定最优协同观测位置;第二阶段构建基于多智能体深度强化学习的轨迹优化模型,引入风险自适应探索噪声以提升强约束环境下的训练收敛稳定性,并提出一种改进的多智能体双延迟深度确定性策略梯度(MATD3)算法进行求解。仿真结果表明,相较于多种基准算法,所提方案在双机协同巡检场景下,无人机飞行路径长度缩短了约4.5%,累计能耗降低了8.9%,双机协同到达时间差缩短了30.3%,有效提升了复杂环境下的铁路巡检任务完成质量。
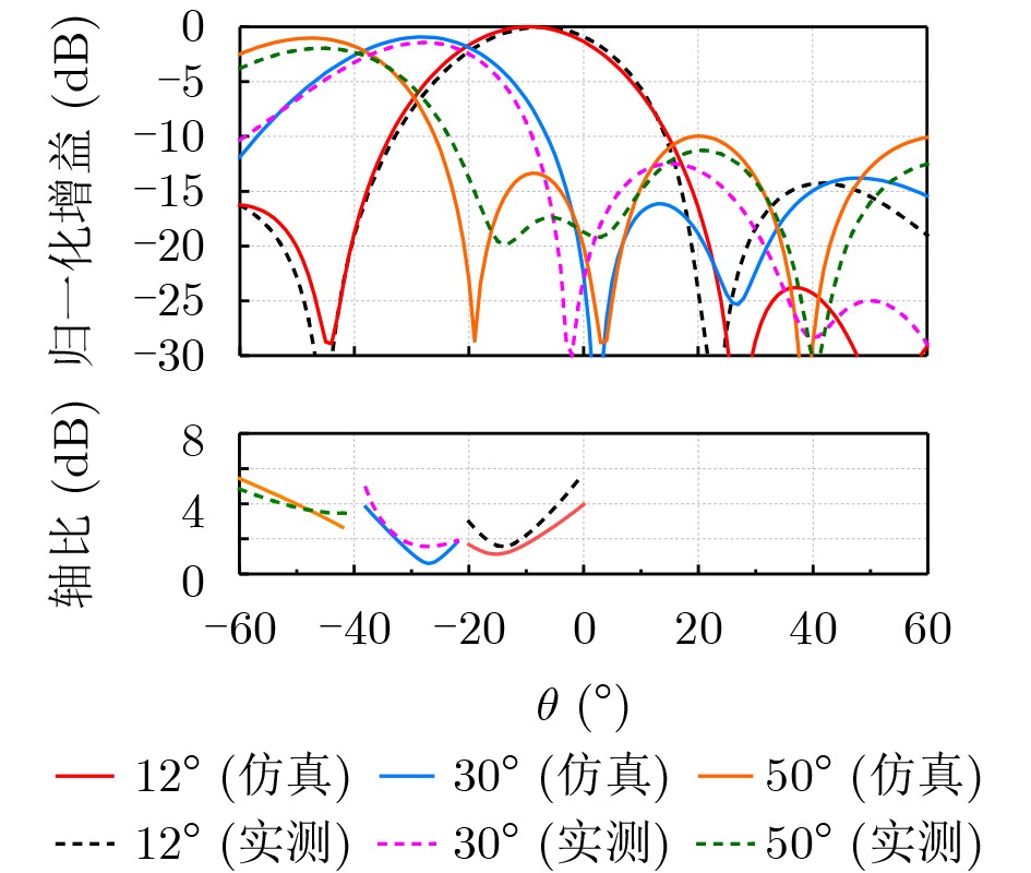
一种用于甚高频探测雷达的超宽带低剖面偶极贴片天线
田玉晓, 张锋, 马章郡, 王嘉诚, 纪奕才
, doi: 10.11999/JEIT260105
摘要:
该文提出一种具有超宽带(UWB)性能和低剖面特征的偶极贴片天线。天线的偶极贴片层采用Gielis曲线形状的金属结构,通过曲折技术减小了天线的横向尺寸。在辐射层末端加载金属短路壁并与接地面连接,共同形成背腔,从而提升了天线的增益。为进一步优化性能,设计了人工磁导体(AMC)单元,并在辐射贴片下方布置AMC阵列。该结构不仅改善了阻抗匹配,还显著降低了天线的剖面高度。此外,在贴片末端加载吸收电阻,进一步改善了电压驻波比(VSWR)。对天线模型进行了加工,并在暗室中测量,仿真与测量结果表明,在电尺寸仅为0.38λL × 0.18λL × 0.07λL(其中λL对应最低频率工作波长)的情况下,该天线实现了100~366 MHz的带宽,并表现出良好的定向辐射特性,峰值增益达6 dBi。
基于语义关系增强的自适应图表示学习下一个兴趣点推荐
王琢璐, 徐胜华, 王勇, 蒋顺顺
, doi: 10.11999/JEIT251357
摘要:
针对现有基于图表示学习的下一个兴趣点推荐方法无法有效平衡不同域的节点分布、未充分考虑异质关系之间的特征差异等问题,该文提出基于语义关系增强的自适应图表示学习下一个兴趣点推荐方法(SR-GRL)。该方法利用兴趣点(POI)、POI类别、区域3种类型实体构建异构转移图,设计自适应平衡随机游走算法进行跨域节点采样,通过跳跃和停留动态平衡不同域上的节点分布,避免采样序列偏向于局部结构。然后建立类型感知注意力机制捕捉不同类型节点之间的语义关联关系形成POI解耦表示,有效区分了不同类型节点间的特征差异。在此基础上,结合自注意力机制聚合用户行为的时序偏好特征,通过Softmax函数实现下一个POI推荐。3个真实数据集上的对比实验结果表明,SR-GRL方法相比于其他对比方法具有更好的推荐性能。
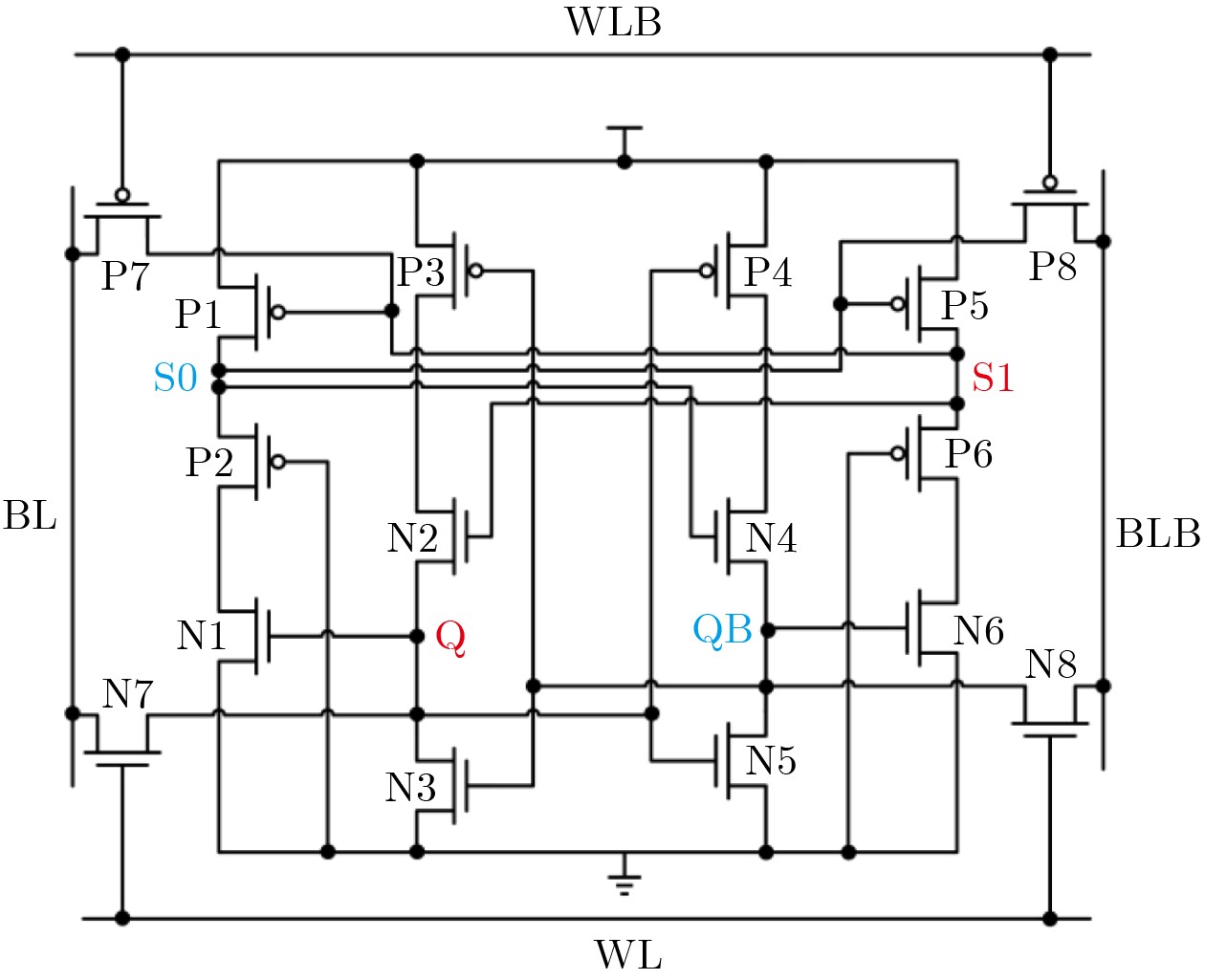
面向高速读写需求的宇航级抗辐射静态随机存储器加固单元设计
蔡烁, 帅威, 胡星, 梁鑫杰, 黄珠, 余飞
, doi: 10.11999/JEIT251287
摘要:
随着CMOS工艺微缩,静态随机存取存储器(SRAM)在宇航级场景下面临严峻辐射可靠性挑战,且现有抗辐射加固(RHBD)结构难以兼顾高抗辐射能力与高速读写访问性能。为此,该文提出一种面向高速读写需求的宇航级抗辐射SRAM单元RFWF16T。该结构通过双源隔离机制,将敏感节点缩减至2个;同时,通过构建对称的反馈回路,该单元实现了100%的单节点翻转自恢复与83.3%的双节点翻转自恢复。为突破传统加固结构的速度瓶颈,RFWF16T利用短反馈路径与低阻抗电压泄放回路,在28 nm工艺下实现了20.97 ps的读访问时间与2.72 ps的写访问时间,其读写速度相比其他8种同类典型加固结构分别平均提升了46.65%和14.77%。蒙特卡罗与工艺角-电压-温度实验表明,该结构在宽扰动范围内具有强鲁棒性,并在综合电气质量度量评价中表现最优。结果表明,RFWF16T在保证高抗辐射能力的同时有效解决了读写速度瓶颈,具备工程应用潜力。
基于\begin{document}$ \mathbb{F}_{{q}^{2}}^{*} $\end{document}的循环子群的极大距离可分码和近极大距离可分码的构造
杜小妮, 薛婧, 乔兴斌, 赵紫薇
, doi: 10.11999/JEIT251204
摘要:
极大距离可分(MDS)码和近极大距离可分(NMDS)码因其具有良好的代数结构和纠错能力,在通信系统、数据存储和秘钥共享方案等领域有广泛的应用。该文利用偶特征有限域\begin{document}$ {\mathbb{F}}_{{{q}^{2}}} $\end{document}的乘法群\begin{document}$ \mathbb{F}_{{q}^{2}}^{*} $\end{document}的循环子群\begin{document}$ {U}_{q+1} $\end{document},构造了几类码长为\begin{document}$ q+3 $\end{document}的MDS码和NMDS码,并运用\begin{document}$ {U}_{q+1} $\end{document}的性质,确定了所构造码的参数和重量计数器,利用Magma 程序举例验证了结论的正确性,另外,计算了NMDS码的最小局部度,得到了几类最优的局部修复码。特别地,所构造的码均是关于Griesmer界的最优码。
一种微型化SSVEP脑机接口系统
蔡雨, 王俊洋, 姜传力, 罗睿心, 吕正超, 于海情, 黄永志, 钟子平, 许敏鹏
, doi: 10.11999/JEIT251223
摘要:
脑机接口(BCI)正从实验室走向日常应用,其发展的核心瓶颈在于如何在不依赖笨重设备和同步线缆的前提下,实现高性能的脑电采集。现有无线系统难以在同步精度与系统微型化、无硬件束缚之间取得兼顾。为此,该文研制了一种采集端微型化且无需同步线缆的稳态视觉诱发电位(SSVEP)脑机接口系统。该系统采用分布式微型节点架构,将重量仅3.7 g、体积仅为3.05 cm3的微型采集节点隐蔽佩戴于头发间。在无需专用同步硬件、仅使用少量电极、且在非屏蔽普通室内环境下,搭建了40指令的在线SSVEP解码系统。结果显示,系统达到了(95.00±2.04)%的识别准确率与(147.24±30.52) bits/min的峰值信息传输速率。该研究为开发真正可穿戴的下一代脑机接口提供了可行的系统级解决方案。
混合网络攻击下车辆队列的无模型自适应弹性控制
韩乔妮, 马建国, 李鹏, 左志强
, doi: 10.11999/JEIT251135
摘要:
随着智能交通系统的快速发展,网联车辆队列作为其核心组成,在提升交通效率、行车安全性和能源利用率方面展现出巨大潜力。通过车辆间的信息交互与协同控制,车辆队列能够实现安全高效跟驰。然而,通信网络的开放性和脆弱性,使得车辆队列容易受到网络攻击的威胁,如拒绝服务 (DoS) 和虚假数据注入 (FDI) 等攻击。这些攻击可能导致信息中断或篡改,严重威胁车辆队列系统系统的安全性和稳定性。针对网络攻击下网联车辆队列的弹性控制问题,该文研究由DoS和FDI构成的混合攻击下基于攻击补偿的无模型自适应控制方法。首先,建立异构非线性纵向车辆动力学模型,并构建DoS与FDI共存的混合攻击模型。然后,分析混合攻击对伪梯度参数估计器的影响,设计DoS攻击期间的估计器更新策略,并构建基于历史控制输入信息的攻击补偿机制,以提升DoS攻击下的控制效果。理论分析表明,系统跟踪误差在混合攻击下可实现有界性。仿真实验验证,所提方法有效保障了非线性车辆队列在混合攻击下的跟踪性能。
融合特征提取与恢复机制的SCUNet瑞利衰落信道译码算法
王磊军, 王宽, 谢晋发, 彭栖栋, 黎嘉文, 陈荣军
, doi: 10.11999/JEIT251138
摘要:
人工智能的快速发展为无线通信系统性能的优化和提升提供了新思路。针对瑞利衰落信道下常规深度神经网络(DNN)译码算法性能受限的问题,该文提出一种融合特征提取与恢复机制的SCUNet译码算法,记为SCUNetDec。该网络设计中融入了数据预处理、特征提取与恢复以及噪声水平图3方面机制:首先通过升维操作将一维信号映射为二维特征图,以挖掘更丰富的结构信息;继而利用特征提取与恢复模块削弱维度转换中产生的不相关干扰,从而提升译码效果;同时引入噪声水平图,使网络能够更敏锐地感知和建模信噪比的变化,进一步增强在复杂信道环境下的适应能力。仿真结果表明,SCUNetDec在瑞利衰落信道下的误码性能优于常规神经网络译码方法,接近传统最优译码算法,且同时具备更快的译码速度。
多尺度时空群组建模与扩散生成的多模态行人轨迹预测
孔祥燕, 高玉龙, 王钢
, doi: 10.11999/JEIT250900
摘要:
针对行人轨迹预测中多模态特征捕捉不足及群体动态关系缺失的问题,该文提出了一种新颖的多模态行人轨迹预测框架——MSGD (Multi-Scale Spatio-Temporal Group Modeling and Diffusion)。首先利用多尺度时空特征,准确构建多尺度时空群体;其次,设计时空交互三元组编码机制,对个体—邻居—群体的时空关系进行联合建模,兼顾局部交互细节与全局动态结构,提升对群体行为演化的表征能力。最后利用扩散模型的逆过程在生成阶段逐步减少可行区域内的不确定性,最终生成多样、合理且逼真的目标轨迹。该文在3个公开数据集(ETH, UCY和NBA数据集)上对所提出的方法进行了广泛评估,并与当前最先进的方法进行了比较。实验结果表明,MSGD框架在预测性能方面取得了显著提升,具体表现为平均偏移误差(ADE)和最终偏移误差(FDE)指标的显著改善,展现了其在建模复杂行人行为方面的有效性。
多接入边缘计算网络中动态资源感知与任务卸载方案设计
张冰雪, 李希胜, 尤佳
, doi: 10.11999/JEIT250640
摘要:
工业物联网中,多模终端应用需求的复杂和多样性对使用边缘计算卸载任务提出了更高的要求。多接入边缘计算网络的灵活切换为多模终端应用提供了更高效任务处理方案的机会,如何在工业无线局域网与5G公网协作系统中,在异构网络资源分配约束下,设计网络选择机制,以及使用公网资源的额外成本开销条件下,用户任务卸载方案制定,成为降低用户任务执行成本,提高任务卸载量与执行效率的关键挑战。该文研究了面向多模终端的多接入边缘计算网络中,任务卸载与网络选择的联合优化问题,建立了基于拍卖模型的系统成本优化模型,根据异构网络通信资源与边缘服务器计算资源的动态分配变化,提出了基于拍卖机制的动态资源感知与任务卸载算法,设计终端用户任务卸载机制与异构网络节点匹配,最小化系统成本开销,提高任务执行效率及用户服务体验。通过仿真实验证明,该算法机制对比基准算法能够降低至少5%~15%系统成本开销,并能够平均提高10%的任务卸载数据量比例,有效提高多模终端任务处理效率。
车联网中采用混合分层DRL的无人机辅助移动边缘计算
杨淼焱, 方旭明
, doi: 10.11999/JEIT250743
摘要:
针对车联网中无人机辅助移动边缘计算场景下,基于深度强化学习的时延优化方法因车辆规模增大导致动作空间维度爆炸、训练效率低的问题,该文提出一种无人机辅助移动边缘计算的双层混合优化方案。首先,通过联合优化任务卸载、计算与通信资源分配以及无人机飞行控制,构建满足飞行与能耗约束条件下最小化系统计算任务总时延的模型。其次,该文通过双层算法结构将深度强化学习与贪婪算法相结合,提出混合分层深度强化学习(Hybrid Hierarchical Deep Reinforcement Learning, HHDRL)算法对问题求解,以降低训练复杂度并加快收敛。仿真结果表明,该算法在保持时延性能接近传统深度强化学习算法的同时,提升了收敛速度。
多航天器远距离轨道博弈的多智能体深度强化学习策略
邸鹏, 尹增山, 林政, 姚晔
, doi: 10.11999/JEIT251384
摘要:
针对多航天器轨道追逃博弈问题,本文介绍了一个新颖的研究场景,该场景尚未得到系统研究。为了增强航天器的决策能力,使其在复杂的多智能体博弈中制定更加稳健的策略,本文提出一种基于渐进式对抗训练框架的多智能体深度强化学习算法求解各航天器的博弈策略。并且设定两组不同轨道特性的算例和多种不同的仿真条件进行模拟验证,以及通过行为偏差分析验证策略的鲁棒性。分析不同轨道特性、仿真条件和行为偏差对各航天器的博弈策略的影响。仿真结果表明,本文所提出的方法可以使每个航天器都能制定出有效的博弈策略,策略满足所有设定的约束条件和具有良好的鲁棒性。
受阻塞RIS辅助的多用户多径毫米波系统联合信道估计与诊断
李双志, 刘聪, 王宁, 韩刚涛, 郭新
, doi: 10.11999/JEIT260093
摘要:
针对受阻塞无源可重构智能表面(RIS)辅助的多用户毫米波上行链路通信系统,研究了信道估计与阻塞诊断问题。现有研究多聚焦于单用户或单路径场景,该文重点解决多用户多路径共存下的估计难题。通过充分挖掘多用户级联信道的稀疏性与路径间的相关性,提出一种低复杂度的两阶段联合估计与诊断策略。第一阶段选取目标用户,利用高斯-逆伽马先验对阻塞向量的稀疏性进行建模,结合贝叶斯压缩感知技术迭代恢复信道参数与阻塞信息;第二阶段则利用所有用户共享RIS-基站信道且受相同阻塞影响的关键特性,构建公共信道矩阵,以估计其余用户的信道参数。仿真结果表明,所提方法能实现高精度的信道估计与可靠的阻塞诊断。
面向感知与AI协同任务的无人机巡检多维资源联合优化算法
李侍阳, 朱晓荣
, doi: 10.11999/JEIT251284
摘要:
针对在无人机感知与故障检测并发场景下,无人机巡检过程中任务复杂,带宽、算力、功率等多维资源调度困难的问题,该文提出一种面向感知与AI协同规划的智能无人机巡检多维资源联合优化算法。首先提出一种单无人机与多个计算节点之间联合协同完成多个任务的框架,在无人机与多个边缘计算节点协同工作的系统框架下,无人机在巡检点采集图像与传感器数据,并将其分批传输至多个节点进行分布式处理,完成飞行状态感知与故障检测任务,最终形成了以无人机系统能耗最小化为目标,带宽、功率、算力、节点选择、数据量和压缩率为变量的最优化问题。针对该问题,将原优化问题分解为4个子问题,分别采用双辅助混合整数线性规划(MILP)转化、数据驱动边界学习、基于逐次凸逼近(SCA)的带宽功率联合优化和下界解析分配等方法进行求解,并通过交替优化策略实现整体优化,并进行了复杂度分析。最后仿真结果表明,与其它先进算法相比,所提方法在时延、能耗、精度方面具有更优的性能。
潜在扩散模型驱动的航空时序图像生成方法
商钰滢, 侯英妍, 刘子楠, 卢宛萱, 黄宇鸿, 王逸潇, 于泓峰, 付琨
, doi: 10.11999/JEIT260165
摘要:
航空对地观测在环境监测、灾害预警和城市规划等领域发挥着关键作用。然而,受限于飞行平台续航能力、任务窗口时效性等现实约束,所获取的航空图像往往难以完整刻画地表的长期演化过程。尽管预训练扩散模型在图像生成领域展现出巨大潜力,但其在航空领域的应用仍面临严峻挑战。一方面,航空观测易受天气及飞行条件制约,高质量的长时序标注样本获取困难,难以支撑模型的有效训练;另一方面,航空平台飞行高度灵活多变,地物尺度跨度大,使得文本描述语义难以与多尺度视觉特征精确匹配,进而引发语义-视觉对齐偏差问题。为应对上述挑战,本文提出了一个用于航空时序图像生成的免训练框架(ASTIG)。该框架首先利用视觉语言模型构建航空时序地表演变描述,并引入动态语义分解过程将复杂的时序描述转化为帧级视觉提示,为推理阶段提供细粒度的语义引导。随后,创新性地提出了一种语言绑定策略,在扩散模型的交叉注意力机制中建立文本中关键地物与对应视觉属性的显式关联,从而增强模型对语义特征的捕捉能力。最后,集成时序锚点注意力机制,利用双参考帧约束确保主体与背景在帧间的时序一致性,有效抑制帧间的时序内容偏移问题。定性和定量实验结果表明,本方法在时序连续性及语义保真度上均优于基线模型,为航空时序图像生成提供了新范式。
无蜂窝大规模MIMO系统中面向长期能效的功率分配与接入点开关控制
魏思奇, 郭凤谦, 崇保林, 成果, 卢汉成
, doi: 10.11999/JEIT260014
摘要:
无蜂窝大规模多输入多输出(CF-mMIMO)系统通过密集部署接入点(AP)显著提升了频谱效率。然而,海量AP的持续激活会带来巨大的能量开销,尤其在低业务到达率场景下,这种能量浪费在长期来看将显著削弱系统的能量可持续性。为此,该文提出一种基于李雅普诺夫理论的动态资源调度策略。该策略构建了功率分配与AP开关控制的联合优化模型,利用李雅普诺夫理论将原随机优化问题分解为一系列逐时隙的优化问题,在保障队列稳定性的前提下,将每个时隙内的优化问题分解为功率分配和AP开关控制两个子问题,并采用交替优化算法求解,从而实现对网络状态及业务流量波动的自适应资源配置。仿真结果表明,相较于无AP开关控制方案,本文所提方案在功率放大器效率\begin{document}$ {\xi }_{m}=0.38 $\end{document}\begin{document}$ {\xi }_{m}=0.45 $\end{document}的条件下,分别实现了至少13.81%和17.49%的长期能效增益,同时在业务流量动态波动条件下具有较快收敛速度,并在非完美信道状态信息(CSI)下仍能维持系统性能,表现出良好的鲁棒性。
舰船与漂浮目标混合场景下的识别方法研究
丁昊, 栗奥, 曹政, 刘宁波, 王国庆, 孙殿星
, doi: 10.11999/JEIT251119
摘要:
在雷达海上探测场景中,当舰船与漂浮目标处于同一距离单元中,形成信号混叠的混合体目标时,如何实现混合体中单个目标的准确识别,当前仍未得到有效解决。针对该问题,该文提出一种基于模态重构与时频域差异特征的海上目标识别方法。不同于将混合体目标整体处理的传统思路,该方法采用变分模态分解(VMD)有效分离混合体中的多普勒通道,针对虚假模态和目标信息碎片化表达问题,提出基于能量约束的模态滤波方法和基于频谱一致性的模态聚类方法,实现多目标场景下回波模态重构处理。在此基础上,分别从图像层面和数据层面出发,提取微多普勒频率全变差(VF)和主多普勒通道等级熵(REDDC ) 两个识别特征,对目标的微多普勒和混乱度差异进行量化表征与联合识别。结果表明,所提算法在2~4级海况条件下对混合体中各目标的平均识别准确率达97.32%,整体性能优于已有方法。
动态视觉中针对运动微小目标检测的长短时融合脉冲神经网络
李淼, 张恒, 陈诺, 石杨思, 何诗曼, 安玮
, doi: 10.11999/JEIT250785
摘要:
动态视觉机制具有数据冗余低、事件采样频率高等优点,是远距离光电监视系统的理想探测方式,但其中的目标表现为稀疏事件流中的运动微小目标,针对常规有形态目标的方法难以适用。针对此问题,该文受类脑处理中的第3代神经网络启发,结合动态视觉机制的异步感知和脉冲表征特点,设计针对运动微小目标的长短时融合脉冲神经网络。针对目标形态扩散性,设计脉冲Swin Transformer模块,以脉冲自注意力机制自适应学习微小目标与相邻时空像素的关联性;针对目标运动连续性,对ConvLSTM神经元进行脉冲化建模,形成适应事件数据的脉冲ConvLSTM模块,自动学习长时域中的运动信息;并结合脉冲金字塔模块等结构,融合双链路多尺度特征,实现了从极其有限表层特征中挖掘高维度深度特征。基于实测数据测试表明,该文设计方法针对运动微小目标的召回率可达95%以上,消融实验验证了增加长时域特征学习模块并利用更长时间的事件数据,可有效提升性能。
利用扩展卡尔曼动态编码的智慧航道系统船舶定位安全保护
唐风建, 闫霞, 孙泽仪, 朱钊伟, 杨文
, doi: 10.11999/JEIT250846
摘要:
随着智能航运系统的快速发展,船舶定位数据在无线传输过程中面临严重的隐私泄露风险。传统隐私保护方法如差分隐私和同态加密存在数据失真、计算开销大或依赖高成本通信链路等问题,难以在保证数据完整性的同时实现高效防护。本文针对船舶稳定系统的特点,提出一种基于时间扰动增强的动态编码方案。该方案结合扩展卡尔曼滤波(EKF),在编码过程中引入不稳定的时间扰动项,利用接收方对发送方发出的信息进行确认这一机制(ACK反馈)实现参考时间同步,并利用共享随机种子独立生成同步的扰动项。理论分析与仿真实验表明,该方案能够在合法接收方实现近乎零精度损失的状态估计的同时,使窃听者在单次丢包后解码误差随时间呈指数增长趋势,有效阻断单通道与多通道窃听攻击。方案采用共享随机种子同步机制,避免了复杂的密钥管理,显著降低了通信与计算开销,适用于资源受限的海上无线传感器网络环境,为船舶安全定位提供了有效保障。
无人机集群全域时间同步的时隙聚合与拓扑聚合模型研究
王振岭, 陶海红, 魏海涛, 王正勇
, doi: 10.11999/JEIT251274
摘要:
无人机(UAV)集群能够实现单平台无法完成的复杂任务,各节点之间的精密时间同步是无人机集群完成资源调度、协同定位以及数据融合的重要基础。随着UAV集群规模越来越大,UAV集群编队飞行中节点之间的时间比对链路连通性具有明显的时变特性,对连续、可靠的高精度时间同步实现提出了挑战。面向UAV集群全部节点的领导跟随一致性时间同步(LFCTS),该文提出观测时隙聚合(OTSA)模型和时变拓扑聚合(TVTA)模型,并进行了误差建模与仿真分析。OTSA模型通过系统时间同步周期内多个时隙同步样本的有效利用,可有效提升全局时间同步的鲁棒性和时间同步精度,实现的同步精度优于2.56 ns,性能优于传统的分时比对同步体制。TVTA模型通过跨周期时间同步链路状态聚合和中继节点多跳时间同步措施,能够实现集群起飞集合、队形变换过程中的连续时间同步,典型的大规模集群全局同步的预测精度可优于8.60 ns,并基于小规模UAV集群飞行试验验正了模型的鲁棒性。所提方法能够为无人机集群的复杂协同应用提供必要保障。
采用球面几何引导和频域增强SAM的360°全景图像显著目标检测
陈晓雷, 申玉杰, 钟智华
, doi: 10.11999/JEIT251254
摘要:
分割一切模型(SAM)作为通用分割大模型,在多类二维视觉任务中展现出强大迁移能力,但原生SAM主要针对2D平面图像设计,缺乏对360°全景图像球面几何特性的建模能力,难以直接应用于360°全景图像显著目标检测(360° SOD)。为了将SAM应用于360° SOD并解决其不足,该文提出一种采用球面几何引导和频率增强SAM的360° SOD网络,具体包括多认知适配器(MCA),受人类视觉感知机制的启发,通过引入多尺度、多路径特征建模提升全景图像的上下文感知能力;球面几何引导注意力(SGGA),利用球面几何先验缓解等矩形投影中的畸变与边界不连续性;以及空频域联合感知模块(SFJPM),结合多尺度空洞卷积与频域注意力,增强全局与局部信息的协同建模,提升360° SOD性能。该文在现有的两个公开360° SOD数据集(360-SOD, 360-SSOD)上进行了大量实验,结果表明,所提方法在客观指标和主观结果上的表现均优于现有的7种代表性2D SOD方法和7种360° SOD方法。
滤波正交频分复用系统中的降复杂度主动干扰抵消算法
陈浩, 闻建刚, 邹园萍, 华惊宇, 盛彬
, doi: 10.11999/JEIT251172
摘要:
滤波正交频分复用(f-OFDM)使用子带滤波器对不同子带进行了有效隔离,实现了子带参数的灵活配置和异步传输,但代价是引入了一定量的固有干扰,尤其是由于子带的带外辐射(OOBE)而导致的子带间干扰(ITBI),造成了系统性能下降。因此抑制子带的OOBE对于降低ITBI,提升f-OFDM系统性能具有重要作用。该文根据f-OFDM的系统结构特点,构建了f-OFDM中的降复杂度主动干扰抵消(CRAIC)优化模型,并设计了对应的数域转换和类型转换方法,将CRAIC的优化模型转化为2阶锥规划问题进行了求解。该文还通过计算机仿真对所提CRAIC算法进行了验证,仿真结果显示,该文提出的CRAIC算法可以有效降低f-OFDM子带的OOBE,从而降低对相邻子带的ITBI,提高其性能。此外,该文还对消除子载波(CCs)个数、参与生成CCs的数据子载波个数,以及带外目标抑制频点个数等主要参数对CRAIC算法性能的影响进行了仿真分析,从功率谱密度、误码率等角度揭示了f-OFDM中CRAIC算法参数设置的内在特性。
面向异构AIGC服务的通算存资源协同优化策略
吴梦如, 高羽, 赵波, 徐波, 孙浩, 郭磊
, doi: 10.11999/JEIT251300
摘要:
在智能物联网(AIoT)中,边缘服务器可以通过利用存储的人工智能生成内容(AIGC)模型向AIoT设备提供智能服务。然而,边缘服务器的计算能力和模型存储容量有限,难以支撑大规模的模型存储以实现异构AIGC服务。针对此问题,该文基于AIGC服务的异构性,将AIGC服务划分为请求轻量型、计算密集型以及预处理型,并提出一种云边协同与边边协同相结合的通算存资源优化方案。该方案协同云计算与边缘计算的优势,在考虑边缘服务器计算和存储资源限制的基础上,联合优化AIoT设备和基站的发射功率、计算资源分配、AIGC模型部署及服务请求决策以最小化AIGC服务总时延。由于所构建的优化问题是一个混合整数非线性规划问题,因此设计了一种基于交替优化的算法,该算法将问题分解为3个子问题,并分别采用连续凸逼近方法、卡罗需-库恩-塔克条件和改进的哈里斯鹰算法进行求解。仿真结果表明,所提方案具有较快的收敛速度,并且与基准方案相比能够降低AIGC服务总时延。
融合多尺度频域适配器和双路注意力的时序预测
杨真真, 徐奕, 万成业, 杨永鹏
, doi: 10.11999/JEIT251188
摘要:
现有的主流时序预测方法在多尺度建模与频域特征提取方面,难以协同应对数据中复杂的周期性模式与局部动态变化,导致无法充分捕获关键时序特性。针对此问题,该文提出一种基于多尺度频域适配器和双路注意力(MFADA)的时序预测方法。该方法采用多尺度频域适配器(MFA)自适应提取时序数据的关键频率成分,获得其全局周期性先验。此外,还通过多尺度双路注意力(MDA)机制,将频域先验嵌入时序与特征两条路径,实现跨粒度的动态协同建模,以增强对时序数据复杂演化规律的刻画能力。实验结果表明,所提MFADA在8个公开时序数据集上显著超越现有主流预测方法,在预测精度与计算效率方面均取得优异表现,验证了提出的“频域引导-时域协同”框架的有效性和优越性,为复杂时序任务提供了新思路和解决方案。
融合扩散模型的超声成像算法研究
袁野, 黄民尚, 杨伟锋
, doi: 10.11999/JEIT251083
摘要:
针对超声成像分辨率低及易受伪影干扰问题,该文提出基于扩散模型(DM)的U-DM超声成像质量优化方法。通过构建差值训练机制与解剖结构引导策略,结合改进型U-Net网络架构实现多尺度特征融合,建立从含噪超声数据到高质量图像的映射关系,进而生成高质量超声图像。基于PICMUS数据集的实验结果表明,该文提出的U-DM方法在噪声抑制与结构保持方面显著优于UNet和UNet-GAN等方法,能有效消除人工伪影并恢复解剖细节,其图像重建质量达到临床诊断要求。相较于生成对抗网络(GAN),该文提出的融合扩散模型的超声成像方法展现出更稳定的训练特性和更优的泛化能力,克服了模式坍塌等固有问题,为突破超声成像质量瓶颈提供了新途径。
针对完整性攻击的信息物理系统双通道联合编码检测
莫小磊, 曾维鑫, 富佳伟, 窦克勤, 王言伟, 孙希明, 林思达, 隋天举
, doi: 10.11999/JEIT250729
摘要:
信息物理系统(CPS)完整性攻击针对系统数据流发起攻击,破坏输入输出数据一致性,由于其攻击方式多变、隐蔽性强的特性,较其他CPS攻击在检测及防护上更为困难。为此,该文提出一种控制-输出双通道的数据加性-乘性联合编码检测方案,旨在检测完整性攻击并在3种典型攻击上进行验证,包括控制通道偏置攻击、输出通道重放攻击以及双通道隐蔽攻击。完整性攻击通过部分或全面系统信息的获取及掌控可使卡方检测器检测值小于阈值,从而实现对CPS系统“隐形”。为此,该文方案创新性地在通道两侧布置加性正负水印对以及乘性编码/解码矩阵对,未知信号及部件的引入为攻击者带来了信息不确定性,使残差统计特性偏离其期望数值。此外,水印对与矩阵对之间通过不同机制实现了解耦,其正负或互逆形式使得无攻击时不影响系统的控制性能,并且以时变形式防止攻击者对其重构。最后,通过计算推导出引入该文方案后3种攻击前后残差统计特性的变化,并以飞行器飞行轨迹仿真为例,说明方案的有效性和先进性。
正交时频空间系统非零酉矩阵预编码的高峰均功率比抑制理论与方法
曾俊龙, 蒋占军, 刘浩翔, 张华卫, 李翠然
, doi: 10.11999/JEIT250888
摘要:
正交时频空间(OTFS)调制虽然能够有效对抗高速移动通信场景中的多普勒频移,但仍存在高峰均功率比(PAPR)问题。既有OTFS框架多采用常模酉矩阵预编码,在不牺牲误码率(BER)的前提下能兼顾一定的PAPR抑制效果,然而常模约束压缩了可设计维度,使得进一步抑制PAPR成为瓶颈。为此,该文首先将OTFS常模酉矩阵构造推广到更一般的非零酉矩阵预编码,并在混合与谱衰减等条件下证明了非零酉矩阵的理论是多种OTFS变体保持优异BER性能的原因。此外,该文将扩展理论表述为含酉性与均匀性约束的PAPR最小化,以CVX获得近似最优基准,并提出基于交替方向乘子法(ADMM)的高效算法以克服CVX的复杂度瓶颈。仿真结果表明,该框架能够实现约2.7\begin{document}$ \sim $\end{document}3.1 dB的PAPR降低,且所提ADMM算法将单帧计算时间缩减至CVX的1/1 000,并能通过参数调节在PAPR与BER性能之间实现有效平衡。
小波变换与注意力双路融合的虚拟现实晕动症脑电检测模型
陈玥池, 化成城, 戴志安, 付景琦, 朱敏, 汪秋宇, 严颖, 刘佳
, doi: 10.11999/JEIT251233
摘要:
虚拟现实晕动症(VRMS)指在虚拟现实(VR)环境中用户因前庭-视觉信息失调引发的严重眩晕,该症状阻碍沉浸式VR技术应用和推广。该文提出一种小波变换与注意力机制协同的双路融合模型(WTATNet),通过解耦VR运动刺激暴露后的休息态脑电(EEG)的时空特征,为VRMS的客观检测提供新方法。该模型分为两条支路,支路1对EEG时间维和导联维进行二维离散小波变换计算出小波系数,再将小波系数送入卷积层进行特征提取。支路2则是EEG经过一维卷积层滤波后,依次利用通道注意力模块和导联注意力模块强化通道维与导联维的关键特征。最后将两支路的特征融合并进行分类。该文使用VR游戏《超级滑翔翼2》诱发受试者的VRMS并记录他们在任务前后的休息态EEG评估WTATNet模型的性能,最终实现对受试者休息态下眩晕脑电与非眩晕脑电的分类。该模型对VRMS的识别准确率、F1-score、精确率和召回率(10折交叉验证的平均值)分别为98.39%, 98.39%, 98.38%和98.40%,优于目前的先进的EEG识别模型。结果表明所提方法可对VRMS进行检测,并用于进一步研究VRMS的产生因素和治理方法,对优化VR系统具有一定的指导意义。
DGCN-MFW:一种面向毫米波雷达三维点云的轻量化人体动作识别网络
丁轩宇, 靳标, 张贞凯
, doi: 10.11999/JEIT251087
摘要:
毫米波雷达三维点云能精准捕捉人体动作的空间变化细节,为动作识别提供了强鲁棒性的数据源。然而,点云固有的无序性与稀疏性限制了特征提取效率,传统方法难以有效建模其局部与全局的空间依赖关系,导致识别精度受限。为解决上述问题,该文提出一种基于动态图卷积与多特征融合的轻量化动作识别网络。该网络核心包含3个模块:(1)动态图卷积模块,通过动态构建局部邻域图结构,自适应学习鲁棒的点云特征,减少动作过渡阶段的误判;(2)多尺度特征融合模块,分层聚合局部细节与全局上下文信息,增强空间表征与行为理解能力;(3)自适应帧加权模块,依据信息熵与数据可靠性为不同时序帧分配权重,聚焦关键时序片段。在公开数据集mmWave-3DPCHM-1.0上的实验表明,所提方法对TI与Vayyar数据集上的平均识别准确率分别达到98.32%与99.48%,且仅需2.06 M参数量与4.51 GFLOPs计算量,在识别精度与模型轻量化方面均优于现有主流方法。
虚假数据注入攻击下融合高阶容积卡尔曼滤波与长短期记忆网络的配电网动态状态估计
许大星, 苏磊, 韩鹤乔, 王海伦, 张恒, 陈博
, doi: 10.11999/JEIT250805
摘要:
配电网动态状态估计是保障电力物理信息系统安全稳定运行的关键技术,但系统的强非线性、高维特性及虚假数据注入攻击(FDIA)严重制约了其精度与安全。针对上述问题,该文提出一种融合高阶容积卡尔曼滤波(HCKF)与长短期记忆网络(LSTM)的动态状态估计方法。首先,建立基于混合量测的配电系统状态估计模型,并利用HCKF通过高阶容积点生成策略提升对强非线性高维配电网的状态估计精度;其次,结合加权最小二乘法(WLS)与HCKF的状态估计值,基于残差分析实现FDIA的快速检测;最后,当检测到FDIA时,利用LSTM模型对受攻击节点的量测数据进行时序预测与重构,修正状态估计结果。在IEEE33节点配电系统上的实验表明,在无FDIA时基于HCKF的动态状态估计算法对电压幅值和相角的估计精度高于现有方法。在FDIA场景下,验证了基于残差分析的攻击检测方法、基于LSTM的量测数据预测,以及所提动态状态估计算法的有效性。
精确饱和模型引导的SAR饱和干扰抑制方法
段伦豪, 陆星宇, 谭珂, 刘宇双, 杨建超, 余静, 顾红
, doi: 10.11999/JEIT251283
摘要:
合成孔径雷达(SAR)极易受到射频干扰(RFI)的影响。相关学者针对SAR干扰抑制已经开展了深入的研究,并提出了一系列干扰抑制算法。然而,目前大多数算法并未考虑到SAR接收机发生饱和的影响。实际上,当干扰功率较大时,SAR接收机非常容易发生饱和,使受干扰回波产生非线性畸变,导致饱和干扰与当前干扰抑制算法的模型失配。目前仍缺少能够精确描述饱和受干扰回波特性的数学模型以及饱和干扰抑制方法。为此,该文首先提出了精确饱和干扰分析模型,并验证了该模型在分析饱和干扰幅相信息时的准确性。基于该模型,提出了一种能有效缓解饱和干扰的抑制方法。首先,基于干扰基波大功率特性通过特征子空间分解来提取基波;然后,利用谐波与基波的相位关系,构建涵盖目标回波、干扰基波、干扰谐波以及互调谐波的综合完备字典;最后求解稀疏优化问题,完成饱和干扰的分离与抑制。通过实测数据验证,并与其他抑制方法进行对比,验证了所提方法在应对饱和干扰时的有效性。
通过遗传算法优化和低成本计算机数控制造实现跨频带隐身的全金属超表面
张明, 张娜娇, 李佳磊, 李康, VazgenMELIKYAN, 杨琳, 侯卫民
, doi: 10.11999/JEIT251080
摘要:
该文通过单一材料平台集成宽带微波散射(7.4 GHz带宽)与被动红外抑制,为跨波段隐身提供了一种解决方案,克服了传统隐身材料同时兼顾微波吸收与热管理之间的设计挑战。该文提出一种新型全金属随机编码超表面,实现了跨波段隐身功能,兼具微波频段雷达散射截面(RCS)缩减和红外隐身效果。该超表面整体采用铜结构,通过计算机数控(CNC)加工制造,相比传统复合材料设计,消除了界面脱层的风险。同时,其单一材料构造使其能够同时调控微波散射特性和红外辐射特性。该结构通过遗传算法优化相位分布后,在11\begin{document}$ \sim $\end{document}18.4 GHz频段(73%带宽)内实现了超过10 dB的RCS缩减,在14.7 GHz频点处的最大抑制效果超过15 dB,相关结果已通过仿真和微波暗室测试验证。该全金属结构在8\begin{document}$ \sim $\end{document}14 μm红外波段展现出超过99.9%的红外反射率,且通过商业红外成像仪热成像实验证实其被动红外隐身能力,显示出在多光谱隐身应用中的潜力。所制造的原型结构尺寸为150×150 mm2,包含10×10的单元阵列,在最大达60°的线极化斜入射角下仍保持良好的结构稳定性,验证了其在贴合式应用中推广的可行性。
格基后量子密码双域可重构多项式乘法运算单元架构研究
陈韬, 赵旺鹏, 别梦妮, 李伟, 南龙梅, 杜怡然, 付秋兴
, doi: 10.11999/JEIT250929
摘要:
多项式乘法作为格密码算法的核心运算,通过快速数论变换(NTT)/快速傅里叶变换(FFT)设计成多项式乘法架构能够降低计算复杂度,提升格密码算法的运算速度。为支持多参数的多项式乘法运算,并提升多项式乘法的运算速度,该文提出一种双域可重构多项式乘法运算单元架构。首先基于Kyber, Dilithium和Falcon算法中的参数特征,提取多项式乘法的运算网络,并对内部双域乘法运算在算法层进行优化设计。其次,基于多项式乘法运算网络设计出双域可重构多项式乘法运算单元架构,并对双域可重构乘法单元进行优化设计以提升运算速度。最后,为提高运算单元架构的资源利用率,该文对多项式乘法运算单元架构进行并行度分析,当支持1路64 bit、2路32 bit或4路16 bit的运算时,多项式乘法运算架构的面积效率最高。该文在Xilinx FPGA xc7v2000tflg1925上进行实验验证,能够支持Kyber, Dilithium和Falcon算法中所有多项式乘法运算,工作频率达到169 MHz,面积时间积降低了50%以上。
一种抵抗信号注入式攻击的智能超表面辅助密钥生成机制
杨立君, 汪昊旻, 诸天成, 吴蒙
, doi: 10.11999/JEIT251281
摘要:
该文针对智能超表面(RIS)辅助下的密钥生成技术,从攻击与防御双视角开展研究。首先,基于攻击方视角提出了一种改进的联合密钥推测攻击策略,主动窃听者可结合注入信号和信道空间相关性进行联合密钥推测,显著加剧密钥生成过程的安全威胁;其次,从防御方视角提出了一种利用RIS随机化信道的抗注入式攻击密钥生成方案,合法用户通过调控RIS,在每个探测回合中主动随机化信道状态信息,迫使窃听者无法有效实施信号注入式攻击,从而降低密钥泄露风险并抑制密钥推测概率;进一步地;推导了该方案合法信道密钥容量和窃听信道密钥容量的理论表达式,定量分析了信噪比和窃听信道功率占比对合法信道密钥容量和窃听信道密钥容量的影响。仿真结果表明,相比现有方案,所提方案在克服准静态场景信道变化缓慢的基础上,提升了密钥生成系统的安全性。即使窃听者增大注入信号功率,窃听信道的密钥容量也呈现基本不变的趋势,有效抵御了信号注入式攻击的威胁。
时频域多尺度信息交互策略的单声道语音分离方法研究
兰朝凤, 杨国涛, 陈英淇, 郭小霞
, doi: 10.11999/JEIT251340
摘要:
针对现有基于注意力机制的单声道语音分离模型在多尺度特征交互与时频信息融合方面的不足,该文提出一种融合时频域信息的多尺度注意力模型(MSA-TF)。该模型通过构建时频融合模块与多尺度交互分离器,引入频带分裂、动态门控与交叉注意力机制,实现时域与频域特征的高效互补;并借助跨尺度残差连接与自适应池化策略,促进全局语义与局部细节之间的双向流动,从而增强对语音信号中长短时依赖的联合建模能力。利用信号失真比(SDR)、尺度不变信噪比(SI-SNR)评价指标,在WSJ0-2mix和Libri-2mix数据集进行实验测试。研究表明,MSA-TF在WSJ0-2mix数据集上,测试结果相较于Conv-Tasnet基线模型在SI-SNR上平均提升2.3 dB,在未训练的Libri-2mix测试集上,泛化性能与在该集上训练的基线性能相当。由此可见,该文方法能通过提取不同尺度下的时域信息与频域信息进行互补与融合,促进全局语义与局部细节建模,获得更好更具泛化性的分离结果。
基于联邦学习的多站雷达信号智能分选算法
叶成基, 谢坚, 张兆林, 王伶
, doi: 10.11999/JEIT251355
摘要:
针对多站雷达信号分选面临的传输受限、数据安全以及站间非独立同分布导致的泛化能力差等问题,该文提出一种基于联邦学习的多站协同分选方法。首先,构建了中心化联邦分选架构,设计了本地时序模型,通过双向长短时记忆网络与残差连接的结合,有效捕捉了脉冲序列的时序信息,在核心集上实现了超过96%的分选性能。其次,针对站间数据异构性问题,提出参数解耦与近端正则的站间聚合策略,有效缓解模型漂移。仿真表明,所提方法在扩展集上的F1-Score达到83.75%,较FedAvg算法提升了3.86%。在70%高脉冲丢失率或杂散干扰等极端场景下F1-Score保持在75%以上,表现出优异的鲁棒性。同时该方法将全周期通信总量降低了92.60%,实现了高效、鲁棒的多站分选处理。
动态尺度感知驱动的多无人机协同3D目标检测方法
段淑靖, 王智睿, 成培瑞, 付琨
, doi: 10.11999/JEIT251378
摘要:
多无人机协同三维目标检测是低空智能感知领域的核心技术,鸟瞰图(BEV)特征表征范式为该任务提供了全局空间一致性支撑。但在实际应用中,受遥感图像目标尺度小、分布稀疏等特性影响,现有基于Transformer的BEV感知方法因采用全图同质化特征处理策略,会造成大量计算资源浪费,或者容易丢失小目标的精细特征,难以实现计算效率与检测精度的平衡。针对上述问题,该文提出一种适用于多无人机协同场景的动态尺度感知检测网络,核心思路是通过尺度差异化特征处理机制,实现计算效率与检测精度的协同优化。为此,设计两个核心创新模块:动态尺度感知BEV生成模块(DSBG)与自适应BEV特征协同聚合模块(ACFA)。其中,DSBG模块基于各无人机的特征图目标分布情况动态感知生成多分辨率BEV特征;ACFA模块对多分辨率BEV特征进行自适应加权融合,生成全局一致的协同BEV特征,再输入检测解码器完成目标预测。实验结果表明,所提网络在AeroCollab3D和Air-Co-Pred两个多无人机协同仿真数据集上均表现优异,平均预测精度(mAP)分别达到64.0%和80.6%,相较于其他先进方法分别提升1.5%和7.2%;同时计算成本最大降低41.6%,实现了计算效率与检测精度的高效平衡。
参数灵活的二维格雷-零相关区阵列集构造方法
王美悦, 刘涛, 陈晓玉, 李玉博
, doi: 10.11999/JEIT251360
摘要:
二维(2D)格雷-零相关区(Golay-ZCZ)阵列集在多输入多输出(MIMO)全向传输系统中具有潜在的应用前景,例如用于预编码矩阵、相控阵天线和声源阵列。然而,针对其构造研究的现有文献仍较为有限。该文分别基于2D多变量函数和级联法提出了3种2D Golay-ZCZ阵列集的构造方法,构造的阵列集具有灵活阵列尺寸和大的零相关区。与已有文献相比,本文所构造的阵列集在阵列尺寸和零相关区宽度方面不再局限于2的幂次形式,因此能够获得现有文献中没有的新参数,阵列集参数更加灵活,同时可将已有结果作为特例包含在内。
PSAQNet:面向真实失真无参考图像质量评价的感知结构自适应质量网络
贾惠珍, 赵宇轩, 傅鹏, 王同罕
, doi: 10.11999/JEIT251220
摘要:
针对无参考图像质量评价方法在真实场景中存在鲁棒性不够、泛化能力不足、几何结构建模欠缺的问题,该文提出一种基于感知结构自适应质量网络(PSAQNet)方法。首先,利用预训练卷积神经网络(CNN)提取多尺度特征,并通过高级失真增强模块对多分支特征进行门控筛选与适配,突出与失真相关的区域、抑制无关干扰;其次,引入通道感知自适应核卷积与空间引导卷积,从通道重标定、自适应采样以及空间引导调制等角度增强对旋转、扭曲等几何退化的建模与对齐能力;接着,将增强后的多尺度卷积特征经自适应池化与投影转换为token序列,并通过交叉注意力机制与Transformer全局表示进行选择性交互,实现局部细节与全局语义的有效融合;最后,在融合过程中结合分组卷积注意力进一步强调失真显著区域,通过预测头回归得到图像质量分数。在6个经典的数据库上进行实验结果显示,PSAQNet在皮尔逊线性相关系数(PLCC)/斯皮尔曼秩相关系数(SRCC)等相关性指标上优于多种代表性无参考图像质量评价方法。尤其在复杂失真和跨数据库测试中展现出更强的鲁棒性与泛化能力。
面向物联网场景的大模型驱动数据合规检测方法
李超豪, 王浩然, 周少鹏, 闫皓楠, 张峰, 鲁天阳, 习宁, 王滨
, doi: 10.11999/JEIT250704
摘要:
随着《中华人民共和国数据安全法》、欧盟《通用数据保护条例》(GDPR)等国内外法规条例的逐步施行,数据合规检测成为规范数据处理活动、保障数据安全、保护个人与组织合法权益的重要手段。然而,物联网场景下异构设备数据冗长多变、非结构化、内容模糊等特点加剧了数据合规检测的难度,导致传统规则匹配方法容易产生大量的误报。针对上述挑战,该文提出一种新型面向物联网场景的大模型驱动数据合规检测方法:第1阶段,基于全量规则库,利用快速正则匹配算法高效筛查出所有潜在违规数据,并输出结构化初步检测结果;第2阶段,利用大语言模型进行语义级合规复核,设计差异化分类检测策略,针对不同违规类型构建基于思维链与少样本提示融合的增强提示词,用于减少规则差异性与语义模糊性带来的错误结果。该文采集了52种物联网设备的日志与流量数据,形成共计55 080条原始违规检测数据,并在8个主流大模型底座以及不同影响设置参数上开展对比实验。研究结果表明原有仅第1阶段基于规则匹配的检测方法在真实物联网环境下误报率为64.3%,而经第2阶段大模型驱动的复核检测后降至6.9%,且大模型自身引入的错误率控制在0.01%以下。
一种轻量且高可靠的APUF激励生成策略
兰国豪, 张辉, 多滨, 王梓斌, 周让, 李冬芬
, doi: 10.11999/JEIT251073
摘要:
仲裁物理不可克隆函数(APUF)作为轻量级安全原语,已广泛应用于身份认证和密钥生成等安全场景,但其响应一致性易受温度、电压等环境因素干扰,导致同一激励在不同条件下产生不一致响应,严重降低应用的可靠性。针对现有基于硬件改进和激励筛选的APUF可靠性提升方案普遍存在资源开销大、效率低的问题,该文提出一种基于延迟差异约束的激励生成策略(DCGS),旨在提升资源受限场景下APUF的可靠性。该策略首先利用逻辑回归模型建模APUF的路径延迟特性,构建延迟权重向量;随后通过前缀比特初始化与逐位扩展机制构造激励,实时控制生成激励的延迟差介于设定阈值区间,最终直接生成具有高可靠性和高随机性的激励序列,无需额外候选激励筛选环节。仿真结果表明:DCGS生成的激励在实际应用面临的最大噪声强度下,可靠性仍保持100%,响应均匀性达50.02%,唯一性达50.46%,且生成1万条高可靠激励仅需0.017秒,在可靠性提升效果、分布均匀性、唯一性和生成效率四方面均优于基准方案。该策略无需增加硬件开销,能显著增强APUF在复杂环境中的适用性,适用于物联网节点、嵌入式设备等多类资源受限设备的双向认证和密钥生成场景。
非侵入式连续运动控制脑-机接口技术综述
许敏鹏, 贾乐怡, 周晓宇, 陈恩泽, 王俊洋, 肖晓琳, 明东
, doi: 10.11999/JEIT260011
摘要:
脑–机接口(BCI)在外部设备运动控制中的应用不断拓展,但以离散指令为主的控制方式难以满足连续控制与自然交互的需求,非侵入式连续运动控制BCI因兼具安全性与可推广性而受到广泛关注。本文系统综述了非侵入式连续运动控制BCI的研究进展,从控制范式、解码方法、应用场景及评价指标等方面进行了综合分析,重点讨论了连续控制实现机制及其对系统性能的影响。综述结果表明,非侵入式连续运动控制BCI已由早期概念验证任务逐步拓展至多类实际应用场景,但在范式优化、解码性能提升、真实场景适配和评价标准完善等方面仍有待进一步发展。本文在此基础上对相关研究进行了归纳总结,并对未来发展方向进行了展望,为非侵入式连续运动控制BCI的进一步研究与应用提供参考。
可旋转天线辅助的近场宽带通感一体化系统混合波束赋形设计
徐洪波, 莫明辉, 辛为, 王树立, 王骥, 李兴旺, 郑乐
, doi: 10.11999/JEIT260023
摘要:
针对通信感知一体化(ISAC)系统在近场宽带场景下存在的近场效应与波束分裂挑战,该文提出一种可旋转天线(RA)辅助的系统架构。通过引入天线视轴可调的旋转自由度并结合真时延器(TTD)全连接混合波束赋形结构,构建了以最大化系统和速率为目标的联合优化模型。针对模型的高度非凸与强耦合特性,提出一种基于罚函数的全数字逼近(PBFDA)优化算法,通过将原问题分解为三个子问题并采用交替迭代方式进行求解:第一个子问题利用粒子群(PSO)方法优化天线指向;第二个子问题结合降维技术与连续凸逼近(SCA)方法求解最优全数字波束赋形器;第三个子问题运用流形方法与块坐标下降(BCD)法协同优化混合波束赋形参数。仿真结果表明,该方案能在保证感知性能的前提下显著提升系统和速率,性能优于传统固定天线架构且接近全数字方案。该研究验证了RA辅助架构在近场宽带ISAC场景中的有效性,为系统能量聚焦与频率鲁棒性提升提供了新思路。
利用停滞感知概率重排的三模冗余表决器插入算法
刘兆婷, 刘鹏
, doi: 10.11999/JEIT250825
摘要:
状态同步技术是三模冗余(TMR)抗辐照加固的关键环节,用于故障后保障寄存器同步到正确状态。该文提出一种降低资源开销的三模冗余同步表决器插入算法,算法通过提取数字电路的记忆电路和求解有向图反馈顶点集问题(DFVSP)实现。该文分析了模拟退火算法(SA)解决DFVSP的具体实现,在此基础上提出一种利用停滞感知的概率重排优化方案,方案的重排序过程通过引入优先级的拓扑排序实现,并增加了一种最优邻域策略来提高算法性能,同时设计了该优化SA算法用于三模冗余同步表决器插入的完整流程,证明了算法高效性与完备性。最后使用ISCAS89和ITC'99基准测试电路进行测试,并与基于关键路径的插入算法和最高扇出触发器算法进行了对比,测试结果说明了该文优化方案在算法运行速度、鲁棒性和硬件开销方面更有优势,尤其是硬件开销,在所有测试电路中均得到了最小同步表决器插入数量,对比其他两种算法最高资源的减少量分别达到了78.88%和74.05%,大幅节约了硬件开销。
面向人脸识别可信应用的隐私保护计算研究综述
袁霖, 武雁尚, 张力元, 张玉书, 王楠楠, 高新波
, doi: 10.11999/JEIT251063
摘要:
该文聚焦人脸识别生态,系统梳理了面向人脸识别可信应用的隐私保护计算研究进展。首先,概述了人脸识别系统的基本架构与流程,剖析非授权采集、信息泄露、梯度泄露、成员推理、人脸重建及非授权识别等关键隐私风险。随后,围绕数据变换、分布式、图像合成和对抗扰动四类主流隐私保护范式,解析加密计算、联邦学习、频域学习、特征模板保护、合成图像训练、身份保持匿名化、虚拟身份识别、差分隐私、重建攻击防御与对抗性隐私保护等十类代表性技术。最后,展望未来研究方向,包括隐私保护计算的效率提升、生成式大模型带来的新机遇与挑战、新型识别范式的构建以及标准化评估体系的建立。该文旨在为可信人脸识别研究提供系统性参考,推动其在信息物理系统中的安全与可信应用,进一步强化个人信息保护。
ReXNet:融合不确定性量化与可解释性的空天安全可信框架
刘壮, 陈雨然, 张嘉桐, 蒋雨静, 汪旭晖
, doi: 10.11999/JEIT251159
摘要:
随着空天地一体化网络日益发展,成为国家战略前沿,其深度融合的卫星遥感、导航定位和通信应用,均对人工智能的可靠性与透明度提出了严苛要求。特别地,空天信息系统面临着物理层、网络层到应用层的复合式安全挑战,在这些高风险敏感性场景中,发展高稳健性与可信度的智能检测技术已成为当务之急。为应对这一挑战,该文提出一个新颖的可信人工智能框架ReXNet。该框架深度整合了不确定性量化与可解释人工智能技术,并允许灵活替换骨干模型,以适配多样化的空天安全任务。通过在入侵检测、故障诊断及广播式自动相关监测(ADS-B)注入攻击等空天地3层典型安全场景数据集上的实验验证,ReXNet框架在保持高精度异常检测性能的同时,能有效量化预测置信度、识别模型知识边界外的未知样本,并为决策提供逻辑一致且可追溯的归因解释。该框架的模块化与灵活性创新,为解决人工智能在安全关键系统中的应用瓶颈提供了有效的技术路径。通过系统性地提升模型的可靠性与透明度,该研究旨在推动智能检测技术在空天安全领域的应用范式从追求单一的“高精度”向兼顾“高可信”转变,显著增强了其场景适用性与整体可信度。
深度学习图像分类模型因果特征学习研究综述
王晓东, 蒋玲, 李晖晖, 王布宏
, doi: 10.11999/JEIT250738
摘要:
因果特征学习(CFL)是深度学习图像分类模型实现因果推断的重要途径。该文系统综述了深度学习图像分类模型因果特征学习的研究与进展。首先,给出了因果推断相关概念定义及其统计学实现方法。其次,从前向、反向、横向3个角度介绍了面向深度学习图像分类模型的相关性分析方法。然后,根据深度学习图像分类模型因果特征学习的不同实现,分类归纳了因果特征发现、因果特征效应评估、因果表征学习、伪相关剔除4类方法。最后,在总结深度学习图像分类模型因果特征学习现状基础上对未来研究进行了展望。
低深度轻量化S盒的优化实现
冯子曦, 刘玉鹏, 窦国威, 刘承乐
, doi: 10.11999/JEIT250690
摘要:
在轻量级密码领域,S盒作为核心非线性组件,其硬件实现的面积与电路深度优化始终是轻量级密码研究的热点。公开文献针对小规模S盒硬件实现占用资源、电路深度的优化等进行了大量研究,取得了很多优秀成果,能够对规模不大于5 bit的S盒给出面积或电路深度优的实现方案,现有针对小规模 S 盒硬件实现的研究多以面积最小化或电路深度最小化为单一优化目标,对两者之间的协同优化工作较少。该文从面积与电路深度协同优化的角度出发,构建了一个深度为\begin{document}$ k $\end{document},宽度为\begin{document}$ w $\end{document}的电路模型,在给定面积约束的条件下,采用可满足性问题(SAT)求解技术判断该电路模型能否实现S盒,通过调整电路深度、宽度、面积等指标,最终给出S盒的优化实现方案。采用该方法能够对规模不大于4 bit的S盒,给出面积和电路深度均较优的实现方案。在UMC 180 nm工艺库下对Lblock、Rectangle、Midori、Prøst等轻量级密码算法的S盒进行了优化实现,给出了较好的实验结果,将Lblock算法S盒的实现深度由10降低到了3,将Rectangle算法S盒的逆盒实现面积由24.33 GE降低到了17.66 GE,将Midori算法S盒的面积由20.00 GE降低到了16.33 GE,将Prøst算法S盒的实现面积由22.00 GE降低到了13.33 GE。
二阶多智能体系统的弹性平均一致性算法及其应用
方崇荣, 还约辉, 郑文喆, 包贤晨, 李政
, doi: 10.11999/JEIT251155
摘要:
多智能体系统是实现协同协作的重要途径,弹性一致性则是其安全支撑技术之一。该文针对2阶多智能体系统,研究在存在异常行为节点(包括恶意攻击和意外故障)情况下保证系统协同性能的弹性平均一致性问题。该问题面临双重挑战:如何实现分布式异常检测,以及如何通过一维加速度输入精确补偿二维状态误差。为解决该问题,该文首先推导了2阶平均一致性实现的充分条件。基于此,通过引入两跳通信信息设计了分布式检测机制,并提出能够精确补偿有限控制输入误差的方案。针对输入、速度、位置维度可能遭受的持续攻击,进一步提出具有容错机制的扩展算法。理论证明表明,所提算法能使节点在存在异常节点情况下渐近实现2阶平均一致性。最后,通过大量数值仿真和实验验证了所提方法的有效性。
5G-NTN低轨卫星通信中载波频偏和采样频偏低复杂度联合估计算法
龚险峰, 李颖, 刘明洋, 翟盛华
, doi: 10.11999/JEIT251086
摘要:
在5G非地面网络(5G-NTN)低轨卫星通信系统中,多普勒效应会带来载波频偏(CFO)、采样频偏(SFO)以及子载波间频偏(ISFO)。研究发现,当正交频分复用(OFDM)信号子载波数量较大且采用高阶调制时,ISFO会成为制约接收机性能的关键因素。现有算法多针对CFO和SFO的估计及补偿展开研究,极少考虑ISFO的影响。另外,采用传统的最大似然估计算法对CFO和SFO进行联合估计时,需要进行一维或二维网格搜索,计算复杂度非常高。针对上述问题,该文利用5G-NTN中导频信号的分布特点,提出两种低复杂度的CFO和SFO联合估计算法。首先,利用5G-NTN中解调参考信号的互相关向量在主瓣内的单峰特性,设计一种基于二分搜索的联合估计算法,可以实现快速收敛。然后,设计基于观测量自相关的L&R估计算法,推导了待估参数的近似闭式解。典型实例分析和仿真表明,两种算法性能接近采用一维或二维搜索的最大似然估计算法,且所提二分搜索估计算法运算量仅为二维搜索最大似然估计算法的4%、一维搜索最大似然估计算法的44%。
面向机器人螺栓装配的视觉感知与力控协同方法
张春云, 孟昕曈, 陶陶, 周怀东
, doi: 10.11999/JEIT251193
摘要:
随着工业自动化与智能制造的发展,机器人在精密装配任务中应用广泛,尤其在螺栓装配等高精度作业环节中发挥着重要作用。然而,在螺栓装配过程中,存在目标物体位姿不确定、微小孔位识别困难以及末端执行器姿态缺乏动态闭环修正等问题。为此,该文提出一种面向机器人螺栓装配的视觉感知与力控协同方法。首先,构建语义增强的6D位姿估计算法,通过融合开放词汇目标检测模块与通用分割模块增强目标感知能力,提升初始位姿精度,并在连续帧跟踪中引入语义约束与平移修正,实现动态环境下稳健跟踪。其次,设计基于改进NanoDet的螺纹孔检测算法,采用轻量级MobileNetV3作为特征提取网络,并增加圆形分支检测头,有效提高微小孔位的识别精度与边界拟合能力,为后续装配提供可靠特征基础。最后,提出分层视觉引导与力控协同的装配策略,通过全局粗定位与局部精定位逐级优化目标位姿,并结合末端力觉反馈进行姿态微调,实现螺栓与螺纹孔的高精度对准与稳定装配。实验结果表明,该文方法在装配精度、鲁棒性及稳定性方面均具有显著优势,具备良好的工程应用前景。
嵌套式超原子实现的无串扰频率-自旋复用多功能器件
张明, 董朋, 陶恩, 杨琳, 韩琦, 何宇航, 侯卫民, 李康
, doi: 10.11999/JEIT251202
摘要:
电磁波的多种物理自由度为实现超高信息容量的多功能超表面提供了广阔的维度复用空间。然而,现有的多维度复用超表面通常依赖复杂的多层设计或空间划分,导致器件制备成本较高,且信道间往往存在不可避免的串扰。为简化设计并提高信道隔离度,该研究提出了一种基于嵌套式双光谱超原子的无串扰频率-自旋复用单层超表面。通过精心设计,无串扰双光谱超原子的物理结构和电磁响应能够同时巧妙地表示为两个单光谱超原子的线性叠加,显著降低了复用设计的复杂度。作为概念验证,设计并制备了两款超表面器件,分别在由两个频率和两个自旋态组成的4个信道中实现了独立且无串扰的涡旋光束生成和全息成像功能。实验结果验证了多维复用超表面优异的信道隔离性能。该方法为超表面在提升信息容量方面提供了一种简单、低成本且无串扰的解决方案,并在6G多通道无线通信和全息成像等领域展现出广阔的应用前景。
混合专家驱动的大规模异构本地电力通信网资源分配与调度算法
景川芳, 朱晓荣
, doi: 10.11999/JEIT251176
摘要:
为了在资源受限的本地电力通信网中尽可能地满足业务差异化服务质量(QoS)需求,该文提出一种混合专家驱动的资源分配与调度算法。首先,考虑业务差异化QoS需求、链路类型、信道数量和数据调制方式,建立了大规模异构本地电力通信网资源供需差异最小化问题。接着,为了求解该NP-hard问题,设计了一个包含专家网络和门控网络的混合专家模型,通过不同专家模型专门且并行学习资源分配与调度策略,以满足多样化业务对数据传输速率、时延和可靠性的个性化需求。其中,专家网络由共享型专家和特定于业务QoS的专家组成,用于生成最优下一跳以及节点对间链路、信道和调制方式的有效分配策略。门控网络通过自适应组合和重用多个专家模型来满足已有的和未知的业务QoS需求。最后,仿真结果表明,相较多种对比算法,所提出算法在资源利用率、时延和可靠性方面都有较好的表现。
基于反向编程策略的高并行高精度RRAM存算一体芯片
谢力凡, 卫松涛, 姚鹏, 伍冬, 唐建石, 钱鹤, 高滨, 吴华强
, doi: 10.11999/JEIT251174
摘要:
推理大模型等人工智能的发展需要高能效、高算力芯片阻变随机存取存储器(RRAM)存算一体技术可以克服传统架构的“存储墙”瓶颈,大幅降低数据搬移的开销,实现高速、低功耗智能计算。当前,RRAM存算一体技术缺乏适配计算的高速、高精度编程方法,传统编程策略面临单器件校验耗时长以及电路非理想因素带来的精度损失挑战。为了提升RRAM高并行度模拟存算一体(CIM)的编程速度并提高权重编程精度,本文提出一种新型系统化编程策略:利用双向矩阵向量乘法(MVM)检测映射故障,并引入基于权重冗余行的原位偏移补偿方案,以高效校准不同通道的偏移。基于上述策略,制备了包含640×256子阵列与双通道ADC的RRAM存算一体芯片。在4位输入、4位权重、8位输出的配置下,该宏单元实现了编程延迟降低4倍,且在全并行MVM计算中取得0.64%的最低均方根(RMS)误差,提出的编程方法在图像识别任务中将识别准确率分别提升了4.7%和4.8%。
防抗一体化窄带能量选择防护天线设计
盖龙杰, 徐延林, 王思钧, 刘培国, 虎宁, 贺正伟
, doi: 10.11999/JEIT251363
摘要:
为应对复杂电磁环境中高强度辐照场与带外干扰的双重威胁,该文设计了一种防抗一体化功能的窄带能量选择防护天线。防抗一体化,指的是防护和抗干扰功能的一体化设计。首先,采用特征模分析法对微带贴片天线辐射单元的潜在工作模式进行分析,结合电场和磁场模式分布研究其阻抗匹配特性,从而确定同轴馈电点的最优位置。随后,通过调控介质基板的介电常数,使天线具备窄带工作特性以及优异的带外干扰抑制能力,带外干扰抑制能力可达22.1 dB以上。进一步,基于同轴馈电的微带贴片天线结构,采用介质基板上下分层与中心镂空的设计方法,围绕同轴馈电探针构建空腔结构,并集成电磁防护功能模块,结合等效电路法阐释所设计天线的工作原理。当低能电磁波入射时,二极管处于断开状态,天线维持正常工作。当高能电磁波入射时,二极管导通,天线切换至防护状态。最后,完成天线的实物制备与实验测试,实测结果表明该天线具备小尺寸、窄带工作特性以及优异的电磁防护能力等特点,防护效能最高可达26 dB。该研究实现了能域电磁防护和频域带外抗干扰的防抗一体化设计,展现出尺寸紧凑、频带窄、防护效能高的综合优势。
基于深度强化学习的连续微流控生物芯片一步式架构综合
刘耿耿, 焦鑫悦, 潘友林, 黄兴
, doi: 10.11999/JEIT251058
摘要:
连续微流控生物芯片因其微型化、高可靠性和低样品消耗等优势,广泛应用于生物医学领域。然而,随着芯片集成度提升,其设计复杂性显著增加,传统分步式设计方法将绑定、调度、布局和布线等任务分步处理,各环节间信息交互不足,导致方案质量低、设计周期长。为此,该文提出一种基于深度强化学习的连续微流控生物芯片一步式架构综合方法。首先,通过图卷积神经网络提取状态特征,有效捕捉节点及其关系的信息;其次,在近端策略优化算法中结合A*算法和列表调度算法,从而得到具体的架构设计方案;最后,设计了一种多目标奖励函数,将生化反应时间、流道总长度及阀门数量进行归一化加权组合,并通过近端策略优化算法的策略梯度更新机制实现复杂决策空间的高效探索。实验表明,在基准测试用例上,与现有方法相比,该文方法在生化反应时间上优化了2.1%,流道总长度减少21.3%,阀门数量减少65.0%,且在较大规模芯片上仍能生成可行解。
双视角频谱注意力融合的电池组多故障诊断算法
刘明俊, 顾深宇, 尹敬德, 张逸凡, 董哲康, 纪晓悦
, doi: 10.11999/JEIT251156
摘要:
随着新能源汽车的快速发展,其使用规模不断扩大,电池组故障的概率和严重程度随之增加,迫切需要高效的故障诊断方法。近年来,尽管基于深度学习的电池故障诊断方法已取得显著进展,但现有研究在内短路(ISC)、传感器噪声、传感器漂移及荷电状态(SOC)不平衡故障的多故障下的工况的覆盖性以及故障间耦合关系的挖掘方面仍存在不足。针对既有挑战,该文提出一种双视角频谱注意力融合算法。该算法由两大核心模块组成:一是双视角分词模块,负责全链路捕捉电池组的时空信息;二是频谱注意力机制,负责非平稳特征处理与长期依赖挖掘。这种特征工程与频域分析的深度结合,有效增强了模型的故障诊断鲁棒性。所提方法在联邦城市驾驶循环(FUDS)、城市测功机行驶工况(UDDS)和补充联邦测试程序(US06)3种典型工况下的诊断性能均显著优于现有主流算法,其平均精确率提升了10.98%,召回率提升了12.64%,F1分数提升了13.84%,准确率提升了13.45%。此外,该文设计并实施了系统的消融实验与鲁棒性分析,对比了各核心模块对模型整体性能的贡献机理,同时充分验证了所提方法在复杂噪声环境下的抗干扰能力与鲁棒性。该文所提双视角频谱注意力框架不仅提升了多故障诊断性能,也为复杂时空特征建模提供了新思路,为提升汽车安全性提供新的方案。
针对圆和非圆信号混合入射的多特征融合网络鲁棒测向算法
于淇, 尹洁昕, 刘正武, 王鼎
, doi: 10.11999/JEIT250884
摘要:
针对阵列误差影响下圆和非圆信号混合入射的波达方向(DOA)估计问题,该文提出一种基于改进视觉转换器(ViT)模型的鲁棒测向算法。该算法通过构建六通道类图像输入架构,融合接收信号的协方差矩阵实部、虚部、相位、幅值及非圆扩展特性,利用梯度掩码机制实现核心特征与辅助特征的自适应融合,充分提取并挖掘了非圆信号伪协方差矩阵中蕴含的额外信息;同时改进传统ViT模型结构,增加特征融合及卷积模块,并设计前后双分类标记注意力机制,增强模型对信号的学习能力和适应性。实验结果表明,该算法在低信噪比、圆与非圆信号混合及多种阵列误差共存等复杂场景下,相比于现有方法展现出了更好的鲁棒性和测向精度。此外,该算法对快拍数变化及未知调制类型的信号亦表现出良好的适应性与稳定性,为复杂环境中的波达方向估计提供了一种新的有效方法。
梯度自适应调整驱动的三维目标识别对抗攻击方法
刘伟权, 沈晓影, 刘敦强, 孙宴文, 蔡国榕, 臧彧, 沈思淇, 王程
, doi: 10.11999/JEIT251264
摘要:
人工智能与光电感知技术的深度融合,有力推动了智能驾驶的发展。激光雷达作为核心光电传感器,能够获取高精度三维点云,已成为环境感知不可或缺的数据来源。然而,基于深度学习的点云识别模型在对抗样本面前表现脆弱,易受微小扰动影响而导致识别性能显著下降,对智能驾驶光电感知系统的安全构成了严峻挑战。现有攻击方法虽能实现一定攻击效果,但往往扰动明显、隐蔽性不足,且易产生离群点,难以在实际光电感知场景中有效应用。为此,该文提出一种基于梯度自适应调整驱动的点云对抗攻击方法(GAA)。该方法首先分析三维点云分类网络的决策脆弱性,筛选对模型输出影响显著的关键点集;进而结合各点的局部曲率信息自适应调整梯度权重,并在主曲率方向的几何约束下优化扰动生成,从而在保证较高攻击成功率的同时,有效维持对抗点云的几何一致性与视觉自然性。在多个公开数据集上的实验结果表明,该方法在实现高攻击成功率的同时,显著降低了扰动强度,以ModelNet40数据集为例,在PointNet模型上平均仅扰动28个点便可达到97.69%的攻击成功率,显著优于现有对比方法,为评估和提升智能驾驶光电感知系统的安全性提供了有效工具。
一种应用于有源集成阵列的通道相位自补偿方法
孙立莹, 陆云龙, 徐俊, 胡阳
, doi: 10.11999/JEIT251325
摘要:
有源电路与天线的无缝集成能有效改善链路性能与集成度。当前,有源集成天线主要是在保证天线辐射性能的前提下调控天线阻抗特性使其与有源晶体管实现直接匹配。天线复阻抗特性对有源通道的相位响应影响,及其在有源集成相控阵列中的应用还未进行充分分析。有源电路与天线的无缝集成能有效改善链路整体性能与集成度。该文提出一种用于有源集成阵列的通道相位自补偿方法。每个有源通道中的有源晶体管与辐射阵元需直接集成,即晶体管漏极输出端的负载阻抗与辐射阵元的输入阻抗匹配。通过在恒定有源增益下对该负载阻抗(复阻抗)求解,可以得到有源通道相位响应与负载阻抗的具体映射关系。进而针对各通道间对于移相范围的具体要求,选择合适的负载阻抗作为相应辐射阵元的输入阻抗,便可以在不采用外部移相结构的情况下,对每个通道施加一组相位分布,用以控制初始波束指向或者共形阵列中阵元之间波程差补偿等应用。该文设计、加工和测试了一个具有初始波束指向的有源集成相控阵天线设计实例,验证了该方法的有效性。
Mamba-YOWO:高效时空表征的动作检测框架
马莉, 辛江博, 王璐, 代新冠, 宋爽
, doi: 10.11999/JEIT251124
摘要:
针对时空动作检测中现有方法难以统一框架中高效协同建模外观语义与动态运动特征,以及主流框架往往因高计算复杂度和局部感受野限制,难以兼顾长程时序依赖建模与实时推理效率的问题。该文提出一种基于选择性状态空间模型的Mamba-YOWO轻量化时空动作检测框架。首先,引入Mamba模块重构YOWOv3的时序建模骨干,在保持线性计算复杂度的同时建模长程时序依赖。其次,设计高效多尺度时空融合模块,实现多尺度空间特征与动态时间上下文的有效融合,增强判别性表征。最后,在UCF101-24和JHMDB数据集上进行实验。结果表明,本方法较YOWOv3参数量减少7.3%,计算量(FLOPs)降低5.4%,帧级mAP分别达到90.24%和83.2%,显著优于现有实时检测方法。验证了所提方法在实时时空动作检测任务中的精度-效率平衡上的优势。
拒绝服务攻击下信息物理系统的数据驱动安全控制:一种在线模态依赖的切换-Q-学习策略
张瑞丰, 杨荣妮
, doi: 10.11999/JEIT250746
摘要:
基于学习策略和切换系统理论,该文研究了拒绝服务(DoS)攻击下未知信息物理系统(CPS)的安全分析与控制问题。考虑到攻击能量有限性,采用攻击频率和持续时间来描述DoS攻击。特别地,不同于现有的安全学习方法,该文利用切换系统理论提出了一种在线模态依赖的切换-Q-学习控制新算法及相应的数据驱动安全评估新准则。首先,将休眠和活跃DoS攻击下的未知CPS分别转化为一类含有稳定和不稳定子系统的未知切换系统。随后设计了一种新颖的在线模态依赖的切换-Q-学习算法,进而获得数据驱动的最优安全控制增益。同时通过约束子系统阶段和切换阶段的能量函数,提出了一种具有攻击频率和持续时间约束的数据驱动安全评估准则。最后通过网络化轮式机器人系统的对比实验验证了该方法的高效性和优越性。
二元序列集的非周期完全平方模糊函数理论界和最优构造
韦文博, 沈炳声, 杨洋, 周正春
, doi: 10.11999/JEIT251327
摘要:
扩频序列集是直接-序列码分多址系统中的关键组成部分,其性能可通过完全平方相关进行评估。在高速移动场景中,信号在传输过程中会产生多普勒效应,需同时考虑序列的时移和多普勒移位。此时,应使用二维模糊函数替代一维相关函数。该文主要研究了二元序列集的非周期完全平方模糊函数(Aperiodic Total Squared Ambiguity Function, ATSAF),推导了二元序列集的ATSAF理论下界。基于Hadamard矩阵、非周期互补集和特殊序列,设计了几类达到ATSAF理论下界的最优二元序列集。
一种基于扇出重汇聚的可测性评估方法
吴文俊, 梁华国, 游畅, 窦贤锐, 肖家辉, 鲁迎春
, doi: 10.11999/JEIT251286
摘要:
随着电路规模和复杂度的不断提升,可测性分析已成为电路设计与测试阶段中评估电路质量与优化测试点配置的关键环节。然而,现有方法在处理信号相关性与扇出重汇聚结构时,普遍存在精度不足与计算开销较大的问题,难以兼顾效率与准确性。为此,该文提出一种基于扇出重汇聚的可测性评估方法。该方法通过解析电路拓扑识别扇出重汇聚区域,构建结构相关的加权可测性计算模型,并实现了高效的可测性分析算法框架,以在保证精度的同时提升计算效率。实验结果表明,该文方法在可控性预测中均方根误差平均降低约25%,确保精度的同时,计算时间平均加速7倍,在故障覆盖率预测以及排序一致性检测中亦表现优异。
极大距离可分纠缠辅助量子纠错码的构造
屈圆月, 高健
, doi: 10.11999/JEIT251251
摘要:
量子通信作为未来信息安全传输的核心技术,在实际应用中高度依赖高效可靠的量子纠错编码方案。纠缠辅助量子纠错码(EAQECCs)通过引入预共享纠缠态,突破了传统量子纠错码对经典纠错码自正交性的条件限制,显著提升了编码设计的灵活性与性能。本文基于有限域上的扭曲Reed–Solomon(TRS)码,系统构造了几类新参数的极大距离可分(MDS)EAQECCs。通过分析TRS码关联的陪集和矩阵的秩,本文确定了EAQECCs所需预共享纠缠态数量的精确条件,借助群的代数结构与陪集和严格证明了构造的EAQECCs具备最优的纠错性能。本文所构造的MDS EAQECCs码长突破了部分文献中所构造MDS EAQECCs码长选择的局限性,拓展了MDS EAQECCs的码长范围。本文的结果不仅深化了人们对MDS EAQECCs代数结构的认知,而且为面向量子通信系统高性能量子纠错码的设计提供了新的理论工具。
单目视角下多尺度可变形对齐感知的双向门控特征聚合立体图像生成
张春兰, 屈玉玮, 聂浪, 林春雨
, doi: 10.11999/JEIT250760
摘要:
单目视角下的立体图像生成通常依赖深度真值作为先验,易存在几何错位、遮挡伪影及纹理模糊等问题。为此,该文提出一种多尺度可变形对齐感知的双向门控特征聚合立体图像生成网络,在无需深度真值监督的条件下实现端到端训练。该方法引入多尺度可变形对齐模块(MSDA)根据内容自适应调整采样位置,在不同尺度上自适应对齐源特征与目标特征,缓解固定卷积难以适应几何变形和视差变化引起的错位问题;此外,构建纹理结构双向门控特征聚合模块(Bi-GFA),提出一种约束网络浅层学习纹理、深层建模结构的特征解耦策略,实现纹理与结构信息的动态互补与高效融合;同时,设计可学习的对齐引导损失(LAG),进一步提升特征对齐精度与语义一致性。在KITTI, MPEG-FTV及多视点深度视频序列数据集上的实验结果表明,所提方法在结构还原性、纹理质量及视角一致性等方面优于现有先进方法。
TTSPD: 一种融合轮胎数据的多模态交通场景感知数据集
应宗辰, 桂琳, 杨佳翰, 张芳玮, 王俊帆, 董哲康
, doi: 10.11999/JEIT260022
摘要:
当前交通场景感知依赖大规模高分辨率图像与雷达点云数据,在“感知-存储-计算”链路上面临采集成本高、存储压力大及计算资源消耗高等瓶颈。基于此,该文创新性地从轮胎视角出发,构建了一种新的多模态交通场景感知数据集(TTSPD)。具体地,该文采用橡胶基复合材料封装策略与低功耗蓝牙5.0自适应跳频技术,构建了一套集轮胎内置多参数传感与车载摄像头为一体的多模态传感器系统。该系统可在车辆行驶过程中同步采集径向加速度、胎温和胎压等6类轮胎传感器数据(约1 550万字节,超过180万个传感器采样点),并同时获取309 GB的交通场景图像数据(涵盖水泥、沥青、破损与积水4类典型路面)。通过对轮胎传感器数据与交通场景图像数据进行统一时间标记与跨模态关联,构建了具有场景一致性的多模态交通场景感知数据集TTSPD。进一步,为验证数据集的合理性和有效性,该文将TTSPD数据集应用于路面分类任务。实验结果表明,主流路面分类算法在该数据集上能够实现较高的分类精度(精度范围87.25%~93.75%)。同时,融合轮胎传感器数据(低维度)使模型在仅使用约38.75%原始数据量的情况下即可达到全量数据95%的分类精度,显著降低对高维度图像数据的依赖,减少了数据存储压力(存储规模下降约61.25%)、降低了计算资源开销,缩短了整体训练时间(缩短约54.10%)。该数据集为构建车规级算力约束下多模态环境感知与智能决策系统提供了新的数据形态,为我国智能交通技术的自主创新与可持续发展提供了助力。
CLIP视觉语义驱动的图像去雨模型
孙瑾, 崔云通, 田宏伟, 黄长城, 汪纪钢
, doi: 10.11999/JEIT251066
摘要:
图像去雨是计算机视觉领域的基础任务,现有方法过度依赖假设雨模型或合成雨数据集,导致真实场景去雨效果泛化性能不足。该文分析发现对比语言-图像预训练(CLIP)模型图像编码器对雨纹干扰的鲁棒性,将去雨任务转化为基于视觉语义引导的像素级回归问题,提出基于冻结对比语言-图像预训练(FCLIP)策略的图像去雨模型FCLIP-UNet。该模型采用对称的编码器解码器结构(U-Net):编码器截取CLIP-RN50图像编码器的4层结构实现雨纹与图像内容语义的自动解耦;解码阶段采用(ConvNeXt-T)与上采样深度卷积模块(UpDWBlock)串行结构,结合跳跃连接中嵌入层级差异化扰动策略实现高层语义引导下的细节恢复与泛化能力的协同增强。定量和定性实验结果表明,FCLIP-UNet在公开合成数据集和真实雨图数据集上均取得最优或具有竞争力的性能,并在包含真实雨图的多个独立数据集上表现出良好的泛化性能。
高斯混合-概率假设密度滤波器的最优联邦均值融合
薛昱, 徐磊
, doi: 10.11999/JEIT250759
摘要:
为实现最优不确定多目标分布式融合跟踪,该文提出一种高斯混合-概率假设密度(GM-PHD)滤波器的联邦均值融合算法,该算法具有分层式结构。每个传感器节点运行1个局域GM-PHD滤波器,从传感器量测中提取多目标状态估计。融合节点负责1个仅预测上一时刻融合结果的主滤波器,对所有滤波器的GM-PHD进行关联与合并,且为各滤波器分配融合结果和若干滤波器参数。关联将多目标密度融合分解为4种单目标估计融合,该文推导了有无漏检时的单目标最优估计融合方法。信息分配利用协方差上界理论消除了滤波器间的相关性,进而使所提算法能够获得与贝叶斯融合相同的精度。仿真结果表明,所提算法能够获得最优的跟踪精度,优于现有的算术平均(AA)融合算法,且可以灵活地调节各滤波器的相对可靠性。
网络编码和EONs碎片感知的机密业务多路径资源分配
刘焕淋, 安冬鑫, 陈勇, 陈浩楠, 马冰, 邹佳辰
, doi: 10.11999/JEIT251222
摘要:
机密业务在弹性光网络中传输和处理面临窃听攻击风险,该文提出一种网络编码(NC)和碎片感知的机密业务多路径传输资源分配方法。该方法采用NC对机密业务进行加密传输;在路由选择阶段,设计感知窃听概率的路径代价函数和多路径保护方法确定业务传输的可靠性;在资源分配阶段,为机密业务设计满足NC约束的碎片感知频谱分配策略。仿真结果表明,与其他采用NC的路由算法相比,所提算法有效降低了业务阻塞率,提高了频谱利用率。
基于相位偏移的深度神经网络隐蔽后门攻击策略
张恒, 夏雨, 任燕, 杜林康, 张治坤
, doi: 10.11999/JEIT251145
摘要:
后门攻击对深度神经网络(DNN)构成重大安全威胁。被植入后门的模型在遭遇特定触发器输入时会诱发预设错误输出,而对干净样本仍维持基准性能。现有研究已在空间域与频域触发器设计方面展开探索,但多数方法为确保攻击成功率(ASR),而牺牲了触发器的不可感知性。该文提出一种基于相位偏移的频域后门攻击(FDPS)方法。该方法通过离散傅里叶变换(DFT)将图像映射至频域,并在选定的频率分量上施加相位扰动以嵌入触发器。具体而言,FDPS优先针对中高频相位分量进行精细调控,以最小化幅度谱变化并避免引入可察觉的伪影。鉴于相位信息主导正弦波的相对位移,此类扰动可自然协调视觉语义,从而显著提升隐蔽性。相较于传统幅度扰动策略,相位偏移在保留图像全局结构的同时,更有效地规避了基于图像的防御检测机制。实验表明,与BadNets、Blend、WaNet及Ftrojan等基准后门攻击相比,FDPS在攻击成功率、干净样本准确率以及结构相似性指数(SSIM)等指标上均表现优越。此外,在GTSRB数据集上,仅需毒化2%的训练样本即可实现99%的攻击成功率,显著降低了攻击的样本需求与技术门槛,展现出对多样化攻击场景的更强鲁棒性与适配能力。
基于改进最大似然的PSK调制跳频信号参数盲估计方法
张天昊, 张妤姝, 徐仲秋, 唐心怡, 党文华, 李光祚
, doi: 10.11999/JEIT260005
摘要:
跳频信号参数盲估计是跳频通信侦察对抗的关键技术。针对现有盲估计方法在估计精度与处理数字调制信号方面存在不足以及计算复杂度较高的问题,该文提出基于改进最大似然(ML)的相移键控(PSK)调制跳频信号参数盲估计方法。首先,基于短时傅里叶变换从持续多个跳频周期的PSK调制跳频信号中截取仅含单次跳频的短切片;然后,基于ML估计方法的代价函数,从短切片中提取适配ML估计模型的信号,克服传统基于ML的估计方法处理含PSK调制的信号时模型失配的问题;最后,提出一种加权迭代求解方法,实现跳频频率与跳频时刻的稳健估计。该方法摆脱了基于传统时频分析及压缩感知的估计框架约束,且计算复杂度较低。仿真结果表明,该方法可以同时实现PSK调制跳频信号跳频频率与跳频时刻的高精度估计。
面向大语言模型轻量化适配的语义增强型网络安全命名实体识别方法
胡泽, 许桐午, 杨宏宇
, doi: 10.11999/JEIT251260
摘要:
网络安全领域命名实体识别作为支撑威胁情报分析、安全事件响应及漏洞管理的核心技术,面临着标注数据稀缺、专业术语密集与语义融合不足等严峻挑战,而现有的大语言模型方法又存在领域语义融合不足和稀有实体召回率低等缺陷。针对以上挑战,该文提出了一种面向大语言模型轻量化适配的语义增强型网络安全命名实体识别方法。该方法集成LLM2Vec与低秩适配的轻量化适配策略以保留深层语义编码并降低训练成本,设计稀疏门控注意力机制以强化领域关键词融合,并引入基于SecRoBERTa的语义增强组件以提升小样本场景下的特征鲁棒性,最终采用掩蔽条件随机场约束标签路径的合法性。在DNRTI和APTNER两个公开数据集上的实验结果表明,所提方法在精确率、召回率和F1分数上均优于现有主流方法,其中在DNRTI数据集上F1分数达到91.91%,较当前最优模型提升2.14%,验证了其在网络安全实体识别任务中的有效性。该方法为低资源场景下的网络安全命名实体识别提供了高效、轻量化的解决方案,对推动威胁情报自动化分析与安全防护体系智能化具有实际意义。
一种基于事件相机与双通道差分照明的高性能眼动追踪方法
宋思舜, 冯骏驰, 普成宇, 郭瑜, 刘世界, 何欣, 陈育伟
, doi: 10.11999/JEIT251162
摘要:
为解决现有眼动追踪技术精度低,在高速眼动场景下时间分辨率受限等问题。本文提出了一种基于事件相机与双通道差分照明的眼动追踪方法。相比于传统相机,事件相机能够异步输出有关亮度变化的事件流,具有高时间分辨率、高动态范围、低延迟等优势。首先,本文采用事件相机作为图像传感器,并结合双通道差分照明策略,增强高时间分辨率下角膜反射点事件的信噪比;其次,引入基于密度带有噪声的空间聚类算法(DBSCAN),改善角膜反射点事件中大量离散点噪声导致的定位偏差,提升角膜反射点的定位精度。最后,重建世界坐标系下眼球的射线追踪模型,有效利用角膜反射点坐标并通过奇异值分解(SVD)和最小二乘法确定角膜曲率中心,从而完成注视方向的估计。在仿生眼数据集上的实验结果表明,本文提出的方法能够在25 kHz的时间分辨率下实现误差小于1°的注视方向估计,为下一代高性能眼动交互系统提供了可行的技术路径。
复杂运动舰船目标多投影平面InISAR三维重建方法
李宁, 牛金发, 王玮斌, 胡兴旺, 毋琳
, doi: 10.11999/JEIT251268
摘要:
干涉逆合成孔径雷达(InISAR)是一种非合作目标三维重建技术。然而,在对具有复杂运动特性的舰船目标成像时,复杂三维旋转运动会导致目标多普勒频率变化不稳定,直接影响目标三维重建质量,同时,ISAR成像不可避免地存在目标叠掩和遮挡问题,致使单一投影平面的InISAR技术无法实现目标三维信息完全重建。针对上述问题,该文提出了一种复杂运动舰船目标多投影平面InISAR三维重建方法。首先,在分析高海情下长相干积累时间内舰船目标多维复杂运动特性的基础上,结合主成分分析算法选择多个不同成像投影平面的成像时间段,获取多个不同投影平面的高质量舰船目标逆合成孔径雷达(ISAR)图像及其三维重建结果。其次,结合加权随机采样一致性与分层迭代最近点方法,高精度提取和匹配多投影平面三维图像的同名特征点,实现多投影平面InISAR三维图像的高效高精度配准与融合。舰船点目标散射模型和电磁仿真模型的实验结果表明,与单一投影平面下的目标三维重建结果相比,该文所提方法获得的InISAR三维重建质量得到了显著提升。
基于控制器间协作的多层低轨星座确定性时延路由算法研究
黄龙辉, 丁晓进, 张更新
, doi: 10.11999/JEIT251100
摘要:
针对多层低轨星座在软件定义网络架构下节点数量庞大、网络拓扑动态性强以及控制器对全网状态的感知滞后导致难以确定端到端数据传输时延的问题,该文提出一种基于控制器间协作的多层低轨星座确定性时延路由算法。首先,构建多层低轨星座的区域划分与控制器部署策略,以及星间链路的建立准则,消除节点数量和状态感知滞后的影响;其次,设计时变增量图模型刻画卫星网络拓扑与链路资源属性,在链路的带宽、卫星队列大小与链路间持续时间的约束下,提出基于控制器间协作的确定性时延路由算法,并通过控制器间状态实时感知和交互,及多目的拉格朗日的松弛聚合算法优化传输路径;最后,构建基于NS-3和Ryu的仿真平台验证可行性。结果表明,相较链路效用的自适应路由算法,所提算法在平均端到端时延、时延抖动与丢包率上分别降低16.0%, 37.9%, 37.2%,平均吞吐量提升约 2%,且具有较低计算复杂度与信令开销。
面向遥感智能体的多模态图文指令大规模数据集
王佩瑾, 胡会扬, 冯瑛超, 刁文辉, 孙显
, doi: 10.11999/JEIT250818
摘要:
随着遥感应用不断从静态图像分析迈向智能化认知决策任务,构建覆盖多任务、多模态的信息融合数据体系已成为推动遥感基础模型发展的关键前提。该文围绕遥感智能体中的感知、认知需求,提出并构建了一个面向多任务图文指令的遥感多模态数据集,系统组织图像、文本指令、空间坐标与行为轨迹等多模态信息,统一支撑多阶段任务链路的训练与评估。该数据集涵盖9类核心任务,包括关系推理、指令分解、任务调度、定位描述与多模态感知等,共计21个子数据集,覆盖光学、SAR与红外3类遥感模态,总体数据规模超过2 000 000样本。在数据构建过程中,该文针对遥感图像的特性设计了标准化的指令格式,提出统一的输入输出范式,确保不同任务间的互通性与可迁移性。同时,设计自动化数据生成与转换流程,以提升多模态样本生成效率与一致性。此外,该文还介绍了在遥感基础模型上的基线性能评估结果,验证了该数据集在多任务泛化学习中的实用价值。该数据集可广泛服务于遥感领域多模态基础模型的构建与评估,尤其适用于统一感知-认知-决策闭环流程的智能体模型开发,具有良好的研究推广价值与工程应用前景。
用于5G超可靠低时延通信的LDPC码截断NMS列表译码算法
张小军, 宋鑫, 高健, 密永豪, 牛凯
, doi: 10.11999/JEIT250853
摘要:
低密度奇偶校验码(Low-Density Parity-Check Codes, LDPC)译码器的输入是由接收信号转换而来的对数似然比,译码器的性能对输入敏感。在实际无线通信系统中,由于环境的变化,信道容易受到突发干扰,这些干扰会打乱译码器的输入分布从而导致性能损失。为了解决上述问题,本文提出了一种面向5G URLLC场景的LDPC码限幅归一化最小和列表译码算法。该算法通过复用空闲处理单元来生成多条译码路径,并根据输入分布为每条路径配备独立的限幅器以平滑突发干扰,在不增加硬件开销的情况下提升了译码器在干扰信道上的性能。实验表明,相较于单限幅分层NMS算法,该算法实现了0.5 dB左右的增益,并且处理单元的利用率平均提高了69%。
基于图拓扑注意力网络的药物响应预测方法研究
许鹏, 许浩, 鲍振申, 周驰, 刘文斌
, doi: 10.11999/JEIT251099
摘要:
药物响应预测是生物医学研究中的重要课题,对推动癌症个性化治疗具有重要意义。尽管目前已有方法在药物响应预测方面取得了一定进展,然而,细胞系多组学数据的有效整合与药物特征的高效提取仍是当前研究面临的关键挑战。针对这一问题,本文提出一种基于图拓扑注意力网络的药物分子特征提取方法,并使用注意力机制融合多组学特征,进而实现药物响应预测。实验结果表明,本文所提出的模型在CCLE和GDSC两个数据集上均优于现有主流方法,消融实验进一步验证了模型结构与特征提取策略在本任务中的有效性。
多维时空特征增强的唇语识别方法
马金林, 钟耀威, 马瑞士
, doi: 10.11999/JEIT251111
摘要:
唇部运动的微小变化和相似音素的视觉歧义导致唇语识别模型的时空特征提取能力不足。为此,提出多维时空特征增强的唇语识别方法。首先设计自调节时空注意力(SaSTA),关注全局时空关键特征;其次提出三维增强残差块(TE-ResBlock),通过时序位移、多尺度卷积与通道混洗增强时空特征提取能力;然后设计多维时空增强网络(MSTEN),逐层提取时空特征并深度融合时间、空间和通道特征;最后基于MSTEN和DC-TCN构建唇语识别模型,并在LRW数据集和GRID数据集上验证模型性能。实验结果表明,所提方法在LRW和GRID上的准确率分别达到91.18%和97.82%,优于所有对比方法。
具有高资源利用率的FPGA混合PLB结构
王彦林, 高丽江, 杨海钢
, doi: 10.11999/JEIT260108
摘要:
商用现场可编程门阵列(FPGA)普遍采用6输入查找表(LUT)构建可编程逻辑块.而相关实验表明6输入LUT在电路中的应用平均不超过30%,造成了严重的可编程资源浪费。该文在可拆分因子概念基础上将6输入LUT进行不同粒度拆分并进行重新组合,构建出三种新的混合粒度可编程逻辑单元;然后基于混合粒度可编程逻辑单元组合成三种新的混合可编程逻辑块结构用以替换Xilinx的可编程逻辑块;同时提出了一种对映射后网表进行统计的优化评估算法;最后对三种改进结构进行相应实验验证和评估。结果表明:在不增加输入端口资源的情况下,三种混合粒度可编程逻辑块对Xilinx可编程逻辑块结构替换后面积优化平均超过30%;综合PLB使用数量和面积优化来看,可拆分因子N=3时候构建的混合可编程逻辑块结构优化效果最好,在MCNC电路集和VTR电路集下,资源利用率平均分别提高了8.27%和27.64%,有效提升了FPGA的资源利用率。
基于可信执行环境的高效可验证密文检索方案
吴阿新, 冯登国, 张敏, 迟佳琳, 易玉玲
, doi: 10.11999/JEIT251358
摘要:
密文检索(Ciphertext Retrieval)机制能够实现密态数据上的检索功能。对称可搜索加密(Symmetric Searchable Encryption, SSE)是密文检索的一个重要分支。然而,出于节省算力等特定因素的考虑,云服务器有可能会返回错误或不完整的结果。此外,攻击者也能利用搜索与访问模式的泄露信息还原出关键字内容。因此,在实现搜索结果可验证性的同时,保护搜索模式和访问模式的隐私,是很有必要和有意义的。但现有支持搜索模式和访问模式隐私的可验证SSE方案普遍需要关键字遍历机制且其验证机制的运行效率不尽理想。这些情况使得数据用户面临较高的计算成本和通信开销。针对上述性能瓶颈,该文提出一种基于可信执行环境(Trusted Execution Environment, TEE)的高效可验证密文检索方案。为提升密文检索等效率,该方案借助硬件级安全隔离与不经意数据重排的协同实现关键字陷门尺寸独立于关键字字典的规模。同时,通过嵌入随机数以及盲化多项式常数项方式验证返回结果的正确性。得益于上述设计,该方案在效率层面取得了显著提升。具体而言,其一,该方案使得关键字陷门规模仅与查询关键字数量相关,而与全局字典规模无关,有效降低计算和通信成本;其二,该方案仅需存储两个随机数即可实现可验证功能,大幅降低用户本地存储开销。其三,数据用户与单服务器单轮交互中获取检索结果以及对称同态加密机制的应用等技术进一步提升了运行效率。此外,TEE中的密态计算弱化了对TEE的安全假设和信任程度。在通过模拟游戏方式完成对方案安全性的证明之后,该文对所提出的方案进行了综合的性能评估,评估结果证实了该方案效率上显著优于其他具备相同功能的方案。
面向大模型推断的海域无线物理层安全博弈
陈灏宇, 肖亮, 徐小宇, 李杰铃, 王子成, 刘欢欢, 陈宏毅
, doi: 10.11999/JEIT251269
摘要:
物理层安全博弈理论分析终端和攻击者之间的交互机理,基于博弈均衡给出无线抗干扰和物理层认证等算法的性能界。在终端将海域图像等信息发给搭载大模型的岸边控制中心以支撑海域监测等业务场景下,现有博弈模型未考虑受到蒸导效应和海面反射影响的海域无线信道,难以准确分析大模型推断性能的变化。因此,构建面向大模型推断的海域抗干扰通信博弈,攻击者选择干扰功率和信道,以较低的干扰开销降低信干噪比,终端选择发射功率、传输信道、大模型稀疏率和岸边控制中心等策略以提高推断精度并降低时延。接着,构建面向大模型推断的海域认证博弈,攻击者选择虚假数据包数量,以较低攻击开销降低认证精度,岸边控制中心选择认证模式和阈值以提高认证精度并降低认证开销。基于包含70亿参数的大模型给出斯塔克伯格均衡,分析智能海域抗干扰推断和物理层认证算法性能极限,指导最大发射功率等系统参数选择,辅助快速设计物理层安全算法。
一种面向单片三维集成电路层间通孔的并行测试方法
陈田, 陈炜坤, 刘军, 梁华国, 鲁迎春
, doi: 10.11999/JEIT251375
摘要:
在单片三维集成电路中,单片层间通孔(MIV)是实现垂直互连的关键结构,其制造缺陷会严重影响芯片可靠性。然而,面对MIV数量庞大、电气参数微小、故障类型多样的特点,实现高精度、低开销的测试是一个重要挑战。该文提出一种基于时间数字转换器(TDC)的MIV并行测试方法。通过行列分组将待测MIV构建成行或列的测试链,并通过数控延迟线(DCDL)来生成具有特定相位关系的测试激励信号。利用TDC测量电路的响应,并通过分析响应序列的规律性偏差,可以实现MIV硬故障和小延迟故障的测试。仿真结果表明,该方法在45 nm工艺下可检测阻值高于8.4 kΩ的开路故障,低于67 kΩ的泄漏故障以及低于32 kΩ的短路故障,而且测试结果在不同工艺-电压-温度(PVT)条件下保持稳定。与现有方案相比,该方法在检测精度、条件鲁棒性及硬件开销方面展现出更好的综合性能,为高密度M3D IC的MIV测试提供了一种有效解决方案。
面向通信与感知一体化系统的物理层密钥生成方法
刘柯欣, 黄开枝, 裴杏龙, 金梁, 陈亚军
, doi: 10.11999/JEIT251034
摘要:
针对通信与感知一体化(ISAC)系统中存在的信息泄露问题,该文提出一种面向ISAC的物理层密钥生成(PLKG)方法。首先,提出一种面向ISAC系统的PLKG协议,并推导了总密钥生成速率(SKGR) 和感知精度克拉美罗界(CRB)的闭式表达式。其次,在感知精度的约束下,建立了一个总密钥生成速率SKGR最大化问题。最后,提出一种基于双延迟深度确定性策略梯度(TD3)的联合通信与感知波束赋形算法,进一步提升系统安全性。仿真结果表明,所提方法相较于基准方法具有更好的有效性和优越性。
基于注意力动态融合与混合剪枝Transformer的高速移动通信调制识别方法
郑庆河, 陈斌, 余礼苏, 黄崇文, 姜蔚蔚, 束锋, 赵毅哲
, doi: 10.11999/JEIT251211
摘要:
针对高速移动通信场景下,多普勒频移与时变信道导致信号调制特征严重畸变,现有深度学习模型存在鲁棒性不足、推理延迟高的问题,本文提出了一种基于RollingQ动态融合与混合剪枝Transformer的调制识别方法。首先,引入RollingQ机制,动态评估与调整注意力查询方向,打破注意力固化,实现多维度信号表征的自适应均衡融合,提升了模型在复杂信道下的泛化能力。其次,设计多头注意力频域增强Transformer结构,通过轻量级卷积、多头/空间/通道注意力以及频域选择模块的协同,有效融合信号的局部与全局、时域与频域特征。最后,采用注意力动态混合剪枝策略,在推理时根据输入信号稀疏化激活计算路径,在几乎不损失精度的情况下实现了模型的结构轻量化与推理加速。在公开数据集RadioML 2016.10a和RML22上的实验表明,本文方法平均分类准确率分别达到63.84%和71.13%,且单条信号推理时间仅需2.2 ms。与多种主流深度学习模型相比,平均分类准确率提升4%~10%,显著兼顾了高速移动通信场景下调制识别的鲁棒性与实时性。
盲对抗性攻击下的稳健调制识别框架设计与验证
郑庆河, 周福辉, 余礼苏, 黄崇文, 姜蔚蔚, 束锋, 赵毅哲
, doi: 10.11999/JEIT260019
摘要:
针对对抗性攻击下深度学习调制识别模型鲁棒性不足且现有防御方法依赖攻击先验、计算开销大的问题,本文提出一种盲对抗性攻击下的稳健调制识别框架。首先,特征净化自编码器从信号特征中提取高维流形结构,并在瓶颈层创新性地引入动态净化机制,通过基于统计特征的自适应阈值与Top-K稀疏化操作,精准识别并抑制由对抗扰动引起的异常特征激活,最后利用解码器将净化后的特征重构为逼近干净信号的表征。目标函数依次引入重构损失、特征稀疏性约束与语义一致性损失,确保净化后信号在结构与语义上均贴近干净样本。实验结果表明,在包含12种调制类型的仿真数据集上,所提框架在面对有/无目标下的白盒攻击与黑盒攻击时,能将调制识别准确率分别提升至83.2%/85.7%与86.1%/89.3%,验证了其在盲对抗性攻击场景下的有效性与稳健性。
UWF-YOLO: 冗余信息优化的轻量化水下目标检测
侯国家, 马佳琦, 王岳川, 黄宝香, 李坤乾
, doi: 10.11999/JEIT251129
摘要:
针对现有水下目标检测方法在成像退化类型多样与背景干扰等复杂场景中鲁棒性差以及在设备资源受限条件下难以兼顾检测精度与模型轻量化的问题,本文提出基于冗余信息优化的轻量化水下目标检测网络(Underwater Faster YOLO Network Based on Redundancy Information Optimization, UWF-YOLO),并进一步构建了复杂场景水下目标检测数据集(Underwater Object Detection Dataset with Complex Scene, CSUOD)。UWF-YOLO采用FasterNet Block重构C2f模块优化主干和颈部网络,通过特征通道选择机制减少冗余特征,并引入Ghost卷积增强颈部网络的多尺度特征融合能力;同时,通过基于分组卷积的参数共享检测头降低计算开销;最后,应用结构化通道剪枝技术进一步压缩网络规模。CSUOD数据集通过收集真实水下图像标注并进行分辨率标准化处理,覆盖雾化、色偏、非均匀照明等各种退化类型,可用于复杂场景下水下目标检测模型的鲁棒性训练与性能评测。在DUO,RUOD和TrashCan数据集上进行实验表明,相较于YOLOv8s,所提方法在计算量、权重大小与参数量三个指标上的分别降低了60.4%、77.3%和78.4%;与参数量相当的YOLOv9-tiny相比,mAP指标在三个数据集上分别提升了0.3%、2.3%和3.4%。同时,在自建CSUOD数据集上的主客观对比实验,进一步证实所提模型在实现显著轻量化的同时,能够有效避免背景干扰导致的误检、漏检等问题,特别在复杂水下环境中展现出优异的检测性能。此外,本文构建的复杂场景水下数据集将有助于推动水下目标检测方法的发展。
深海不确定环境条件下远程水声通信性能分析与快速预报
陈香梅, 台玉朋, 王海斌, 胡承昊, 汪俊, 王迪雅
, doi: 10.11999/JEIT251244
摘要:
在复杂且动态变化的海洋环境中,通信性能起伏显著且难以预估,传统依赖反馈链路进行信道状态估计与参数调整的方法难以适用于深海远程水声通信。为此,该文提出一种基于深度学习声场不确定预估的水声通信性能分析与快速预报方法,在无反馈条件下实现通信参数与信道状态的高效匹配。该方法基于深度学习快速预测的传播损失概率分布,构建了从传播损失到信噪比,再到统计信道容量与中断容量的链式映射模型,实现环境不确定性与通信性能的量化映射。进一步结合典型深海单载波通信系统在特定信道条件下的链路性能与传播损失的统计特性,提出通信“速率-可靠性”预报方法,评估不同速率下的可靠通信概率,从而为复杂动态环境下的系统参数匹配提供依据。海上试验结果表明,所提方法在复杂信道环境下对通信“速率-可靠性”的预报与实测结果高度一致:会聚区与影区各速率点上的可靠概率偏差分别为0.9%~4%和1%~9%;以90%可靠通信概率为阈值时,预报的最大可靠速率与实测结果一致,验证了该方法在深海远程水声通信中的准确性和实用性。
面向隐私安全与信道偏移的轻量化短波信号调制识别方法
姚怡舟, 邓文, 李保国
, doi: 10.11999/JEIT251017
摘要:
现有基于监督学习范式的短波信号调制识别方法通常假设训练数据(源域)与测试数据(目标域)服从同一分布。然而,短波信道易受电离层变化影响,导致域间分布差异显著,进而引发模型性能退化。此外,无人平台边缘侧部署还面临设备资源受限、标注样本稀缺以及数据隐私保护等多重挑战。针对上述问题,本文提出一种基于源模型迁移的轻量化识别方法,能够在不访问源域数据的条件下实现隐私安全的模型迁移。该方法的优势主要体现在三个方面:首先,具备良好的轻量化特性,仅需在无标签目标域上进行单轮训练即可快速收敛,显著降低了计算开销;其次,具备优异的小样本适应能力,在目标域样本极少的场景下仍能保持较高的识别精度;最后,通过融合涵盖同相/正交分量、幅度/相位信息及频谱特征的多模态信号特征,充分利用特征互补性增强了模型鲁棒性。仿真实验结果表明,该方法在大幅降低资源消耗的同时,在小样本条件下仍能保持稳定的识别性能,验证了其兼具快速收敛、低资源需求和良好泛化能力的特性。
接收端随机倾斜场景下CNN-MLP多特征融合室内可见光定位方法
贾科军, 王剑, 毛俪霏, 尤威, 黄梓洋, 彭铎
, doi: 10.11999/JEIT251021
摘要:
针对室内可见光定位(VLP)系统中接收器姿态扰动会破坏接收光功率(RSS)与空间位置的对应关系,导致定位精度下降的问题,提出一种光电传感器(PD)阵列结合机器学习(ML)的特征融合定位方法。首先利用阵列中不同PD接收光功率的差异构建约束方程,采用高斯–牛顿迭代算法估计入射角余弦值。其次设计融合卷积神经网络(CNN)与多层感知机(MLP)的优化模型,实现对RSS与入射角余弦特征的联合建模,缓解了单一RSS在接收器随机扰动条件下位置映射关系不稳定的问题,增强系统对接收器姿态扰动的鲁棒性。最后引入拉丁超立方抽样(LHS)策略构建训练数据集,提升训练样本的空间代表性。仿真结果表明,在4 m×4 m×2.5 m的室内环境,平均定位误差约4.6 cm;即使接收器倾斜至55°时,平均误差仍在11.7 cm以内。与现有方法相比,定位精度提升约2.5 cm,均方根误差(RMSE)降低31.58%,实现了接收器在姿态发生扰动时的高精度室内三维定位。
复杂环境下无人机航拍小目标检测算法
刘杰, 刘书豪, 田明, 崔志刚
, doi: 10.11999/JEIT251126
摘要:
无人机航拍图像因其分辨率高、视角广、部署灵活的特点,在智能交通领域得到广泛应用。针对无人机航拍图像中目标尺度变化大、背景复杂、小目标密集等问题,提出一种面向复杂环境的无人机航拍目标检测算法HAR-DETR。首先,对骨干网络的最后两层BasicBlock重新设计,添加聚合感知注意力以提取目标的多尺度特征,增大了感受野和对细粒度目标的感知效果;其次,设计高分辨率检测分支,提高模型对小目标检测的敏感度。最后,提出基于特征金字塔的重校准特征融合网络(RFF-FPN),将小目标的浅层边界特征与深层语义特征结合,更好地捕捉多尺度目标的语义信息,同时简化颈部网络的结构。实验结果表明,在VisDrone2019数据集上,HAR-DETR算法的mAP50相比原RT-DETR模型提升3.8%,mAP50-95提升3.2%。在RSOD数据集上展现出良好的泛化性能,在小目标检测任务中表现优异,具有较强的实用价值和推广前景。
基于无线电地图的多网联无人机路径规划
周德诚, 王威, 邵翔, 陈美, 肖江浩
, doi: 10.11999/JEIT250821
摘要:
针对多网联无人机协同作业场景中,因冲突规避引发的个体服务质量不均衡问题,该文提出了一种基于无线电地图辅助的协同路径规划方案。该方案以最小化所有无人机中最大任务完成时间与通信断联时间加权和为目标,构建了多无人机路径规划模型,并设计了一种改进的冲突搜索(ICBS)算法进行求解。该算法采用分层搜索架构:高层结构通过引入邻近冲突检测以确保满足安全距离约束,并基于重构的代价函数引导以公平性为导向的冲突消解与路径选择;低层结构则采用基于双向A*的最优路径算法,通过双向并行搜索机制提升寻优效率。仿真结果表明,相较于基准方案,所提方案能够有效降低所有无人机中最大加权时间,显著提升多无人机协同的公平性与整体性能。
硅基紧凑型偏振分束旋转器的逆向设计
惠战强, 张兴龙, 韩冬冬, 李田甜, 巩稼民
, doi: 10.11999/JEIT250858
摘要:
片上偏振分束旋转器(Polarization Splitter-Rotator, PSR)作为调控光波偏振态的核心集成光子器件之一,其微型化设计是实现高密度光子集成电路(Photonic Integrated Circuit, PIC)的关键。该文基于绝缘体上硅平台(Silicon-On-Insulator, SOI),采用逆向法设计了一种超紧凑偏振分束旋转器,通过将动量优化算法与伴随法相结合,提高了设计效率。并且,进一步通过空气孔融合将孔半径控制在50~250 nm,降低了器件的制造难度。数值分析结果表明:该器件在15201575 nm波段内实现了低插入损耗(TM0<1 dB,TE0<0.68 dB),低串扰(TM0<–23 dB,TE0<–25.2 dB)和高偏振消光比(TM0>17 dB,TE0>28.5 dB)。器件尺寸仅为2.5 μm×5 μm。工艺容差分析表明,在蚀刻深度偏移±9 nm,蚀刻半径偏移±5 nm时,在1520~1540 nm带宽范围内,性能没有明显劣化,具有良好的制造鲁棒性。
面向动态队形优化的无人机编队辐射源定位方法研究
吴苏洁, 吴彬彬, 杨宁, 王桁, 郭道省, 顾川
, doi: 10.11999/JEIT251023
摘要:
在障碍物密集、结构复杂的城市场景中,无人机编队进行辐射源定位常受到信号衰减、多径效应和建筑物遮挡等因素的影响,导致现有方法定位精度不高。针对这一问题,该文提出了一种基于动态队形调整的无人机编队辐射源定位方法。该方法通过优化无人机编队的几何构型,有效降低路径损耗与干扰,从而提升定位性能。具体而言,系统利用接收信号强度实时评估信号质量,并在编队运动过程中根据环境变化自适应调整队形,以优化信号传播路径。同时,结合几何定位精度因子、均方根误差等指标,对编队结构进行动态优化,从而提高距离估计与定位解算的可靠性。实验结果表明,相比传统方法,该方法在复杂城市环境中能够更快收敛并显著提升定位精度,定位误差降低了80%以上。同时,所提方法能够有效适应动态环境变化,展现出较强的鲁棒性与实用价值。
ISAC-RIS系统下基于条件生成对抗网络的信道估计研究
刘钰, 郑泽林, 刘罡
, doi: 10.11999/JEIT251168
摘要:
通感一体化(Integrated Sensing and Communication, ISAC)技术作为未来无线通信发展的关键趋势,旨在通过频谱资源的高效利用,实现通信与感知功能的融合与协同。当智能反射表面(Reconfigurable Intelligent Surfaces, RIS)被引入ISAC系统后,可重构无线传播环境,从而显著提升通信质量及感知精度。然而,准确的信道估计对于保障可靠运行是至关重要的。尽管传统的深度学习方法在一定程度上能够应对信道估计问题,但在面对多用户复杂信道环境时,其泛化能力和估计精度仍存在不足。针对上述问题,本文对于RIS辅助多用户ISAC系统提出了一种基于条件生成对抗网络(Conditional Generative Adversarial Network, CGAN)的两阶段信道估计方法。该方法通过调整RIS的开关状态,分阶段完成对直射信道与反射信道的估计,以提高信道估计的准确性和稳定性。通过生成网络与判别网络的对抗训练,不仅能够学习观测信号与真实信道之间的映射关系,还能根据判别网络的反馈来不断优化输出,从而有效提升训练效率与估计精度。仿真结果表明,与传统深度学习方法相比,所提基于CGAN的方案在信道估计性能上均表现出显著优势。该结果验证了CGAN方法在RIS辅助ISAC系统下信道估计的应用潜力,并为实现更精准和可靠的系统部署奠定了基础。
无线网络中跨模态检索增强的高能效多模态联邦学习
刘婧媛, 马可, 徐润辰, 常征
, doi: 10.11999/JEIT251221
摘要:
通过整合多模态信息,多模态联邦学习(MFL)在医疗保健和智能感知等领域往往优于单模态联邦学习(FL)。但在无线边缘场景下,能量受限且样本常缺失模态,直接对所有样本进行补全会放大计算与通信开销,整体能耗随之上升。为此该文提出基于跨模态检索增强的高能效多模态联邦学习(CREEMFL)框架。该框架的核心思想是选择性插补:仅对缺失模态的部分样本从公共多模态库中检索补充,剩余样本采用零填充以限制计算量。进一步,在系统级建立能耗模型,并将检索率作为变量纳入联合优化,以在单轮成本与整体能耗之间取得平衡。该文构造两层优化:外层用经验搜索确定检索率,内层在给定检索率下对上行传输时间、发射功率与中央处理器(CPU)频率进行协同分配,并给出闭式或半闭式更新。基于MIMIC-CXR胸部X射线数据集的实验表明,CREEMFL在保证或提升准确率的同时显著缩短完成时间并降低总能耗,验证了所提框架的有效性。
面向智能电网信息物理融合攻击的建模、检测和防御理论与方法
王文婷, 田博彦, 吴法宗, 贺云鹏, 王鑫, 杨明, 冯冬芹
, doi: 10.11999/JEIT250659
摘要:
智能电网(Smart Grid, SG)基于大量传感与检测单元,通过先进的网络通信、监测、调度与优化技术,显著提升了传统电网的管理和调节能力。然而,智能电网的开放性和互联性大幅提高的同时,也加剧了遭受恶意攻击的风险。特别是,攻击者可能通过同时干扰信息层和物理层的感知与决策过程,削弱系统的控制和恢复能力。以往研究通常根据攻击的对象或类型进行分类,而该文提出了一种涵盖智能电网主要组件和通信链路的综合性架构,从整体性的抽象视角对涉及智能电网组件的多种攻击类型进行系统性的信息物理风险评估。此外,该文还从多个角度探讨了智能电网中信息物理融合攻击的检测与防御问题。最后,基于现有的研究进展和趋势,该文对未来智能电网信息物理安全的研究方向进行了讨论与展望。
变压器声纹故障诊断研究综述
龚文洁, 林国松, 韦晓广
, doi: 10.11999/JEIT251076
摘要:
变压器作为电网的核心枢纽设备,其运行状态直接影响电力系统的安全性与稳定性。传统监测技术存在依赖人工经验、实时性不足等问题,声纹故障诊断技术凭借非接触式监测等优势成为当前变压器故障诊断领域的研究热点。该文梳理了变压器声纹故障诊断领域的研究进展,明晰变压器主要故障类型与监测技术差异,归纳时域、频域及时频域3类声纹特征提取方法,剖析主流机器学习与深度学习模型的优劣势及适用场景等,并针对当前研究中存在的噪声鲁棒性不足、样本分布不平衡、模型可解释性差、标准化体系缺失、跨模态融合不足等关键问题深入分析,展望未来研究方向,以期为该领域的理论研究与工程应用提供系统性参考。
考虑摩擦非线性和未知负载的伺服电机有限时间自适应滑模控制
张天宇, 郭琴霞, 杨挺凯, 郭祥吉, 明名
, doi: 10.11999/JEIT250521
摘要:
为了解决超快激光无限视场加工中存在的高精度要求小视场与大范围加工需求之间的矛盾,该文提出一种基于自适应扰动观测器的有限时间滑模控制策略,该模型能够保证跟踪误差在有限时间内收敛到原点附近的邻域,有效补偿了未知负载扰动和输入端摩擦非线性行为。该文将被控系统中的未知负载扰动与摩擦非线性等复杂因素统一建模为集总扰动项,从而显著提升了系统动力学模型的普适性。该方法融合了径向基神经网络(RBFNN)设计有限时间自适应扰动观测器,实现对集总扰动的精确补偿。基于扰动观测构建的有限时间滑模控制方案,使得电机的输出角位置快速精确跟踪期望轨迹。最后,通过Matlab仿真分析验证了该控制方法的可行性和优越性。
基于虚假数据检测的信息物理系统安全学习控制方法
苗金钊, 刘金良, 孙乐, 查利娟, 田恩刚
, doi: 10.11999/JEIT250537
摘要:
随着信息物理系统(CPS)在关键基础设施中的广泛部署,其面临的安全威胁日益严峻,特别是虚假数据注入攻击对系统感知与控制能力构成了实质性挑战。针对这一问题,该文提出了一种融合攻击检测、状态估计与控制策略学习的安全控制框架。该方法通过构建传感器数据的安全评估指标,实现对潜在虚假观测数据的实时检测,并在无攻击先验信息的条件下,动态估计可能存在的攻击信号。在此基础上,进一步提出融合多源传感器观测的状态估计策略,以提高对系统真实状态的重构精度。此外,该文还提出了一种基于动态权重在线更新的自适应学习控制方法,利用梯度下降法逼近最优控制策略,从而增强系统在复杂环境中的稳态性能与抗攻击能力。仿真实验结果验证了该方法在虚假数据注入攻击环境下的有效性与安全性能。
一种融合时序与深度特征的二阶段CAN总线攻击识别方法
谈名名, 张恒, 王鑫, 李明, 张键, 杨明
, doi: 10.11999/JEIT250651
摘要:
控制器局域网(CAN)因安全机制缺失易遭受网络攻击,现有入侵检测系统在多类攻击识别和车载部署上仍存在挑战。该文提出一种融合时序与深度特征的二阶段CAN总线攻击识别方法,通过“先检测、后分类”的策略,将复杂任务分解,实现效率与精度统一。第1阶段设计了数据负载熵(PDE)与ID频率均值偏差(IFMD)特征,从内容与行为2个维度量化报文异常,并利用双向长短期记忆网络(BiLSTM)捕捉时序依赖,实现高效异常检测;第2阶段针对异常样本,引入一维轻量化ParC1D-Net,通过深度特征精细分析实现多类攻击分类。公开数据集实验表明,该方法在Car-Hacking数据集上准确率和F1分数均达99.99%,优于多种先进方法;消融实验验证PDE与IFMD特征在提升异常检测敏感性和鲁棒性方面的关键作用。此外,方法在GPU和模拟嵌入式CPU环境下测试,模型大小仅0.39 MB,实时检测时延分别为0.62 ms和0.93 ms,具备良好部署与实时处理能力。
复杂约束下应急救援无人机路径的熵增强量子涟漪协同算法
王恩良, 章祯, 孙知信
, doi: 10.11999/JEIT250694
摘要:
针对自然灾害应急救援中无人机路径规划面临的复杂约束和时效性要求,该文提出一种熵增强量子涟漪协同优化算法(E2QRSA)。该文构建了以受困人员生存概率最大化为目标的数学模型,将生存概率随时间指数衰减的特征融入目标函数,并综合考虑禁飞区、警戒区、动态障碍物等多重约束;设计了基于信息熵的量子态初始化策略,通过评估搜索空间的不确定性分布引导初始种群生成;提出多涟漪协同干涉机制,利用干涉场的建设性叠加强化优质解特征传播;建立了熵驱动的参数自适应调控方法,根据搜索熵变化率动态调整涟漪传播参数。结果表明:与PSO, QRO, ATLA, IVCSA, SEWOA等5种算法相比,E2QRSA的平均生存概率较次优算法提升4.3%~5.4%,显著提升了复杂灾害环境下无人机路径规划的时效性、安全性与决策科学性。
电子探针计算机破解NP完全问题取得突破性进展
许进, 余乐, 杨慧慧, 纪思远, 张宇, 杨安琪, 历泉有, 李海生, 朱恩强, 石晓龙, 吴璞, 邵泽辉, 冷煌, 刘小青
, doi: 10.11999/JEIT250352
摘要:
该研究报道了一种新型电子探针计算机(EPC60)在解决NP完全问题方面取得的重大突破。该系统采用混合串并行计算模型,通过7种探针算子实现大规模并行计算。在2000顶点图的三着色问题测试中,EPC60以100%准确率完胜主流算法Gurobi(仅6%),并将计算时间从15天缩短至54 s。该系统具有高度可扩展性,为供应链、金融、通信等领域的复杂优化问题提供了通用解决方案。
基于合作博弈和知识蒸馏的个性化联邦学习算法
孙艳华, 史亚会, 李萌, 杨睿哲, 司鹏搏
, doi: 10.11999/JEIT221203
摘要:
为克服联邦学习(FL)客户端数据和模型均需同构的局限性并且提高训练精度,该文提出一种基于合作博弈和知识蒸馏的个性化联邦学习(pFedCK)算法。在该算法中,每个客户端将在公共数据集上训练得到的局部软预测上传到中心服务器并根据余弦相似度从服务器下载最相近的k个软预测形成一个联盟,然后利用合作博弈中的夏普利值来衡量客户端之间多重协作的影响,量化所下载软预测对本地个性化学习效果的累计贡献值,以此确定联盟中每个客户端的最佳聚合系数,从而得到更优的聚合模型。最后采用知识蒸馏将聚合模型的知识迁移到本地模型,并在隐私数据集上进行本地训练。仿真结果表明,与其他算法相比,pFedCK算法可以将个性化精度提升约10%。
基于时不变点状波束优化的目标距离-角度联合估计
初伟, 刘云清, 刘文宇, 李晓龙
, doi: 10.11999/JEIT210265
摘要:
应用频控阵式多输入多输出(FDA-MIMO)雷达实现目标距离-角度联合估计越来越受到人们的重视,利用FDA同时获得发射波束图在角度和距离的自由度。但其性能因波束图的周期性和时变性而降低。因此,该文基于时间调制和距离补偿FDA-MIMO(TMRC-FDA-MIMO)雷达的新波形合成模型,提出了一种改进的基于旋转不变技术的信号参数估计(ESPRIT)算法。最后,通过距离和角度估计的克拉美罗下界和均方根误差,与固定频偏FDA-MIMO、对数频偏FDA-MIMO雷达系统和多信号分类(MUSIC)算法进行了对比,验证了所提方法的优异性能。
图像与智能信息处理
航天器自主远距离快速抵近的近端策略优化研究
林政, 胡海鹰, 邸鹏, 朱永生, 周美江
, doi: 10.11999/JEIT250844
摘要:
在考虑地球扁率J2摄动的影响下,该文针对限定携带燃料和限定转移时间下的异面轨道航天器远距离快速转移的最省燃料轨迹优化问题,基于近端策略优化(PPO)设计脉冲机动的时长与脉冲增量大小,实现最省燃料消耗的转移轨迹设计。首先构筑J2摄动下航天器转移变轨的动力学模型,并进行航天器在轨运行中的不确定性分析,其次,将问题转化为最优控制问题,并建立强化学习训练框架;此后,设计基于过程约束和终端约束的合适的奖励函数,提高算法的探索能力和训练过程的稳定性;最后,在该强化学习框架下进行训练得到模型,生成变轨机动策略,通过仿真并进行对比实验验证算法性能。相较已有深度强化学习(DRL)方法,该文设计的改进型密集奖励函数结合位置势函数与速度引导机制,显著提升了算法的收敛速度、鲁棒性与燃料优化性能,仿真结果表明,该方法能够很好地生成策略并达到预期抵近要求。
无线通信与物联网
IRS辅助的无人机RSMA系统安全速率最大化算法
王正强, 孔维冬, 万晓榆, 樊自甫, 多滨
, doi: 10.11999/JEIT250452
摘要:
该文研究了智能反射面(IRS)辅助基于速率分割多址接入(RSMA)技术的无人机(UAV)系统安全传输问题。针对存在多个窃听者的通信场景,提出一种联合优化预编码向量、公共安全速率分配、IRS相移和UAV位置的资源分配方案。针对该非凸优化问题,采用分层优化方法将其分解为内层和外层优化两部分。对于内层优化,给定UAV位置,交替优化预编码向量、公共安全速率分配子问题和IRS相移子问题,通过逐次凸逼近、1阶泰勒展开和半正定松弛等方法将非凸问题转化为凸优化问题求解;外层优化,给定其他优化变量,采用粒子群优化算法实现UAV的位置优化。仿真结果表明,所提算法能够有效提高系统安全速率,并优于现有的基准方案。
信息物理系统安全与隐私保护专题
AutoPenGPT:空间收敛与依赖建模驱动的抗漂移渗透测试
黄炜刚, 付丽嫆, 刘沛宇, 杜林康, 叶童, 夏亦凡, 王文海
, doi: 10.11999/JEIT250873
摘要:
随着工业互联网的发展,Web管理平台与工业路由器等边界组件被广泛配置为可达生产内网,显著扩大了工业控制系统的攻击面。针对这一风险,渗透测试已成为保障工控系统安全的重要手段。近年来,部分研究尝试引入大语言模型(LLMs)以实现智能化渗透测试,进而降低人力消耗。然而,工控安全测试任务空间庞大且利用链条复杂,同时测试过程容错空间有限、语义约束严格,现有系统在此类场景下易出现“策略漂移”和“意图漂移”问题,导致无法有效完成测试任务。为此,该文提出了一种智能化 Web 漏洞测试与利用系统 AutoPenGPT。该系统通过引入与测试目标一致的上下文约束,引导LLMs收敛测试空间,以缓解复杂任务场景下的策略漂移问题;同时,AutoPenGPT 基于语义分析从反馈数据中提取并组织关键信息,对多步骤漏洞利用过程进行依赖建模,从而降低意图漂移对测试连贯性的影响。针对工控系统测试任务参数复杂且上下文动态变化的特点,系统进一步设计了高灵活性的半结构化提示词框架,以支持不同测试场景下的语义对齐与任务适配,最终实现与用户需求一致的自动化漏洞检测与利用。实验结果显示,AutoPenGPT在CTF测试集中漏洞类型探测准确率达97.62%,需求完成率为80.95%;在多个工控、通用Web平台的脆弱性测试中达到约70%的需求完成率,并成功发现7个未披露漏洞,其中已有两个漏洞获得CVE和CNVD编号,验证了其在真实场景下的实用性。
卫星导航
eLORAN系统的GRI组合设计研究
刘时尧, 张首刚, 华宇
, doi: 10.11999/JEIT201066
摘要:
针对增强型罗兰(eLORAN)系统增补发射台站建设中的组重复周期(GRI)选择问题,该文主要从数学的角度出发,提出一种基于交叉干扰率的筛选算法。该算法首先考虑了最小可用组重复周期以及秒信息量的要求,并在此基础上通过比较与临近的罗兰C台站间的相对交叉干扰率进行1次筛选;之后通过排列组合进行两两比较并2次筛选;最后,综合考虑数据率要求、系统规范、无交叉干扰等条件,得到最优组重复周期组合。随后,鉴于新型eLORAN系统的高精度授时要求,在GRI最优组合中进行了优选。分析结果表明,该方法得出的优选组合的平均交叉干扰率与现有导航台链相当,同时可兼顾授时需求,可以为高精度地基授时系统建设提供参考性建议和理论依据。