Advanced Search
Turn off MathJax
Article Contents
GAI Longjie, XU Yanlin, WANG Sijun, LIU Peiguo, HU Ning, HE Zhengwei. Design of a Narrowband Energy Selective Protective Antenna Integrating Electromagnetic Protection and Anti-interference Capabilities[J]. Journal of Electronics & Information Technology. doi: 10.11999/JEIT251363
Citation: GAI Longjie, XU Yanlin, WANG Sijun, LIU Peiguo, HU Ning, HE Zhengwei. Design of a Narrowband Energy Selective Protective Antenna Integrating Electromagnetic Protection and Anti-interference Capabilities[J]. Journal of Electronics & Information Technology. doi: 10.11999/JEIT251363

Design of a Narrowband Energy Selective Protective Antenna Integrating Electromagnetic Protection and Anti-interference Capabilities

doi: 10.11999/JEIT251363 cstr: 32379.14.JEIT251363
Funds:  The National Natural Science Foundation of China (62293491, 62571533, 62501643)
  • Accepted Date: 2026-03-10
  • Rev Recd Date: 2026-03-10
  • Available Online: 2026-03-22
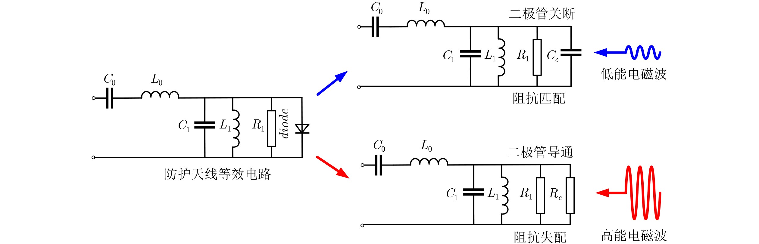
  •   Objective  With the rapid advancement of wireless communication technologies, the electromagnetic (EM) environment has become increasingly complex. Electronic information equipment is facing growing challenges from high-intensity radiation fields (HIRFs) and out-of-band interference, making the co-design of EM protection and out-of-band interference suppression for electronic information systems a critical and urgent issue. As the front-end of the radio frequency channel, antennas serve as the primary pathway for converting EM waves in free space into guided waves within microwave circuits. High-power EM waves can couple into the system through antennas, causing EM damage. Moreover, in single-frequency application scenarios, if the antenna lacks narrowband characteristics, out-of-band interference signals may also enter the system via the antenna, disrupting normal operation. Therefore, it is essential to design a narrowband energy-selective protective antenna that simultaneously achieves out-of-band interference suppression and in-band protection against strong EM threats, thereby enhancing the operational stability and environmental adaptability of electronic information equipment in complex EM environments.  Methods  This paper focuses on the design of a coaxial-fed microstrip patch antenna, carrying out structural design and simulation optimization based on this antenna type. In accordance with the design requirements for the specific operating frequency of 915 MHz, the antenna structure itself is endowed with both narrowband characteristics and EM protection capabilities, thereby achieving an integrated design of EM protection and anti-interference. A high dielectric constant contributes simultaneously to antenna miniaturization and narrowband operation. Therefore, a TP-2 substrate with a dielectric constant of 20 is selected in this work to achieve the desired narrowband performance. In traditional coaxial-fed microstrip patch antennas, the probe structure passes directly through the dielectric substrate and connects to the radiating patch, leaving insufficient space for integrating protective structures. To address this limitation, a design approach featuring a layered substrate with a central hollow cavity is adopted, constructing a layered-cavity protective structure that enables the antenna itself to possess energy-selective protection characteristics.  Results and Discussions  To verify the performance of the proposed antenna, this study carried out physical fabrication and experimental measurement (Fig. 14). The measured center frequency of the antenna is 928.5 MHz, with an operating bandwidth from 927.0 MHz to 930.0 MHz. Although the measured center frequency exhibits a shift of 12.8 MHz compared to the simulated design value, the antenna still demonstrates favorable narrowband characteristics (Fig. 15). The measured radiation pattern agrees well with simulated results. In the Phi = 0 deg plane, the antenna exhibits stable omnidirectional radiation characteristics, with a measured maximum gain of 2.5 dBi (Figs. 11, 16). The shielding effectiveness (SE) of the antenna was measured using a high-power injection test method. As the injected power increased, the radiated power grew linearly. When the injected power reached 22 dBm, the growth trend of the radiated power saturated, indicating that the diodes in the protection structure began to conduct and the energy-selection mechanism was activated. Upon further increasing the injected power, the SE gradually rose. When the injected power reached 48 dBm, the radiated power surged to the level corresponding to the original linear radiated power, and the SE dropped sharply, indicating that the diodes had broken down and the protection structure failed. In summary, the activation threshold of the antenna’s protection function is 26 dBm, and the device damage threshold is 48 dBm. Within this range, a maximum SE of 26 dB is achieved (Fig. 18).  Conclusions  Based on the structure of a coaxial-fed microstrip patch antenna, this paper designs and implements a narrowband energy-selective protective antenna with an integrated EM protection and anti-interference capabilities. The study covers the complete research process, from theoretical analysis and structural simulation optimization to physical fabrication and experimental verification. Firstly, the characteristic mode analysis (CMA) method was employed to qualitatively investigate the potential operating modes of the microstrip patch antenna. By analyzing the electric and magnetic field modal distributions, the impedance matching characteristics were examined, and the optimal position for the coaxial feed point was determined accordingly. Subsequently, the use of a high-permittivity substrate enabled both antenna miniaturization and narrowband performance, achieving an interference suppression capability (ISC) of better than 22.1 dB. Furthermore, a structural design featuring a layered substrate with a central hollow cavity was proposed, creating a cavity-based protective structure integrated into the feed probe region. An equivalent circuit model was also established to thoroughly explain the operational mechanisms of the antenna under normal and protective states. Finally, the antenna prototype was fabricated and its performance was measured. Measured results demonstrate that the antenna exhibits favorable narrowband characteristics, and its radiation pattern aligns well with simulated results, with a measured maximum gain of 2.5 dBi. Moreover, applying the reciprocity principle and using a high-power injection method for SE testing, a maximum SE of 26 dB was recorded, confirming its excellent EM protection capability. Compared with existing protective antennas, the proposed structure simultaneously achieves out-of-band interference suppression and EM protection within the antenna's own architecture, effectively advancing the integrated design of “frequency-domain interference suppression and energy-domain protection.” It should be noted that factors such as non-uniform dielectric constant of the substrate and fabrication tolerances led to a certain deviation between the measured and simulated center frequency, which reflects to some extent the sensitivity of narrowband antennas to structural parameters. In future research, the introduction of a tunable mechanism could be explored to develop a frequency-reconfigurable narrowband energy-selective protective antenna, thereby dynamically compensating for frequency deviations and enhancing design robustness and environmental adaptability.
  • loading
  • [1]
    LIN C K and CHUNG S J. A filtering microstrip antenna array[J]. IEEE Transactions on Microwave Theory and Techniques, 2011, 59(11): 2856–2863. doi: 10.1109/TMTT.2011.2160986.
    [2]
    刘培国, 刘晨曦, 谭剑锋, 等. 强电磁防护技术研究进展[J]. 中国舰船研究, 2015, 10(2): 2–6. doi: 10.3969/j.issn.1673-3185.2015.02.002.

    LIU Peiguo, LIU Chenxi, TAN Jianfeng, et al. Analysis of the research development on HPM/EMP protection[J]. Chinese Journal of Ship Research, 2015, 10(2): 2–6. doi: 10.3969/j.issn.1673-3185.2015.02.002.
    [3]
    虎宁, 徐延林, 刘培国. 一种能量选择防护结构与天线耦合效应矢量分析方法[J]. 电子与信息学报, 2023, 45(11): 3945–3954. doi: 10.11999/JEIT230762.

    HU Ning, XU Yanlin, and LIU Peiguo. A vector analysis method for coupling effects between energy selective structures and antennas[J]. Journal of Electronics & Information Technology, 2023, 45(11): 3945–3954. doi: 10.11999/JEIT230762.
    [4]
    刘培国, 万双林, 李高升, 等. 一种电磁能量选择表面[P]. 中国, 201766807U, 2011.

    LIU Peiguo, WAN Shuanglin, LI Gaosheng, et al. Electromagnetic energy selective surface[P]. CN, 201766807U, 2011.
    [5]
    QU Meijun, HE Zizhuo, SU Jianxun, et al. A rasorber with energy-selective passband and ultrawideband absorptive out-of-band[J]. IEEE Transactions on Microwave Theory and Techniques, 2024, 72(10): 5643–5652. doi: 10.1109/tmtt.2024.3387917.
    [6]
    ZHANG Jihong, HU Ning, WU Zhaofeng, et al. Adaptive high-impedance surface for prevention of waveguide's high-intensity wave[J]. IEEE Transactions on Antennas and Propagation, 2021, 69(11): 7679–7687. doi: 10.1109/TAP.2021.3070052.
    [7]
    周涛, 虎宁, 盖龙杰, 等. 一种S波段超宽带能量选择表面设计[J]. 强激光与粒子束, 2024, 36(3): 033003. doi: 10.11884/HPLPB202436.230369.

    ZHOU Tao, HU Ning, GAI Longjie, et al. Design of an S-band ultra-wideband energy selective surface[J]. High Power Laser and Particle Beams, 2024, 36(3): 033003. doi: 10.11884/HPLPB202436.230369.
    [8]
    ZHOU Lin and SHEN Zhongxiang. Diffusive energy-selective surface with low backscattering[J]. IEEE Transactions on Antennas and Propagation, 2022, 70(1): 430–439. doi: 10.1109/TAP.2021.3098603.
    [9]
    GONG Wenjian, ZHANG Wenmei, CHEN Xinwei, et al. A low-profile energy selective surface with ultra-wide absorption band[J]. IEEE Transactions on Microwave Theory and Techniques, 2023, 71(3): 1348–1355. doi: 10.1109/TMTT.2022.3222385.
    [10]
    WU Zhaofeng, XU Yanlin, LIU Peiguo, et al. An ultra-broadband energy selective surface design method: From filter circuits to metamaterials[J]. IEEE Transactions on Antennas and Propagation, 2023, 71(7): 5865–5873. doi: 10.1109/TAP.2023.3276447.
    [11]
    DENG Bowen, LIN Mingtuan, ZHANG Jihong, et al. PIN-diode-based high-intensity radiation fields (HIRF) protection of a printed dipole antenna[J]. IEEE Transactions on Electromagnetic Compatibility, 2021, 63(1): 198–205. doi: 10.1109/TEMC.2020.3020882.
    [12]
    郑治, 汪伟, 张洪涛, 等. 一种基于电磁超材料的抗干扰天线[J]. 电波科学学报, 2020, 35(2): 299–304. doi: 10.13443/j.cjors.2018123001.

    ZHENG Zhi, WANG Wei, ZHANG Hongtao, et al. An anti-jamming antenna utilizing electromagnetic metamaterials[J]. Chinese Journal of Radio Science, 2020, 35(2): 299–304. doi: 10.13443/j.cjors.2018123001.
    [13]
    LIN Fenghan and CHEN Zhining. Low-profile wideband metasurface antennas using characteristic mode analysis[J]. IEEE Transactions on Antennas and Propagation, 2017, 65(4): 1706–1713. doi: 10.1109/TAP.2017.2671036.
    [14]
    GAO Jiafan and LIN Fenghan. Modeling and analysis of wideband multilayer metasurface antenna array using characteristic-mode analysis[J]. IEEE Transactions on Antennas and Propagation, 2023, 71(3): 2832–2836. doi: 10.1109/TAP.2023.3234201.
    [15]
    SUMITHRA P and KANNADASSAN D. Design and modeling of wideband planar antennas using characteristics modes[J]. IEEE Transactions on Antennas and Propagation, 2021, 69(12): 8257–8270. doi: 10.1109/TAP.2021.3090805.
    [16]
    NING Zihao, LI Mengmeng, DING Dazhi, et al. A step-by-step design methodology for broadband tunable microwave metasurface absorbers using theory of characteristic modes[J]. IEEE Open Journal of Antennas and Propagation, 2024, 5(4): 899–912. doi: 10.1109/OJAP.2023.3336610.
    [17]
    盖龙杰, 徐延林, 查淞, 等. 一种基于互易原理的天线防护效能测试系统和方法[P]. 中国, 120275729B, 2025.

    GAI Longjie, XU Yanlin, ZHA Song, et al. Antenna protection efficiency test system and method based on reciprocity principle[P]. CN, 120275729B, 2025.
  • 加载中

Catalog

    通讯作者: 陈斌, bchen63@163.com
    • 1. 

      沈阳化工大学材料科学与工程学院 沈阳 110142

    1. 本站搜索
    2. 百度学术搜索
    3. 万方数据库搜索
    4. CNKI搜索

    Figures(20)

    Article Metrics

    Article views (58) PDF downloads(10) Cited by()
    Proportional views
    Related

    /

    DownLoad:  Full-Size Img  PowerPoint
    Return
    Return